- 電容數字轉換器
- 電容式傳感器
- 幾何變化傳感器
- 采用DDS技術
- 電容器的電容根據它的結構來計算
宏觀上講,電容傳感器通常是通過將電容轉換成電壓、時間或者頻率等另一種物理變量來進行分析。而在微觀上,電容傳感器已經長期用于汽車之中;微機械加速度傳感器就是基于這個原理設計的。這些經常用來檢測電荷轉移。
一種用于探測電容的新方法采用改進后的Σ-Δ轉換器的輸入級來檢測出未知的電容,并將其轉換成數字信號。這種方法使用了電容數字轉換器(CDC),在本文中要與幾個可以用于汽車的電容傳感器原理一起闡述說明。文末也會概要說明另一種可選方法。
電容數字轉換器
要形象描述CDC,我們必須對Σ-Δ轉換器原理作一番介紹。圖1是Σ-Δ轉換器的簡圖。
為了清楚地了解其工作過程,首先我們看積分器的輸入,經過長時間間隔后,該值必須保持為零。短時間微小的階躍信號會轉變成斜坡信號。通過將基準支路的輸出提高到與輸入支路的值相同來達到零平均值,反過來這還受到比較器輸出的影響。這將參考點轉變成具有邏輯1的并聯電容。
電容充電然后反過來提供給積分器,這樣積分器得到一個負的參考電壓。因此輸入端的高壓導致大量邏輯部分,它們反過來頻繁地運用(負)參考電壓。密度通過下面的數字濾波轉換成一個數字化的數值。經典的Σ-Δ轉換器將未知的電壓與已知的電壓相比較,即采用兩個已知的電容(通常相等)來作此比較。
[page]
事實上是對電荷進行比較,因此電容可以用公式Q=C*V來比較,如果兩個電壓都已知(在此取相同的電壓值)。同步電壓信號也必須提供給輸入支路,圖2顯示的是電容數字轉換器。
這種方法帶來了很多好處。由于與Σ-Δ轉換器的關系密切,其眾所周知的特性可以改進并采納,這些特性包括高噪聲抑制、低頻時的高分辨率,以及能經濟有效地實現高精確度。Σ-Δ轉換器,幾乎沒有例外,具有一個相似的輸入結構,因此不同的特別結構可以適用于特殊的測量任務,例如極低的電流輸入、最大準確性或者更高的截止頻率。
如果我們仔細地審視圖2,可以清楚看到更多的優點。寄生電容在最初的近似值中不扮演任何角色。一個在節點A趨向于零的寄生電容具有零電位。節點B不為零,但是它由一個確定的低阻抗電位充電,因此在該節點的寄生電容將充電到一個平均值而不影響測量結果。節點A到B的寄生電容總是與測量元件并聯,并且通常會出現一個偏移量。
現有的電容數字轉換器能提供非常好的性能。例如ADI的AD7745可達到24位分辨率和16位精度。

圖1:Σ-Δ轉換器的簡圖

圖2:電容數字轉換器
電容式傳感器
以前的電容分析系統要求測量的電容比較大,以及接觸時電容值的變化很大。對傳感器制造商來說,需要足夠大的變化經常會帶來問題,而在較小的電容傳感器卻不會出現。例如,典型的150pF濕度傳感器不僅相當昂貴(因為比較大),還容易出錯,且長時間的穩定性也較差。
電容器的電容可以根據它的結構來計算:C=εoεrA/d
其中,εo是真空介電常數,εr是材料的介電常數,A是所用的導板面積,d則是兩個電極之間的距離。除少數例外(如壓力傳感器),所有電容傳感器都是利用導板表面或電介質的變化來測量電容的改變。大多數傳感器可以被劃分成兩類:一類是導板面積(幾何)變化的(如液位傳感器或位移傳感器);另一類是依賴εr變化的(如接近傳感器或濕度傳感器)。
[page]
濕度傳感器是電介質傳感器的經典例子,使用濕度敏感聚合物層作為電介質。隨著濕度的增加,堆積越來越多的水分子,因此εr增大。傳感器檢測液體(如油或燃料)的純度,實質由兩塊固定的導板構成,液體自身形成電介質。必需的液體特性根據經驗來確定(例如:油或燃料中增加的水份)。溫度起到決定性的作用,也必須可靠地確定。測量電介質變化的簡單的接近傳感器,通常需要最復雜的測量電子學。

圖3

圖4

圖5[page]
在許多情況下,接近傳感器在印制電路板包括兩個導體。中間媒介電介質的值非常小(接近1)。如果一個物體,例如手,移動到電容器的電子區域,它就改變電容。人體的組成超過90%水,因而電介質的值非常大(約50)。
遙控開關非常容易制造,因而使得諸如無鑰匙點火或對電動窗的箝位保護之類的應用成為可能。無鑰匙汽車一個重要的必要條件是盡可能使輸入電流最低——標準情況是低于100A。多年以來制造商已經將Σ-Δ轉換器進行優化,因此已有一些適合的體系結構。
雨水傳感器可以用一個類似的方法來實現。它們易于制造,性價比較高,而且尺寸也可以是一項優勢。然而,基于水滴光學折射的傳統雨水傳感器在擋風玻璃只有一個非常小活動區域,這就降低了系統靈敏度,導致重復出現干擦和沒有擦到的問題。
幾何變化傳感器
依靠幾何變化的傳感器的例子有壓力傳感器、液位傳感器和位移傳感器-這些傳感器都是簡單地移動固定導板之間的電介質。壓力傳感器使用具有固定尺寸的兩塊導板作為膜;由于導板有彈性,作用在傳感器上的壓力就會改變它們之間的距離。
由于熱擴散,溫度傳感器需要考慮改變的幾何形狀。設想兩個電極中的一個附著在芯片上,另一個附著在由金屬或陶瓷構成的支架上,因此支架自己作為傳感器。以陶瓷為例,能夠承受非常高的壓力和侵入的媒介。與經典的惠斯通電橋相比較,電容壓力傳感器的主要優點是對輸入電流的要求更低,使得他們特別適合于諸如輪胎壓力控制之類的應用。
在一個液位傳感器中,一對固定的導板浸沒在要測量的液體中。制造商能夠以非常低的成本制造出印制導體。第二對導板附著在底部,可以檢測出由于溫度或其他影響導致的電介質變化,如下圖所示。
在所有方法中,都證實了Σ-Δ技術是非常令人滿意的。許多情況下,無論如何數字濾波器都是必要的,它們可以用來實現必需的動態特性。例如,在液壓傳感器中需要非常長的時間常數,而接近傳感器必須適應變化了的四周環境(如濕度傳感器要適應雨或冰)。
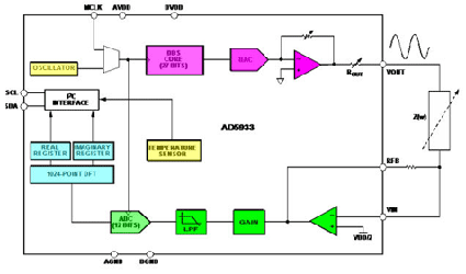
采用DDS技術的可選方法
這種技術按照一個完全不同的、略微更復雜一些的方式來工作。另一方面,它可以用于測量復阻抗,包括電感、阻抗/電容或者阻抗/電感傳感器等。在這種情況下,傳感器由一個已知的非常精確的頻率來激發。在此,直接數字式頻率合成(DDS)技術非常適用。

圖6:用DDS方法計算阻抗的實部和虛部
這里,傳感器的反應通過快速的模數轉換器和快速的傅立葉分析記錄下來。采用DDS方法,初始的相位在任何時候都可精確地獲知。用同樣的方法,對其他頻率的反應也可以測量出來。阻抗的實部和虛部可以據此計算出,并且通過數字總線輸出。完全掃描僅需要幾百毫秒。此圖對該方法進行了說明。
該網絡分析儀電路可以用于電容和電感傳感器,同樣也可用于記錄運動或測量液體黏度的傳感器,例如引擎或潤滑油。
電容傳感器正在汽車中迎來新生。新的方法在壓力、液位、濕度、雨和接近傳感器中已經證明獲得了初步成功。采用Σ-Δ技術能夠對不同的動態和精度需求提供靈活的解決方案,并且使傳感器系統具有及其低的電源要求。CDC設備已經用于幾種汽車應用,在許多其他領域的應用正在增加。


