【導讀】該閃光燈標電路(圖1)可用于在高速路上發出求救信號,在停車場、醫院和酒店等場所指示方向。該電路使用了一個大功率LED,其亮度高于普通的白熾閃光燈。采用6V或12V SLA(密封鉛酸)手提燈電池供電,使得電路非常輕便。
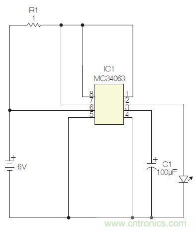
MC34063單片式開關穩壓器子系統是電路的核心(圖2),最初打算用于DC-DC轉換器。該器件在8引腳DIP封裝中集成了電壓基準、比較器、帶有源峰值電流限制電路的占空比受控振蕩器、驅動器和大電流輸出開關。
在6V~12V直流電源下,該電路驅動1W大功率LED以約5%的占空比短暫閃爍。通過監測VCC與輸出開關(引腳1)間放置的1Ω檢測電阻R1的壓降,即可實現對LED的限流。
1 W白光LED的最大電流能力約為350mA。在一個周期開始,C1開始充電,LED電流迅速升高,R1兩端壓降(Ipk檢測引腳IC1-7對其進行監控)隨之增加。
當該電壓相對引腳6高于330mV(即330mA)時,IC中的限流模塊提供額外電流,為定時電容C1充電。這使其很快就能達到振蕩器閾值上限,然后輸出開關將會關斷,C1開始放電。可以通過更改C1的值來改變閃爍頻率,100μF電容約可提供4Hz頻率。
由于LED只是非常短暫地閃爍,散熱問題幾乎可以忽略不計,一個星形金屬基印制電路板(MCPCB)即可滿足LED的散熱需求。

圖1:閃光燈標電路圖。

圖2:MC34063是該電路核心。
推薦閱讀:





