【導讀】過去,任意波形發生器最棘手的部分是輸出級的設計。典型信號發生器的輸出范圍在25 mV 到5 V 之間。為了驅動一個50 Ω 的負載,傳統設計采用高性能分立式器件,并聯大量集成器件,或者成本昂貴的ASIC,而要構造出穩定且可編程范圍較寬的高性能輸出級,設計師往往要投入無數小時的時間。現在,技術進步帶來的放大器可以驅動這些負載,降低輸出級的復雜性,同時還能減少成本、縮短上市時間。

圖1. 典型信號發生器模型
在使用通用信號發生器時,先輸入一個頻率,然后按下一個按鈕,最后儀器產生一個新的頻率。接下來,輸入所需輸出功率,再按下另一個按鈕。在切換內部網絡、調整輸出電平時,繼電器發出咔噠聲。這種非連續運行模式是補償寬可編程范圍缺失問題的必要條件。本文提出一種新的架構,它可以解決輸出級設計中的一半問題。
克服這個前端設計挑戰的兩個關鍵組件是:提供高速、高電壓和高輸出電流的高性能輸出級;以及帶連續線性dB 調諧的可變增益放大器(VGA)。這種設計以20MHz 的性能為目標,幅度為22.4 V(+39 dBm),負載為50 Ω。

圖2. 更小、更簡單的信號發生器輸出級
新型緊湊式輸出級
初始信號可能來自數模轉換器(DAC)以產生復雜波形,也可能來自直接數字頻率合成(DDS)器件以產生正弦波。任一情況下,其規格和功率調整能力都可能達不到理想狀態。第一個要求是用VGA提供衰減或增益。但許多VGA 提供的增益是有限的,往往不足以在本應用中發揮作用。
如果VGA 的輸出可以設為目標電平,則無論輸入為何,都可以強制輸出已知幅度。例如,如果所需輸出幅度為2 V,且功率輸出級的增益為10,則VGA 的輸出幅度應調節至0.2 V。當輸出級設計正確時,輸出幅度最終由VGA 輸出設定。不幸的是,多數VGA因可編程范圍有限而成了瓶頸問題。
AD8330是實現50 dB 范圍的首款VGA,但AD8338則樹立了新的標桿,這款新型低功耗VGA 擁有高達80 dB 的可編程范圍。典型的高品質信號發生器的輸出幅度范圍為25 mV 至5 V。高達46 dB的可調范圍超過了市面上多數現有VGA 的能力范圍。理想條件下,經典信號發生器的輸出幅度可能為0.5 mV 至5 V,無需使用繼電器或開關網絡。滿量程連續可調,不存在開關和繼電器的非連續性問題。另外,不用繼電器還可以延長儀器壽命,提高系統可靠性。
現代DAC 和DDS 器件一般搭載差分輸出,要求設計師使用一個變壓器,用單端連接損失一半信號,或者添加一個差分轉單端轉換器。AD8338 具有天然的適用性,提供全差分接口,如圖3 所示。對于正弦波應用,用DDS 取代DAC。

圖3. 把DAC 連接至AD8338 的網絡示例
AD8338 的一個主要特點是靈活的輸入級。作為一款輸入VGA,它通過ADI 研究員Barrie Gilbert 發明的"H-amp"拓撲結構來控制輸入電流。該設計用反饋來平衡輸入電流,同時使內部節點電壓維持于1.5 V。正常條件下,使用500 Ω 輸入電阻,最大1.5 V輸入信號會產生3 mA 的電流。如果輸入幅度較大,比如15 V,則將一個較大的電阻連接至"直接"輸入引腳。該電阻的大小必須合適,以得到相同的3 mA 電流:
單端15 V 信號將以差分方式輸出1.141 V。此時,最小增益條件下,AD8338 提供28.4 dB 衰減,因此,最大可能增益為+51.6 dB。作為一種低功耗器件,在1 kΩ 負載條件下,典型輸出擺幅為1.5 V。
輸入VGA 的功率必須滿足以下條件:其總增益范圍在不同設定點周圍。首先,確定信號發生器產生最大輸出需要的輸出電平。許多商用發生器為50 Ω 負載(正弦波)只提供250 mW rms (+24 dBm)的最大輸出功率。這無法滿足需要更多輸出功率的應用需求,比如測試高輸出高頻放大器、超聲脈沖發生等。
電流反饋放大器(CFA)技術的進步意味著,這不再是個問題。ADA4870CFA 可以用±20 V 電源驅動1 A(17 V)。對于正弦波,可以在滿負載條件下輸出最高23 MHz 的頻率,使其成為新一代通用任意波形/信號發生器的理想前端驅動器。
對于反射敏感型50 Ω 系統來說,ADA4870 要求一些無源器件使源阻抗與50 Ω 負載相匹配:一個阻性焊盤和一個1.5:1 RF 自動變壓器。在1 V 裕量條件下,當放大器有效負載為16 Ω 時,可取得8 W 峰值功率。另外,如果反射不構成問題,則可移除阻性焊盤,并用匝數比為0.77:1 的變壓器代替自動變壓器。無阻性焊盤地,輸出功率增至16 W峰值(28.3 V 幅度)。

圖4. ADA4870 驅動16 Ω(增益= 10)時的基本連接
為優化輸出信號擺幅,我們將ADA4870 的增益倍數配置為10,因此,所需輸入幅度為1.6 V。ADA4870 有一個單端輸入,AD8338有一個差分輸出,因此,AD8130 差分接收放大器及其270 MHz增益帶寬積和1090 V/μs 壓擺率可同時提供差分至單端轉換和所需增益。AD8338 的輸出限制為±1.0 V,因此,AD8130 必須提供1.6 V/V 的中間增益。組合起來時,三個器件形成一個完整的信號發生器輸出級。

圖5. 信號發生器輸出級
完成整個設計還需要最后兩個步驟:配置輸入網絡以實現最大輸入信號和抗混疊,設計輸出網絡以實現阻抗轉換。
AD8338 輸入網絡
對于該設計,差分輸出幅度為±1.0 V。在工廠默認設置、內部500 Ω電阻和最大增益條件下,輸入幅度一定是100 μV。通過向直接輸入引腳增加電阻,設計師可以調節該要求。由輸入電阻決定的增益范圍為:
(2)在各輸入端使用40.2 kΩ 的電阻,可以在噪聲功率與輸入衰減之間 實現良好平衡。當VGAIN = 1.1 V(最大增益)時,增益為:
(3)此時,差分輸入只需為21 mV。
當VGAIN = 0.1 V 時,增益為:
對于相同的21 mV 輸入,輸出約為100 μV。
考慮AD8130和ADA4870 的總增益,約為24.1 dB,ADA4870 的輸出幅度范圍為1.6 mV 至16 V。在阻性焊盤和自動變壓器之后,輸出端的電壓將在2 mV 到20 V 之間。
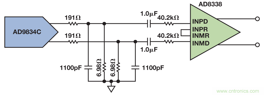
把AD8338 連接至DDS 等器件,要求考慮抗混疊和輸入衰減。例如,差分輸出AD9834CDDS 要求200 Ω 電阻接地,以實現正確的擺幅。每個輸出只會產生一半的正弦波信號,如圖6 所示。
每個輸出峰值為0.6 V,使得有效輸入為±0.6 V,所需衰減為26 dB。在使用200 Ω 電阻時,通過構建簡單的電阻分壓器,可以輕松實現衰減。由于信號擺幅并不統一,因此,信號峰值應該會達到預期衰減值。

圖6. 9834C IIOUT 和IIOUT的輸出擺幅。未顯示混疊偽像
(5)使用標準的6.98 Ω 和191 Ω 電阻值,結果會產生0.7%的誤差。
最后,需要一定的抗混疊處理。在75-MSPS 采樣速率下,奈奎斯特速率輸出為37.5 MHz,超過了該設計的20 MHz 帶寬。將抗混疊極點設為20 MHz,則所需電容為:
(6)這是一個標準值,因此,完整的輸入網絡如圖7 所示:

圖7. DDS + 衰減和濾波器網絡 + AD8338
構建該級并進行測量。總體變化在±0.6 dB 之內,如圖8 所示。

圖8. AD8338 配置的計算所得增益和實測增益
ADA4870 輸出級
在單端輸出由AD8130 提供的情況下,ADA4870 將執行最終10倍增益。設置該增益需要兩個電阻,無外部補償情況下,該級很穩定。未完成的唯一工作是調整輸出網絡,以滿足應用需求。有三種通用實現方案:
1. 從放大器直接輸出至50 Ω
2. 填充自動變壓器輸出至50 Ω
3. 未填充自動變壓器輸出至50 Ω
對于直接輸出,放大器輸出直接連接輸出連接器,無需用任何網絡來轉換源,如圖9 所示。這種方法是真直流連接源的完美選擇,雖然不能發揮出器件的全部潛力,但仍然比典型信號發生器的10 V輸出幅度要好得多。在這種情況下,最大峰值功率為5.12 W。

圖9. 直接輸出驅動連接
對于焊盤式設計,16 Ω 負載在一個8 Ω 的串聯焊盤與經濾波處理的1.5:1 自動變壓器之間分配,如圖10 所示。在該模式下,由于設計具有低阻抗特性,因此,設計師使用的電感值可以比用于50 Ω設計的電感小6.25 倍。低通濾波器和自動變壓器把8 Ω 有效源阻抗轉換成匹配良好的50 Ω 負載。這種設計方法的總峰值輸出功率為8 W,最適合需要50 Ω 匹配源的應用,在這類應用中,反射可能成為一個問題,比如,傳輸線路較長時。

圖10.焊盤式輸出設計的ADA4870 連接
在目標頻段內,對于任何反射, 輸入阻抗均表現為50 Ω
最后一個選項,也可能是信號發生器最有用的選項,不使用8 Ω焊盤,而且輸出功率提高了一倍。我們仍然建議使用LC 階梯式濾波器,如圖11 所示,但階梯值比用于50 Ω 系統(設計的標稱阻抗為16 Ω)的值小3.125 倍。在這種情況下,自動變壓器使用的匝數比為0.77:1。該模式下,峰值正弦波輸出幅度為28.3 V,ADA4870 將驅動約16 W 至50 Ω 負載(8 W rms 或39 dBm)。

圖11. 用于驅動50 Ω 負載的最佳功率輸出連接
整體解決方案
在現實世界中,如果與真實世界不相符,仿真和等式毫無意義。因此,有必要構建一個完整的系統,基于預期值測量其性能。圖12 所示為一種實際焊盤式輸出設計的原理圖。

圖12. 完整的簡化原理圖
圖13 所示為無濾波器條件下的實測結果。系統增益一致性誤差為±1 dB,最差條件下輸出功率高達2.75 W rms(5.5 W 峰值)(P1dB壓縮點,34 dBm)。值得注意的是,總增益范圍超過62 dB,范圍比許多標準發生器多16 dB。

圖13. 焊盤式、未濾波輸出功率結果。無濾波器時,系統在36 dBm時出 現一個P1dB 點。FTEST = 14.0956 MHz
增益范圍可通過改善DDS 輸出端濾波機制以及降低系統噪聲的方式提高。圖14 所示為采用濾波器時的相同測量值。濾波輸出不存在同樣的P1dB 問題,結果將滿量程+36 dBm 輸出轉換成50 Ω負載。總增益線性度更佳(≤0.65 dB),誤差僅出現在中間電平周圍。

圖14. 5 階低通濾波器的實測輸出(fc = 20 MHz)。FTEST = 14.0956 MHz
如果具體運行模式需要甚至更高的輸出功率,則針對給定應用,可以將多個輸出放大用于驅動專業變壓器。或者,可以將這里描述的設計方法用于電源較低的系統,但這些方法必須符合替代設計的限制要求。
注意,受累積輸入衰減和增益誤差影響,測量上限止于VGAIN =0.9375 V。通過調整初始衰減網絡,充分考慮總系統誤差,可以解決這個問題。校正后,總系統增益范圍將增至74 dB。
結論
配合高性能VGA 使用高性能、高輸出CFA,可以為新一代信號發生器構建出一種簡單前端。這些器件的高度集成可以降低PCB電路板的總面積和成本。
要獲得更多功能,可以在閉環反饋系統中使用AD8310等對數放大器。增加對數放大器后,配合AD9834C 等DDS,設計師可以集成各種形式的包絡調制,如頻移鍵控(FSK)、開關鍵控(OOK)和相移鍵控(PSK),將其作為一項內在功能;通過創造性地使用兩個基本模塊,實現不盡其數的選項。
參考電路
電流反饋放大器。
對數放大器/檢測器。
Signal Synthesis.
可變增益放大器(VGA)。
MT-034 指南,電流反饋(CFB)運算放大器。
MT-057 指南,高速電流反饋運算放大器。
MT-060 指南,在電壓反饋和電流反饋運算放大器之間選擇。
MT-072 指南,精密可變增益放大器。
MT-073 指南,高速可變增益放大器。
推薦閱讀:




