【導讀】SPI是一種非常有用且靈活的標準,但它的靈活性來源于它的簡潔。四個單向中等速度隔離通道將處理時鐘速率為數MHz的SPI。而設計人員放棄的是諸如中斷服務支持等功能,以及諸如復位功能或從非SPI支持報警功能等直接通信通道。其結果是,頻繁使用SPI的接口具有并行工作的額外GPIO線路,以便處理這些功能。隔離SPI時,所有這些線路也都需要隔離。
很多情況下,額外通信不需要高速,因此設計人員便從認證器件列表上選用幾個光耦合器,而不再使用SPI所需的高速數字隔離器。但是,光耦合器不如數字隔離器那么容易設計,尤其是簡單的低速光耦合器。設計師也許需要上一堂“光耦合器電流傳輸比(CTR)如何隨時間和溫度變化而變,以及它如何影響應用速度”的速成課。如果多個方向需要額外的通信,那么就需要使用多個封裝,因為如果光耦合器是一個多通道器件,則其通道就必須沿同一個方向傳輸數據。隨著設計的逐步展開,尺寸、成本和時間投入便會快速增加。
使用基于iCoupler?數字隔離器的隔離SPI
使用四通道高速數字或光學隔離可輕松隔離SPI總線。四通道數字隔離器能以緊湊的尺寸實現隔離,且通常支持5 MHz至10 MHz SPI時鐘速率。無論基于集成式微變壓器、電容或光耦合器,都需要跨越隔離柵傳輸信號。在電流隔離技術中,有兩種主要的編碼方案可以耦合輸入信號:邊沿編碼和電平編碼。電平編碼方案允許采用傳播延遲較低的隔離器,并且一般而言空閑時的功耗更高,時序性能(抖動和PWM)較差。另一方面,邊沿編碼方案功耗較低,且時序性能較好。然而,很多基于邊沿的部署具有較長的傳播延遲,從而限制了SPI總線的時鐘速度。我們將探索消除這種限制以及實現極高性能SPI總線隔離的技巧。
在邊沿編碼方案中,輸入數字轉換跨越隔離柵進行編碼。然后,通過解碼這些轉換信號,在輸出端再現數字輸入。圖1中的示例波形(A類)顯示如何對輸入邊沿進行差分編碼。上升和下降輸入轉換分別編碼為窄正脈沖和負脈沖。
只要數字輸入正在切換,信號就會正常傳輸,但如果發生輸入至輸出直流電平失配,則失配會一直存在,除非對其進行校正。這在數據通道空閑時上電最為明顯;無信號跨越隔離柵進行輸入引腳直流狀態通信,且邊沿傳輸前啟動狀態可能不匹配輸入數據。為了解決這個問題,邊沿編碼方案采用了某種形式的“刷新”電路,確保在輸出端進行直流校正。在輸入靜止的預設時間(TREFRESH)之后,通過周期性跨越隔離柵傳輸最后一次轉換可實現刷新。圖1還顯示了示例邊沿編碼方案中的刷新(B類波形)。

圖1. 跨越隔離柵的編碼波形示例。A類和B類分別為帶與不帶刷新信號的編碼波形。
在該波形上,哪怕輸入信號未在上升沿和下降沿之間轉換,多個編碼上升轉換也會跨越隔離柵傳輸,以便刷新接收器狀態并確保接收器處于高電平狀態。顯然,除了確保上電時具有正確的輸出狀態,刷新電路還有助于校正輸出狀態(若輸出遭破壞并與輸入狀態不同步)。由于編碼數據持續傳輸,該方案產生空閑功耗。由于在邊沿編碼方案中要求刷新,了解該方案固有的時序影響很重要。從圖1中的波形可知,輸入轉換和刷新信號均通過同樣的隔離通道傳輸,但時間獨立。輸入信號完全異步于內部刷新生成電路,因而刷新上一次轉換傳輸的同時可能發生輸入轉換。這可能會在接收器端損害時序,導致邏輯錯誤。為了避免這種時序沖突錯誤,會要求刷新電路的信號路徑增加一定的“預判”延遲。
該延遲可確保跨越隔離柵的編碼信號之間具有最小隔離,從而允許接收器明確解碼一切編碼傳輸序列。缺點是隨著速度的增加,這種延遲會大幅增加隔離器的傳播延遲,進而限制滿足SPI時序要求的能力。
幸運的是,這種限制是可以解決的。如果輸入轉換和刷新狀態通過不同的隔離元件傳輸,并且隨后在輸出端匯合,則無需任何預判延遲,且伴隨著時序性能的下降。將此構想擴展至多通道隔離器,則所有通道的刷新狀態可在單個隔離通道內時間多路復用,然后解復用并與相應輸出合并。基本上,輸入狀態經采樣、封裝后,以串行方式跨越隔離柵傳輸。接收器持續跟蹤輸入直流狀態,然后根據輸入保持非活動的時間決定使用直流狀態或是最后一次輸入轉換來更新輸出。由于僅有一個額外的數字隔離器通道搭載全部刷新狀態,因此可以釋放所有輸入通道的預判延遲,并使其僅搭載輸入開關信息,從而大幅改善傳播延遲。圖2顯示了這一構想。

圖2. 搭載輸入1和輸入2刷新時間多路復用的專用第三隔離通道功能框圖。
ADI SPIsolator?系列高速數字隔離器采用該方案實現SPI通道的極低傳播延遲,從而實現高達17 MHz的高帶寬隔離SPI總線部署。額外的隔離器通道搭載刷新信息,并通過將數據時間多路復用至跨越隔離柵來回傳輸的數據包中,實現傳輸各種其他低吞吐率信號的額外用途。這樣可以實現除SPI串行數據位以外的其他通信,從而獲得功能多樣化且高度集成的隔離式SPI總線。
帶輔助數據通道的SPI
SPIsolator產品系列中的部分型號在多路復用刷新通道上集成三個250 kbps輔助數字通道。三個不同的產品型號允許針對這些輔助通道進行多通道方向配置。哪怕輔助通道異步,它們也會在通過單隔離通道傳輸前進行采樣和數據包封裝。這些輔助通道的傳播延遲變化量最高可達2.6 μs,具體取決于通道輸入何時根據內部采樣時鐘切換。對異步輔助信號進行采樣和串行化還能將其與內部采樣時鐘同步。如果慢信號之間具有精確的時序很重要,那么這可能導致時序問題,對于1.2 μs或更短時間窗口內的精度而言更是如此。幸運的是,典型SPI總線周圍僅有極少數輔助信號之間要求具備如此精確的時序關系。更為重要的是,該低速數據系統經過仔細設計,可保留(多個異步通道的)邊沿階數——只要邊沿由至少一個最小偏斜隔離(VIXSKEW)。換言之,如果某個邊沿在輸入端超前另一個邊沿,則隔離器不會反轉階數。
通用SPI接口示例

圖3. 采用多種技術實現補充功能的典型SPI應用。
圖3是一個典型SPI應用,該應用要求1 MHz SCLK、四線式SPI以及三個用于中斷、電源良好和復位的額外信號。低速通道可能僅需40 μs傳播延遲。選擇這些參數,以便檢查所有元器件選項。時序處于所有主要類型隔離器的能力范圍內,因此可以獨立于性能之外比較解決方案尺寸與成本的集成效應。以下提供部分實施選項:
1) 使用全部光耦合器
2) 針對慢信號通道的SPI和光耦合器使用數字隔離器
3) 使用全集成式數字隔離器,比如ADI SPIsolator
就原理圖而言,這些解決方案大致相似。然而,如果仔細看圖4的話,可以發現IC如何在PCB上布局。紅框大致框出了隔離元器件所需的范圍,以及允許放置無源器件的位置。
以混合速度光耦合器解決方案為基準,很多設計人員會試圖將標準數字隔離器與成本極低的光耦合器組合,并以為那就是性價比最高的低速信號采樣實現方法。解決方案之間很大一部分的差異是因為數字隔離器允許在單個封裝內混合通道方向,避免了大量的封裝開銷。混合技術解決方案可能具有較高的性價比,但額外犧牲了設計時間,并產生穩定性問題。廉價的光耦合器速度很慢,且由于結構簡單而需要細研究考量才能成功完成設計。必須非常仔細確保它們隨時間和溫度變化的穩定性,同時盡可能降低功耗。
從光耦合器解決方案轉為完全集成式解決方案(比如ADI ADuM3152 SPIsolator的集成式解決方案內置通道間速度差和脈沖階數反轉保護功能,無設計開銷、無需占用額外的電路板空間。集成式解決方案的低速通道還支持遠高于單個晶體管光耦合器的數據速率。集成式解決方案的成本遠低于光耦合器解決方案的一半,并且相比分立式光耦合器每通道具有更低的低速通道成本。考慮到SPI性能,則ADuM3152數字隔離解決方案可支持高達17 MHz時鐘速率的SPI,因為其傳播延遲極短;而光耦合器的“快速”通道能以合理的成本在最高3 MHz頻率下工作。

圖4. 采用光耦合器實現補充功能的典型SPI應用。
解復用SSB以控制多達4個從機
在ADuM3154產品的變體中,250 kbps、低速、雙通道地址總線用來控制隔離式從機選擇地址線(SSx),允許在最短2.6 μs時間內改變目標從機器件。圖6中的部署使用了通用隔離器和ADuM3154。圖5顯示了SSx如何跟隨地址位(SSAx)的改變而轉換。
ADuM3154使用2位地址總線將主機-從機選擇(MSS)路由至四個從機之一。這些地址總線位都是慢速信號,它們再次綁定四個常用高速SPI通道的刷新狀態。 就像刷新狀態,地址位經采樣、封包后,以串行方式跨越隔離柵傳輸。在從機側對數據包進行去串行處理,地址位用來解復用MSS。解復用器將在2.6 μs內將MSS信號路由至所需從機,具體時間取決地址總線何時相對于內部采樣時鐘進行切換。地址位是總線的一部分,必須互相同步。采樣和串行化期間必須非常謹慎,以保證這些地址位在輸出側互相保持同步,尤其是從某個選定的從機轉換至另一個從機時。

圖5. 從機選擇地址位SSAx選擇四個從機之一(即SSx)。
多從機SPI接口示例
一個常見的SPI設計要求是與共享同一個SPI總線的多個從機器件對話。這可以通過多種方式實現。如果數據同時從所有次級端器件采樣而來,并且所有數據的每一幀都傳輸,則最簡單的方法是采用菊花鏈將器件連接起來,并將整個鏈路上的所有器件信號通過單個隔離端口順序移出。但如果數據采集序列不固定,則每一個SPI從機都必須單獨尋址。這就為隔離式接口提出了特定的挑戰。
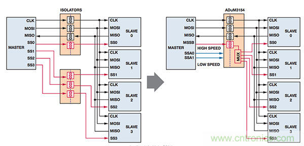
如果每一個從機都必須獨立尋址,則每個器件都必須有獨立的從機選擇線。很多情況下,從機選擇不僅選擇特定目標用于SPI通信,還會發起ADC轉換(舉例而言),因此該條線路還必須具有高度精確的時序性能。在很多部署中,這就要求提供額外的隔離通道,并具有與時鐘通道相當的速度,以保留時序。一
款四通道隔離SPI設計如圖6所示;圖中,標準四通道高速隔離采用三個額外的高速隔離通道予以加強。
從機選擇的另一種方法如圖6右半部分所示。在次級端使用一個多路復用器,而較低速度的隔離選擇線可用來選擇目標。必須謹慎切換多路復用控制線,以防它們在時序略為失配時躍遷至不正確的中間狀態。該方案采用SPIsolator器件所提供的低速通道實現,并且由于應用定義良好,因此可以內部構建對于不確定狀態的保護,防止小的時序誤差造成瞬時輸出狀態。

圖6. 典型多從機SPI應用。
在最終分析中,若無論何種技術都能達到性能要求,則最佳設計選擇便出于容易部署、尺寸和成本考慮。圖7顯示了三種可能的部署,從左到右依次是:使用7個隔離通道的簡單光耦合器、使用數字隔離器的同一款方案、使用SPIsolator集成式多路復用器功能的方案。光耦合器解決方案尺寸最大,數字隔離器尺寸是前者的72%,而SPIsolator僅占PCB尺寸面積的36%。三個解決方案的成本對比也和面積類似,SPIsolator方案的成本相比其他方案大幅降低。

圖7. 采用光耦合器實現補充功能的典型SPI應用。
結論
設計高性能隔離式SPI解決方案時,SPIsolator產品系列可以通過多路復用控制通道來支持高速SPI,其傳播延遲極低,且輔助功能的集成度極高。該SPI通道組合包含補充功能,具有方便的高度集成式隔離SPI總線設計,同時縮短設計時間,降低成本和電路板占位空間。
推薦閱讀:


