【導讀】本文將闡述為何非隔離式DC-DC降壓轉換器(在本文中簡稱為降壓轉換器)在高輸出電流下將高DC輸入電壓轉換為很低的輸出電壓時會面臨嚴峻挑戰,并介紹可以實現高降壓比,同時保持小尺寸的三種不同方法。
本文將闡述為何非隔離式DC-DC降壓轉換器(在本文中簡稱為降壓轉換器)在高輸出電流下將高DC輸入電壓轉換為很低的輸出電壓時會面臨嚴峻挑戰,并介紹可以實現高降壓比,同時保持小尺寸的三種不同方法。
系統設計人員可能會面臨以下挑戰:在高輸出電流下將高DC輸入電壓下變頻為極低輸出電壓(例如在3.5 A時從60 V降至3.3 V),同時保持系統的高效率、小尺寸并實現簡單設計。
將高輸入-輸出電壓差值與高電流結合使用,會因為功耗過高自動將線性穩壓器排除在外。因此,設計人員必須在這些條件下選擇開關拓撲。但是,即使使用這種拓撲,對于空間有限的應用要實現足夠緊湊的設計仍然相當困難。
DC-DC降壓轉換器面臨的挑戰
要實現高降壓比,一種方案是使用降壓轉換器,因為它是將輸入電壓高效降至更低的輸出電壓(例如,VIN = 12 V降至VOUT = 3.3 V)、仍然具有大量電流,且保持小尺寸的一種拓撲選項。但是,在某些情況下,降壓轉換器要保持輸出電壓穩定,會面臨嚴峻的挑戰。為了理解這些挑戰,我們需要記住,在連續導通模式(CCM)下工作的降壓轉換器的占空比(D)可簡化為:
占空比和開關頻率(fSW)的關系如下所示,其中導通時間(tON)是指在每次開關期間(T),控制FET保持開啟的時長:
結合公式1和公式2可以看出,tON如何受降壓比和fSW的影響:
從公式3可以看出,當輸入-輸出電壓比(VIN?VOUT)和?或fSW增大時,導通時間會降低。這意味著降壓轉換器必須能夠以很低的導通時間運行,以便在高VIN?VOUT比率下調節CCM中的輸出電壓,而在高fSW下這會更難實現。
我們假設在一個應用中,VIN(MAX) = 60 V,VOUT = 3.3 V,IOUT(MAX) = 3.5 A。在必要時,我們需要使用 LT8641 數據手冊中的數值,因為在之后的章節中,我們將提供采用LT8641的解決方案。所需的最小導通時間(tON(MIN))對應最高輸入電壓(VIN(MAX))。為了評估這個tON(MIN),建議提高公式3的準確度。通過包含降壓轉換器的兩個功率MOSFET的壓降VSW(BOT)和VSW(TOP),并用VIN(MAX)替代VIN,我們得出:
通過在公式4中使用VIN(MAX)、fSW = 1 MHz,我們得出tON(MIN)為61 ns。為了計算VSW(BOT)和VSW(TOP),我們使用了LT8641數據手冊中提供的RDS(ON)(BOT) 和RDS(ON)(TOP)值,且已知VSW(BOT) = RDS(ON)(BOT) × IOUT(MAX),VSW(TOP) = RDS(ON)(TOP) × IOUT(MAX)。從上述公式可得到61 ns的數值,這樣短的時間數值,降壓轉換器很難保證tON(MIN);所以,系統設計人員不得不尋找可替代的拓撲。目前提供三種可實現高降壓比的可行解決方案。
從上述公式可得到61 ns的數值,這樣短的時間數值,降壓轉換器很難保證tON(MIN);所以,系統設計人員不得不尋找可替代的拓撲。目前提供三種可實現高降壓比的可行解決方案。
三種緊湊型解決方案
解決方案1:使用LT3748非光耦反激式變壓器
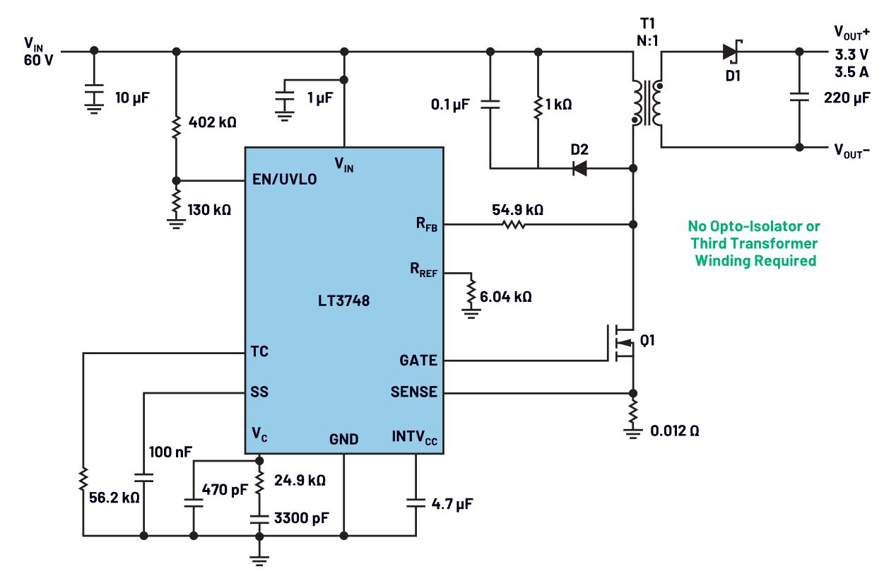
第一種選擇是使用隔離拓撲,變壓器具有N:1匝數比,負責執行大部分下變頻。為此,ADI公司提供反激式控制器,例如LT3748,該控制器不需要第三個變壓器繞組或光隔離器,使設計更簡單,更緊湊。圖1顯示適用于這種情況的 LT3748 解決方案。
盡管與標準反激式設計相比,LT3748解決方案簡化了設計并節省了空間,但仍然需要使用變壓器。對于無需隔離輸入端和輸出端的應用,最好是避免使用該組件,相比非隔離解決方案,該組件會增加設計復雜性和增大尺寸。
解決方案2:使用LTM8073和LTM4624 μModule器件
作為一種替代方案,設計人員可以通過兩個步驟進行下變頻。要實現更少的組件數量(僅為10個),可以使用2個μModule?器件和8個外部組件,如圖2所示。此外,這兩款μModule器件已集成各自的功率電感,為系統工程師免除了一項困難的設計任務。LTM8073 和 LTM4624 均采用BGA封裝,尺寸分別為9 mm × 6.25 mm × 3.32 mm和6.25 mm × 6.25 mm × 5.01 mm (L × W × H),可提供小尺寸解決方案。
由于在這些條件下LTM4624展現的效率為89%,LTM8073最多為LTM4624的輸入端提供1.1 A。由于LTM8073可以提供高達3 A輸出電流,因此可用來為其他電源軌供電。為此,在圖2中,我們選擇12 V作為中間電壓(VINT)。
盡管應避免使用變壓器,但有些設計人員可能不愿使用需要兩個獨立的降壓轉換器的解決方案,尤其是無需采用中間電壓為其他電源軌供電的情況下。
解決方案3:使用LT8641降壓轉換器
所以,在許多情況下,使用單個降壓轉換器成為首選,因為它是比較理想的解決方案,具有系統效率高、小尺寸和設計簡單的特點。但是,我們前面不是展示降壓轉換器無法應對高VIN?VOUT和高fSW嗎?
這個說法可能適用于大部分降壓轉換器,但并非全部。ADI產品系列中包含LT8641之類降壓轉換器,在整個工作溫度范圍內,它具有較短的最低導通時間,一般為35 ns(最大50 ns)。這些規格都在之前計算得出的61 ns最小導通時間以下,為我們提供了第3種可行的緊湊型解決方案。圖3顯示LT8641電路有多么簡單。
還有一點值得注意,LT8641解決方案可能是3種解決方案中最高效的。事實上,如果與圖3相比必須進一步優化效率,我們可以降低fSW并選擇更大的電感尺寸。
盡管也可以通過解決方案2來降低fSW,但集成功率電感后無法靈活提高效率,達到高于某個點的目標。此外,使用兩個連續下變頻級對效率的負面影響較小。
在使用解決方案1時,由于在邊界模式下運行,以及在非光學反饋設計中移除了所有組件,因此反激式設計的效率非常高。但是,效率不能完全優化,因為可選的變壓器數量有限,而解決方案3則有廣泛的電感產品系列可供選擇。
圖 1. 采用 LT3748 的電路解決方案,將 60 V 輸入下變頻至 3.3 V 輸出。
圖 2. 采用 LTM8073 和 LTM4624 的電路解決方案,將 60 V 輸入下變頻至3.3 V 輸出。
圖 3. 采用 LT8641 的電路解決方案,將 60 V 輸入下變頻至 3.3 V 輸出。
檢查LT8641是否滿足要求的另一種方法
在大多數應用中,公式4中唯一可調的參數是開關頻率。因此,我們重新變換公式4,以評估LT8641在給定條件下允許的最大fSW。于是,我們得到公式5,LT8641數據手冊的第16頁也提供了這個公式。
我們在以下示例中使用此公式:VIN = 48 V,VOUT = 3.3 V,IOUT(MAX) = 1.5 A, fSW = 2 MHz。汽車和工業應用中經常使用48 V輸入電壓。在公式5中代入這些條件后,我們得出:
因此,在給定的應用條件下,在fSW高達2.12 MHz時,LT8641能夠安全運行,證實LT8641是適合此應用的一個不錯的選擇。
結論
本文提出了三種不同的方法,以在高降壓比下實現緊湊型設計。LT3748反激式解決方案不需要使用笨重的光隔離器,推薦用于需要隔離輸入端和輸出端的設計。第2種方法需要使用LTM8073和LTM4624 μModule器件,當設計人員為應用選擇最佳電感猶豫不決,以及?或何時必須提供額外的中間電源軌時,這種解決方案會非常有用。第3種方法基于LT8641降壓轉換器進行設計,如果只是要求實現陡電壓下變頻時,可提供緊湊且簡單的解決方案。
文章來源:亞德諾半導體
免責聲明:本文為轉載文章,轉載此文目的在于傳遞更多信息,版權歸原作者所有。本文所用視頻、圖片、文字如涉及作品版權問題,請聯系小編進行處理。
推薦閱讀:
意法半導體碳化硅數位電源解決方案被肯微科技采用于服務器電源供應器設計及應用





