【導讀】SiC器件的快速開關特性包括高頻率,要求測量信號的精度至少達到100MHz或更高帶寬 (BW),這需要使用額定500MHz或更高頻率的示波器和探頭。在本文中,寬禁帶功率器件供應商Qorvo與Tektronix合作,基于實際的SiC被測器件 (DUT),描述了實用的解決方案。
我們將高功率SiC器件定義為處理1kV和100A范圍內的器件,這相當于100kW的功率。SiC晶體管處理和服務的高電壓、高電流和快速開關系統的性質帶來了許多在普通5V或12V系統中不會出現的挑戰。例如:
100A量級的電流會將印刷電路板 (PCB) 導線暴露為寄生電阻元件,從而產生顯著的IR壓降。
1000V量級的電壓會使微小的寄生電容儲存大量電荷,從而在開關操作中導致顯著的功率損耗。
SiC器件的快速開關能力使所有導體元件表現為寄生電感元件,從而在開關操作中引發不必要的反電勢電壓突波。
根據Maxwell的理論,快速開關的電容器和電感器會產生電磁活動,例如EMI/EMC。
高功率測量需要使用體積較大的探頭和堅固的電纜進行穩固的探測,但上述挑戰要求連接長度盡可能短。此外,處理這些龐大的探頭和電纜時,還需注意安全,以避免短路事件或損壞。因此,測試設置必須保持整潔和簡化。
上述反電勢電壓突波輕松達到50V至60V,這超出了大多數測量設備從地面測量的最大允許峰值電壓限制。這使得在測試設置中選擇合適的“測量接地平面”變得更加困難。
SiC器件的快速開關特性包括高頻率,要求測量信號的精度至少達到100MHz或更高帶寬 (BW),這需要使用額定500MHz或更高頻率的示波器和探頭。在本文中,寬禁帶功率器件供應商Qorvo與Tektronix合作,基于實際的SiC被測器件 (DUT),描述了實用的解決方案。

圖 1. Qorvo 提供具有極低 R 的高電壓、大電流 SiC FETDS 系列(開)。
雙脈沖測試 (DPT) 概述
為了完全驗證基于SiC或GaN的寬禁帶 (WBG) 器件,需要進行靜態和動態測量。測量WBG器件的開關參數和二極管反向恢復參數的首選測試方法是雙脈沖測試 (DPT)。
雙脈沖測試是一種行業標準技術,用于在被測器件 (DUT) 的開啟、關閉以及反向恢復過程中測量一系列重要參數。基本測試設置如圖2所示。假設高側和低側使用相同的晶體管器件,高側晶體管可以保持關閉狀態,從而可以測量開關損耗和反向恢復損耗。為了確定電路中的DPT開關參數,需要觀察低側器件的 VDS、ID和VGS。二極管的反向恢復參數則通過測量高側器件的ID和VDS來確定。DPT設置必須向隔離柵極驅動器生成至少兩個不同脈寬的脈沖,以觸發 FET 或IGBT并控制電流的導通。這些脈沖可以通過任意波形發生器 (AFG) 生成。圖2是簡化的示意圖,未顯示柵極驅動器。在實際應用中,AFG通常會連接隔離柵極驅動器,如圖4所示。圖3展示了DPT波形的示例。

圖2:在低側DPT測試中,高側FET關閉,低側FET開關。此簡化設置展示了信號流的基本情況。在實際測試設置中,功能發生器會驅動一個隔離柵極驅動器(詳見圖4的詳細電路)。

圖 3:FET或雙極晶體管測試的概念性DPT波形。左側顯示低側柵極信號。在第一階段,DUT導通,電流(右圖紅色部分)通過電感器建立;在第二階段,DUT關閉;在第三階段,DUT再次導通——電流出現瞬時尖峰,因為高側二極管的電流發生反向,然后電流通過電感器繼續增加,直到DUT再次關閉。
Qorvo的測試設置
在對100kW范圍內的DUT進行測試時,我們最關心的是操作人員在執行DPT測量時的安全。在建立可重復、可靠的DPT電路板和設置之前,驗證概念原型時的安全措施尤為重要。最有效的安全策略是通過移除如電纜和探頭頭部等雜亂元件,保持測試設置簡潔。
作為6系列MSO示波器的用戶,Qorvo發現幾乎所有必要的測量都可以通過6系列MSO和安裝的AFG選件完成。簡而言之,6系列MSO的內置AFG可以從其后面板生成雙脈沖,同時其輸入端的探頭可以收集信號信息。

圖4:DPT設置,Qorvo的方法。隔離高側柵極驅動器的輸入接地,并向高側FET提供-3V電壓以保持其關閉。低側隔離柵極驅動器由示波器的 AFG 輸出提供信號,控制低側FET的開啟(+15V)和關閉(-3V)。TIVP1 IsoVu光學隔離探頭直接連接到電流觀測電阻 (CVR),以盡可能減少電氣布線的方式測量ID-LOW引起的電壓降。

圖5:Qorvo測試設置的照片,放置在防護箱中。
采用建議的6系列MSO DPT設置的優勢包括:
? 輕松識別測量接地:
6系列MSO內部的所有接地都連接到底盤(地球)接地,包括:
- AFG輸出BNC電纜接地
- 任何非隔離探頭的接地(屏蔽/引線)
? 簡化布線/電纜連接
? 通過PC進行全遠程控制:
6系列MSO可以通過PC完全遠程控制,這不僅使探頭電纜保持較短,還允許測試工程師在高能量測試過程中與測試系統保持安全距離。
為了完成測量設置并利用6系列MSO的AFG選件,必須開發一種方法,在AFG上生成DPT柵極驅動信號。
使用任意波形作為柵極驅動信號
本文提供了一種編程方法,通過6系列MSO的內置AFG自動生成柵極驅動信號。建議使用這種自動化方法以提升速度、靈活性和可重復性。然而,為了理解程序操作過程,回顧手動操作步驟及其對應的儀器命令仍然很有價值。
定義DPT信號時, 需要兩個不同脈寬的脈沖,第一個較長的脈沖為線圈充電至目標電流,第二個較短的脈沖在線圈電流衰減之前啟用導通測量。要在AFG上生成此類信號,可定義一個具有正確脈沖寬度的自定義波形。該自定義波形需以Tektronix的“.wfm”或“.csv”格式保存,可通過Microsoft Excel等電子表格軟件構建。通過指定時間和電壓對(X,Y)構建分段線性數據格式,并將文件保存為“.csv”文件。
6系列MSO的AFG選件可發送指定重復次數的突發序列。從前面板操作時,可通過AFG輸出控制選擇突發模式,并設置周期數。在此案例中,我們將使用AFG的任意波形功能定義完整的DPT柵極驅動信號(見圖6),并設置突發模式以輸出1個信號周期。
要配置AFG使用自定義波形,必須將波形類型設置為“任意”,并選擇為測試定義的自定義波形文件。高電平和低電平以及周期可根據具體測試進行調整。
盡管可以手動執行這些操作,但手動調整脈沖寬度和加載自定義波形文件非常不便。Qorvo開發的一款程序極大地簡化了波形規范和AFG設置。

圖6:AFG設置對話框。對于DPT,使用任意波形提供柵極驅動信號。
將示波器連接到PC
為了增加測試設置與操作員之間的物理距離并提高安全性,可以通過以太網LAN或USB將6系列MSO連接到PC。通過LAN連接時,未安裝Windows的6系列MSO可通過e*Scope Web服務器輕松實現遠程控制。安裝了 Windows 的儀器可以通過遠程桌面進行控制。除了這種遠程控制功能外,LAN連接還可用于上傳本文檔中介紹的“.csv”文件到示波器,并生成DPT信號。
6系列MSO還可以通過USB通信,本文中介紹的DPT程序也可以通過USB使用。然而,通過USB無法使用e*Scope遠程接口。以下部分提供了使用LAN和USB的示例。
DPT程序使用PyVISA Python庫,該庫支持大多數儀器接口。因此,可以將代碼調整為通過RS-232或GPIB等其他接口支持其他儀器。
實際測試運行示例及測量
在實際DUT上執行DPT程序的過程中所有6系列MSO的屏幕截圖均來自使用Qorvo的DPT測試板作為DUT的測試。DUT和DPT設置的相關信息如下:
DUT:Qorvo的1200V SiC共源極器件
柵極驅動:+15V和-3V,雙極性驅動
DC電源母線電壓:500 V
電感器:300mH手工纏繞線圈
高側FET:不驅動,保持二極管導通模式
通道配置:
- CH1:使用TPP1000探頭通過MMCX SMD連接器測量柵極-源極電壓
- CH2:通過5mΩ電流測量電阻(CVR)和TIVP1 IsoVu 1 GHz光學隔離電壓探頭測量漏極電流
- CH3:使用THDP0100高電壓差分探頭(6kV范圍)測量漏極-源極電壓
- CH4:通過Rogowski電流探頭測量線圈電流

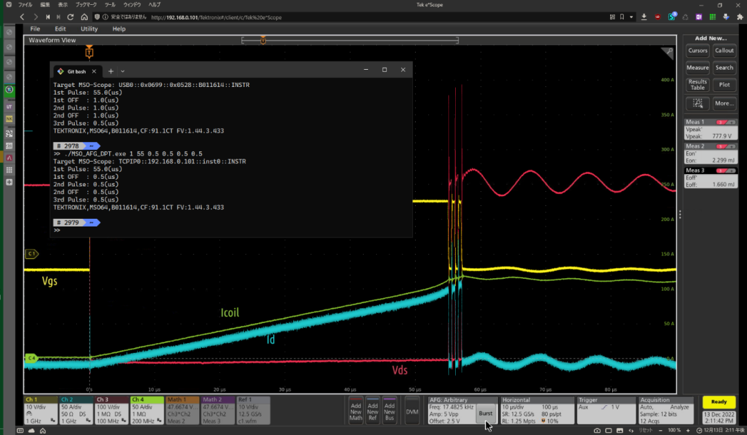
圖13:技術細節的DPT示例。
運行帶有參數 “1 55 0.5 0.5 0.5 0.5”的程序后,如圖13所示,AFG加載完成并準備進行三脈沖測試。

圖14: 程序運行后的AFG對話框,顯示由程序配置的設置
在圖14中的對話框中,我們可以確認程序設置了以下參數(從左上到右下):
突發模式:已選擇
突發計數:設置為1
任意波形:已選擇
臨時CSV文件:已選擇
周期:設置為57.2微秒(儀器計算的頻率為17.48kHz)。57.2微秒的周期由以下部分構成:
- 0.1微秒的起始時間(關閉)
- 55微秒的第一個脈沖寬度
- 0.5微秒的第一個關閉時間
- 0.5微秒的第二個脈沖寬度
- 0.5微秒的第二個關閉時間
- 0.5微秒的第三個脈沖寬度
- 0.1微秒的結束時間(關閉)
高電平和低電平:分別設置為5V和0V(儀器計算的振幅為5Vpp,偏置為2.5V)。
負載阻抗:設置為高阻抗(High Z)。
無添加噪聲

圖15:放大后的波形顯示三脈沖DPT的結果。使用6系列MSO上的WBG-DPT軟件計算的VDS_peak、ID_peak、EON和EOFF測量值顯示在測量標牌中。
需要注意的是,為了獲得準確的能量損耗測量結果,必須消除電流和電壓探頭之間的偏移(去偏)。這一操作已在圖15所示的測試運行之前完成。VDS_peak、ID_peak、EON和EOFF測量值是通過6系列MSO的WBG-DPT雙脈沖測量軟件包完成的(下一節會詳細介紹)。最重要的是,我們可以看到Qorvo的DUT在1MHz PWM開關頻率下硬開關了100A 電流,并保持了干凈的方波脈沖形狀。
自動化DPT測量
在完成系統配置后,需要考慮實際的開關測量。如圖15所示的能量損耗測量可以通過示波器上的數學功能定義。然而,圖15中顯示的測量結果是使用6系列MSO上的WBG-DPT雙脈沖測試軟件完成的。該自動化DPT測試軟件包符合JEDEC和IEC標準,適用于SiC/GaN MOSFET等寬禁帶 (WBG) 器件以及 IGBT 的 DPT 測試。
此外,Tektronix和Keithley提供獨立的任意波形發生器和直流電源,以補充雙脈沖測試的完整解決方案。

圖16:適用于4/5/6系列MSO的WBG-DPT選項,可自動化雙脈沖測試的測量,包括開關參數、時間、二極管恢復和電容分析。

圖17:WBG-DPT軟件包自動設置功率波形和積分,以提供能量損耗測量,例如圖中詳細顯示的EON測量值。
總結
正如本應用筆記中所示,5系列或6系列MSO的內部AFG可用于生成雙脈沖信號,同時示波器采集信號。專門設計的雙脈沖測試軟件 (WBG-DPT) 有助于簡化關鍵測量過程,利用示波器的內部AFG生成雙脈沖柵極驅動信號,為雙脈沖測試提供了有效的解決方案。這種方法簡化了雙脈沖測試并降低了系統成本,同時減少了接地點的數量。此外,測試可以完全通過遠程控制進行,這使得工程師能夠在高電壓、高電流的DUT環境下與測試系統保持安全距離。
關于泰克科技
泰克公司總部位于美國俄勒岡州畢佛頓市,致力提供創新、精確、操作簡便的測試、測量和監測解決方案,解決各種問題,釋放洞察力,推動創新能力。70多年來,泰克一直走在數字時代前沿。
免責聲明:本文為轉載文章,轉載此文目的在于傳遞更多信息,版權歸原作者所有。本文所用視頻、圖片、文字如涉及作品版權問題,請聯系小編進行處理。
推薦閱讀:
功率器件熱設計基礎(十三)——使用熱系數Ψth(j-top)獲取結溫信息





