【導讀】變頻器怎么接線?變頻器主電路和控制電路接線流程是怎樣的?接下來本文將為大家一一介紹。
一、變頻器主電路的接線流程
1、當我們拿到變頻器,擠壓變頻器兩側凹槽,打開上蓋,取下擋線板,變頻器的R, S, T端子接電源線,U, V, W端子接電機線,地線符號處接地線。
2、我們將電源線的黃、綠、紅按照順序接到R, S, T端子處。

R, S, T端子接電源線
3、將電機線按照黃、綠、紅按照順序接到U, V, W端子處。

U, V, W端子接電機線
4、接線完成后,要注意檢查電源線、電機線是否接錯,端子壓接是帶牢靠,電源線、電機線有無老化、破損、漏接的情況,接線 完成后,安裝變頻器擋線板,安裝變頻器上蓋,打開電源開關給變頻器供電,變頻器顯示50HZ,變頻器可以正常操作了。
二、變頻器控制電路的接線流程
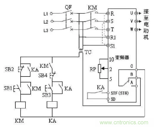
1、如圖所示,R是剎車電阻,R、S、T 分別是電源進線的輸入端子,變頻器輸出端子U、V、W是用來接到電動機上的。

典型的變頻器接線圖
2、S1是正轉端子,S2是反轉端子,S3是異常、停止端子,S5、S6、S7分別是多段速端子,R1A、R1B、R1C分別是故障常開、常閉與公共點,R2A與R2C是頻率檢出端子。
3、找到變頻器的控制端子,在外面加裝2個中間繼電器,分別是KA1與KA2,接線方法如下圖所示,KA1工作時,變頻器正轉,KA2工作時,變頻器反轉,SB是復位按鈕,當有異常報警時,變頻器會停機,此時按下RST,可以消除報警,然后再重新啟動變頻器。

正反轉的接線方法
4、如果有電位器,接線方法如下圖所示,電位器的輸出分別接到變頻器的10、2、3個端子中,這個是輸出接模擬量輸入,當調節電位器的旋鈕時,變頻器的頻率會相應的跟著變化。

電位器的接線方法
變頻調速器怎么接線?變頻調速器主電路和控制電路接線方法
一、主電路的接線
1、電源應接到變頻調速器輸入端R、S、T接線端子上,一定不能接到變頻調速器輸出端(U、V、W)上,否則將損壞變頻調速器。接線后,零碎線頭必須清除干凈,零碎線頭可能造成異常,失靈和故障,必須始終保持變頻調速器清潔。在控制臺上打孔時,要注意不要使碎片粉末等進入變頻調速器中。
2、在端子+,PR間,不要連接除建議的制動電阻器選件以外的東西,或絕對不要短路。
3、電磁波干擾,變頻調速器輸入/輸出(主回路)包含有諧波成分,可能干擾變頻調速器附近的通訊設備。因此,安裝選件無線電噪音濾波器FR-BIF或FRBSF01或FR-BLF線路噪音濾波器,使干擾降到最小。

4、長距離布線時,由于受到布線的寄生電容充電電流的影響,會使快速響應電流限制功能降低,接于二次側的儀器誤動作而產生故障。因此,最大布線長度要小于規定值。不得已布線長度超過時,要把Pr.156設為1。
5、在變頻調速器輸出側不要安裝電力電容器,浪涌抑制器和無線電噪音濾波器。否則將導致變頻調速器故障或電容和浪涌抑制器的損壞。
6、為使電壓降在2%以內,應使用適當型號的導線接線。變頻調速器和電動機間的接線距離較長時,特別是低頻率輸出情況下,會由于主電路電纜的電壓下降而導致電機的轉矩下降。
7、運行后,改變接線的操作,必須在電源切斷10min以上,用萬用表檢查電壓后進行。斷電后一段時間內,電容上仍然有危險的高壓電。
二、控制電路的接線
變頻調速器的控制電路大體可分為模擬和數字兩種。

1、控制電路端子的接線應使用屏蔽線或雙絞線,而且必須與主回路,強電回路(含200V繼電器程序回路)分開布線。
2、由于控制電路的頻率輸入信號是微小電流,所以在接點輸入的場合,為了防止接觸不良,微小信號接點應使用兩個并聯的節點或使用雙生接點。
3、控制回路的接線一般選用0.3~0.75平方米的電纜。
三、地線的接線
1、由于在變頻調速器內有漏電流,為了防止觸電,變頻調速器和電機必須接地。
2、變頻調速器接地用專用接地端子。接地線的連接,要使用鍍錫處理的壓接端子。擰緊螺絲時,注意不要將螺絲扣弄壞。
3、鍍錫中不含鉛。
4、接地電纜盡量用粗的線徑,必須等于或大于規定標準,接地點盡量靠近變頻調速器,接地線越短越好。

變頻調速器接線注意事項:
1、變頻調速器本身有較強的電磁干擾,會干擾一些設備的工作,因此我們可以在變頻調速器的輸出電纜上加上電纜套。
2、變頻調速器或控制柜內的控制線距離動力電纜至少100mm等等。
3、在購買變頻調速器的時候都會有變頻調速器說明書。如果沒有的話,您可以上您所購買的品牌的網站上去下載。變頻調速器說明書上面的內容相當詳細,包括產品介紹、工作原理、安裝調試等等。
以上是基本的接線方法介紹,希望對廣大的電氣朋友,在變頻器的日常使用與維護時有幫助。



