【導讀】當然是可以的!您可以采用具有出色輸入特性的運算放大器,并進一步提高其性能,使其電壓范圍、增益精度、壓擺率和失真性能均優于原來的運算放大器。
ADI工程師曾設計過一個精密電壓表的輸入,需要一個亞皮安輸入單位增益放大器/緩沖器,其低頻噪聲小于1μV p-p,失調電壓低至大約100μV,非線性誤差 小于1 ppm。它還需要在音頻和60 Hz頻率下具有非常低的交流失真,以便利用不斷增強的ADC分辨率。這足夠雄心勃勃,但它同時需要使用±50V電源緩沖±40 V信號。緩沖器輸入連接到高阻 抗分壓器,或直接連接到外部信號。因此,它還必須能夠承受靜電放電和過壓輸入的沖擊。
可用的亞皮安偏置電流運算放大器并不多。可堪使用的器件常常被稱為靜電計級放大器,偏置電流低至數十飛安。遺憾的是,這些靜電計放大器的低頻電壓噪聲(0.1Hz到10Hz)為幾微伏(峰峰值)。此外,其輸入失調電壓和失調溫度系數一般也不符合要求。其共模抑制比(CMRR)和開環增益不夠好,難以支持1 ppm線性度。最后,沒有一款靜電計能夠承受高電源電壓。
LTC6240 系列提供0.25 pA偏置電流(典型值)和0.55μV p-p低頻噪聲。這對于輸入緩沖器來說已經足夠好了,但該器件僅支持最高12 V的電源。ADI工程師將不得不在放大器周圍添加電路以使其適應更高的電壓。
設計方法
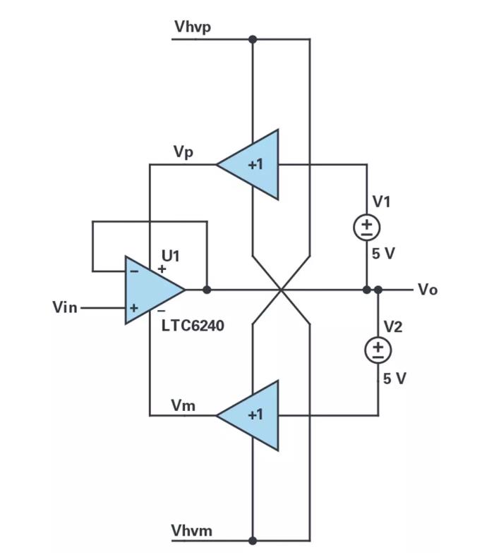
圖1顯示了自舉放大器的原理示意圖。

圖1. 基本自舉電源電路拓撲
LTC6240由Vp(通過增益為+1的緩沖放大器保持輸出加5 V的值)和Vm(由另一個緩沖器驅動而保持輸出減5 V的值)供電。
由于電源總是跟隨輸入信號(由LTC6240的輸出緩沖),因此理想情況下根本沒有共模輸入誤差。即使是平庸的CMRR也通過自舉提升至少30 dB。該30 dB值是由Vp和Vm緩沖器的有限增益精度導致的。
LTC6240的開環增益也得到類似的提升。當內部增益節點和電源軌之間存在晶體管輸出阻抗時,放大器電路會發生增益受限的情況。由于電源被自舉到輸出,所以很少有信號電流流過上述阻抗,而且開環增益的增加量與CMRR的提升量相似。但是,輸出負載仍可能會限制開環增益。
也許不那么明顯,但電路整體壓擺率也被自舉提高。通常,它受限于LTC6240內部靜態電流和以電源為基準的補償電容。當電源追隨輸入和輸出時,很少有動態電流流入這些電容,放大器不會進入有限壓擺率狀態。緩沖放大器最終會限制整體壓擺率。
高壓電源Vhvp和Vhvm可能有干擾,但緩沖器輸出會在很大程度上抑制干擾,LTC6240的電源抑制比(PSRR)將大大增強。
所以,這很棒;通過自舉電源,緩沖器在多個方面得到改善。可能會出現什么問題?圖1所示電路幾乎肯定會振蕩。考慮電源引腳行為的最佳方法是將其視為反饋環路的一部分:輸出引腳電壓乘以緩沖放大器頻率響應,然后將乘以1/PSRR,加到輸入端,最后乘以開環增益成為輸出,如此循環往復。圖2a顯示了PSRR隨頻率的變化。


圖2. (a) LTC6240的PSRR,(b) LTC6240的開環增益
在PSRR曲線中沒有獲得相位數據,但假設它具有+90°相位。是的,這個+90°就像一個差異化因素。如圖2b所示,從低頻到100 kHz,開環增益具有-90°相位,之后該負值變得越來越大。緩沖器將具有有限頻率響應,并且也將表現出相位滯后。將環路中的所有相位滯后相加可確保在一些頻率下的反饋相位為0°或360°的倍數。如果在這些相位的電源環路增益大于1,振蕩就會發生。PSRR幅度下降到4 dB的低點(衰減 = -4 dB→ 增益 = 0.63,非dB),看起來環路可能永遠不會有足夠的增益來發生振蕩。這很可能是錯誤的,因為PSRR同時適用于Vp和Vs,其PSRR增益相加會使幅度超過1。此外,緩沖器可能會有一定的峰化,之后其增益在高頻發生滾降,從而將整體反饋幅度推高至1以上。緩沖器必須驅動稍大的電容,并且會具有更多的相位滯后。無論如何,LTspice?中的電路仿真表明會發生大信號振蕩(LTC6240的頻率響應和非線性體現在宏模型中)。
實際實現
圖3顯示了完整電路。

圖3. 完整電路
請注意,1000 pF旁路電容必須與LTC6240電源引腳緊密連接。運算放大器有數十個內部晶體管,在該放大器中,晶體管的Ft量級為GHz。它們常常以反饋方式彼此連接,除非安裝了旁路電容,否則它們可能在高交流阻抗電源下發生振蕩。1000 pF足以消除這些振蕩。如果希望電源旁路電容遠大于任何輸出負載電容,因為在高頻時,負載電容上的電壓轉換會導致電流流向電源軌,并可能調制電源電壓,通過PSRR反饋引起振蕩。因此,旁路電容會降低頻率下的電源調制,相當于降低從輸出到電源的反饋增益。
壓擺這些旁路電容會需要很大的電流,而且必須是雙向的。Q5和Q6是射極跟隨器,可以驅動旁路電容的壓擺電流。Q3和Q4是偏置二極管,用于設置Q5和Q6靜態電流。Q2為這些二極管和齊納二極管D1(實際上是并聯基準電壓源IC)提供偏置電流,D1設置相對于輸出的正電源電壓。Q2的集電極是一個電流鏡的輸出,該電流鏡由高壓軌之間的R9偏置。如果電源電壓不是恒定值,可以用兩個電流源代替R9。
Q7至Q12形成與之前所述相當的Vm減電源驅動器。請注意齊納電壓的不匹配是有意為之的:Vp比輸入/輸出高5V,Vm比輸入/輸出低3V。這種不匹配使輸入電壓的中點位于LTC6240的電源限制輸入范圍以內,從而優化壓擺波形。
通常,LTC6240的電源電流會消耗Q5的發射極電流,并基本上關閉Q6,所以Vp緩沖器輸出阻抗大部分是R3。因此,電源反饋Vp路徑的帶寬約為1/ (2π × 100 Ω × 0.001 μF) = 1.6 MHz。這保證了在10 MHz及以上的頻率(此時LTC6240的開環相位向振蕩發展),Vp環路增益遠小于1。100Ω電阻還讓跟隨器Q5不必直接驅動1000 pF 電容。發射極跟隨器會有輸出電感,可能與容性負載發生諧振,引起振鈴甚至振蕩。
設計自舉在1.6 MHz以上的頻率會失敗后,整體電路的完美行為在頻率超出大約100 kHz時會降級。如果輸出不能完全跟隨輸入,自舉的好處將會打折扣。帶Cin的Rin將帶寬限制在100 kHz,這是ADC跟隨緩沖器的系統抗混疊濾波器的一部分,它還會衰減無線電干擾和不支持的壓擺率。
該電路必須能夠承受任何不受限制的壓擺輸入信號或ESD,因此Rin也用于限制輸入故障電流。電阻有四個串聯段,以便分擔輸入過驅,暫時承受1 kV的電壓。根據信號源和預期過載,可以減小輸入電阻。
LTC6240內部有保護二極管,可將輸入過壓電流引導至Vp或Vm。允許進入LTC6240輸入的最大故障電流為10 mA,但如果有周圍電路可以快速切斷輸入故障,則在短時間內可以增加該電流。該電路的預期應用中存在SPDT繼電器,當未通電時,其將緩沖器的輸入連接到÷10網絡。通電后,繼電器直接連接輸入。因此,當未通電時,緩沖器連接到遠大于10 kΩ的源阻抗,故障電壓和電流降低的幅度與10 mA連續額定值相當。應用的輸入范圍為±400 V,故障容差為±1000 V。這只有在有兩個比較器的情況下才能安全地實現,比較器檢測輸入過壓并快速釋放繼電器。這可以在1 ms至2 ms內完成,允許100 mA瞬態輸入電流,此電流不會熔化LTC6240的保護二極管。
請注意,D3至D6用于將輸入過載電流引導至Vhvp或Vhvm電源,該電流此前已通過LTC6240導向Vp或Vm。這些電源可能無法吸收過載電流,因為相對于正常供電操作,該電流是向后流動的。需將依靠足夠大的旁路電容來安全地保持電源電壓,同時等待繼電器開關減壓。對于100 mA過載,將需要100μF電容來使電源在2 ms內的電壓變化保持在2 V以內。
高壓信號源
當測試實驗室原型時,ADI工程師意識到沒有信號發生器來提供任何波形的足夠輸出電壓擺幅以激勵電路。有可以產生最多±10 V p-p的各種波形的信號發生器。現在需要設計一個可以清晰地再現大幅度波形的放大器。圖4顯示了一個電流反饋放大器(CFA)的高壓分立實現方案。

圖4. 高壓放大器
CFA(電流反饋型放大器)具有極高的壓擺率,帶寬通常也很寬(單位增益時)。不過因為使用的是高壓晶體管,所以帶寬適中。與較低電壓類型相比,高壓晶體管具有更高的寄生電容和更低的 Fts。
這里有一些事項需要注意。電路本身沒有限流或限制功耗的功能,因此超過10mA的持續大負載電流會燒毀輸出級,甚至可能燒毀更多電路級。此外,最好不要在高壓電源上添加0.1μF以上的旁路電容。如果使用大電容,短路會引起焊接效應。有鑒于此,ADI工程師不得不在高壓電源上增加100μF旁路電容以抑制二次諧波失真。ADI工程師用手上下搖動實驗室電源,以避免硬開啟和關閉。請注意,50V 電壓就會產生足夠的電流流過人體導致心臟停搏。最好將高壓電源的電流限值降至60 mA。50 V足夠高,需要警惕。
在圖4中,ADA4898 運算放大器控制CFA,使其精度和失真受到控制。CFA一般具有高直流誤差,高精度建立時間較長。運算放大器解決了這些問題。
CFA的正輸入為節點n25,負輸入為n5(是的,這是輸入)。Rff和Rgg本身將內部CFA的增益設置為約27。這種高增益可以將運算放大器輸出擺幅控制在±2 V。CFA可以設置為更高增益以進一步減輕控制放大器的負擔,但如此一來,CFA將損失帶寬,并且失真增加。總增益由Rf和Rg設置為20。Ctweak和Ctweak2配合Rf工作,從215 kHz以上的運算放大器整體反饋中消除CFA的相位滯后,從而增強運算放大器的穩定性。
Tn13是CFA增益節點,由涉及Q1/Q2/Q20和Q11/Q12/Q19的電流鏡驅動。
Q7/Q8/Q10/Q13形成輸出緩沖器,作為復合互補射極跟隨器。沒有限流電路——請勿將輸出短接到任何東西!
高壓放大器的CFA部分具有35 MHz的-3 dB帶寬,并且不會自行峰化。整體電路的-3 dB帶寬為33 MHz,但有8dB的峰化。通常,復合放大器設計的第二放大器的帶寬至少是輸入控制放大器帶寬的3倍以避免峰化,但無法獲得如此有利的比率。至少 8 dB峰值沒有高Q值,并且振鈴會相當快地消失。在峰化頻率以下,目標100 kHz信號再現得很好。在100 kHz且輸出為80 V p-p時,失真測量值為-82dBc;在100 kHz以下且輸出為32 V p-p時,失真降至-100 dBc。對于快速邊沿,方波響應具有約60%的過沖;當輸出壓擺率小于250 V/μs時,過沖很小或幾乎沒有過沖。最大壓擺率約為1900 V/μs。
測量設置
面對大信號,如何使用普通實驗室設備來測量±40 V輸出?高壓放大器和高壓緩沖器的輸出都不應超過10 mA,而且它們也不能穩定地驅動40 pF負載。同軸電纜的電容率為27 pF/英尺,電容量太大。示波器÷10探針只有大約15 pF||10MΩ負載,因此耦合到示波器會沒問題。
對于失真測量,實驗室的所有音頻分析儀都不能在100 kHz時達到-80 dBc,所以必須求助于頻譜分析儀。遺憾的是,頻譜分析儀只有50Ω輸入,這對驅動電路來說太低。解決方案是將阻抗提高到50Ω(見圖5);也就是說,在信號和50Ω分析儀輸入之間放置一個5 kΩ分壓電阻,做成一個接近÷100的分壓器。重要的是,5 kΩ電阻在低頻信號下不會出現熱偏移, 因為這些偏移與 VOUT2相關,會造成偶次諧波。ADI工程師選擇將5個1kΩ、2 W電阻串聯起來制作Rdivider。2 W電阻具有約37°C/W的熱阻,5個1 kΩ電阻具有7.5°C/W的熱阻。在其上施加±40 V正弦波時,功耗為160 mW,電阻加熱將導致電阻的溫度升高7.5×0.16 = 1.2°C。電阻偏移大約為100 ppm /°C,因此在直流時會有120 ppm的偏移,或大約0.01%的非線性誤差及-80 dBc的失真。對于測量,這種精度怎么可能足夠?好消息是分壓器電阻的熱時間常數相當大,ADI工程師預計在100 kHz周期的中部實際電阻偏移很小。諷刺的是,在較低頻率(可能1 kHz及以下)時失真更差。
由于分析儀輸入范圍有限,80 V p-p信號無論如何都必須衰減,但它仍然太大,無法獲得最佳頻譜分析儀性能。在無輔助的情況下,分析儀只能提供-80 dBc失真,這是權衡利弊的結果,否則要么其噪聲會淹沒諧波,要么大輸入會造成額外的失真。解決辦法是在分析儀輸入端放置一個100 kHz的陷阱來消除基波幅度。當信號少于幾毫伏(僅諧波)時,可以實現接近-120 dBc的測量范圍。圖5顯示了測試設置。

圖5. 失真測試設置
發生器通過一個低通濾波器(Linput和Cinput)驅動Rterm,濾波器衰減發生器的100 kHz諧波。失真由此改善到-113 dBc,低于要測量的電路。凈化后的信號由高壓放大器提升,并由緩沖器傳遞,緩沖器驅動分壓器。
電感由纏繞在大型線軸(用于功率E-I磁芯)上的磁線構成。由于會增加失真,任何類型的磁芯材料都不能使用;必須使用氣繞。只需反復纏繞和測量。
Ltrap以磁場方式將諧波輻射到相鄰的松散無屏蔽線路(這是常用的方法),因此將陷阱元件放在一個帶有接地BNC插孔連接的餅干罐中。實驗室中有餅干罐,任何屏蔽鋼質箱都可以。
為了校準,ADI工程師將兩個放大器替換為直通線,并記錄下二次到四次諧波頻率時從Rterm電壓到頻譜分析儀輸入的增益。在失真測試中測量諧波時,ADI工程師使用所存儲的該頻率對應增益來推斷緩沖器輸出端的諧波成分。ADI工程師用一個示波器監測緩沖器基頻輸出的幅度,計算歸一化諧波的有效值,然后除以基波幅度,得到整體失真。
結果
使用圖5所示設置,頻譜分析儀在70 V p-p和80 V p-p輸出時的失真為-81 dBc,在50 V p-p和60 V p-p輸出時的失真為-82 dBc,在 16 V p-p和32V p-p輸出時的失真為-86.5 dBc,頻率均為100 kHz。
然后測量直流線性度、增益精度和輸入范圍。圖6顯示了掃描輸入直流信號時緩沖器的輸入失調。
任何具有有用輸入特性的放大器都可以如上所述進行自舉,從而配合高壓信號工作。超低輸入噪聲或超低失調放大器可以在數百伏下運行。

圖6. 緩沖器的 VOS 與 VIN 的關系。Rl = 50 kΩ和∞。
萬用表難以在±40 V信號的背景下解析亞微伏變化,但由于這是一個緩沖器,ADI工程師可以簡單地將電壓表從輸入連接到輸出以找到偏移量,并使用一個敏感范圍。對于±40 V輸入,該萬用表的共模抑制小于1μV(該測試的輸入短路)。
曲線中的擾動是由低頻噪聲(尤其是熱擾動)引起的。有人在附近或空調就能導致氣流和熱變化,致使電路中出現微伏級的塞貝克和熱電偶電壓誤差。由于沒有很好的屏蔽室,但用一些衣服遮住電路以防止氣流影響。即便如此,結果仍有0.6μV rms的漂移。
在噪聲中,無負載(綠色)曲線表明增益誤差約為0.03 ppm。還算不賴。未自舉的LTC6240的標稱增益誤差為5.6 ppm,CMRR誤差導致的最差情況增益誤差為100 ppm。當加載50 kΩ(紫色)時,看到增益誤差為-0.38ppm。該負載增益誤差相當于0.02Ω的輸出阻抗。很難知道0.02Ω來自何方——它可能是負載電流調制 Vp或Vm,并通過LTC6240內的共模抑制或增益限制過程起作用,或者它可能只是導線和電路板電阻。無論如何,為使增益保持精確,可以將LTC6240的反饋遠程連接到最終負載,形成一個開爾文連接。圖7顯示了小信號脈沖響應。

圖7. 小信號脈沖響應
對綠色通道中的振鈴,其實是高壓放大器的輸出。它不是自行振鈴的,原因只是使用的示波器探針和板對板接地很一般。黃色通道是緩沖器輸出,它是由Cin + Rin主導的簡單指數圖像。
圖8顯示了大信號脈沖響應,輸入壓擺率為±32 V/μs——很好很平滑的響應。

圖8. 對中等輸入壓擺率(±32 V/μs)的大信號響應
圖9顯示了緩沖器對過載壓擺率的響應。在100 kHz時80 V p-p輸要求峰值壓擺率為±25 V/μs,這在所示的±32 V/μs能力范圍內。

圖9. 對過載輸入壓擺率(±130 V/μs)的大信號響應
請注意,輸入濾波器將過載壓擺率限制為緩沖器可以處理的量。紋波是自舉電路無法跟隨輸出壓擺的偽像,這導致壓擺期間輸入裕量反復過載。減小Cin會迫使輸入壓擺率變得更大,自舉電路將無法跟隨,導致波紋更難看。
總結
本文展示了一種讓低壓運算放大器緩沖器有效自舉成高壓緩沖器的方法。ADI工程師采用了一款具有出色輸入特性的運算放大器,并進一步提高其性能,使其電壓范圍、增益精度、壓擺率和失真性能均優于原來的運算放大器。在座的筒子們,你們對這樣的方法有什么的見解呢?在文末留言吧,咱們一起討論~
(來源:亞德諾半導體)
免責聲明:本文為轉載文章,轉載此文目的在于傳遞更多信息,版權歸原作者所有。本文所用視頻、圖片、文字如涉及作品版權問題,請電話或者郵箱editor@52solution.com聯系小編進行侵刪。
推薦閱讀:





