【導讀】該電路使用兩個電荷泵器件來降壓負電壓。第一個通過加倍和反相負輸入電壓產生正輸出,第二個充當逆變器以產生所需的負輸出。電路的輸入和輸出能力取決于所選IC元件允許的輸入/輸出電壓。
該電路使用兩個電荷泵器件來降壓負電壓。第一個通過加倍和反相負輸入電壓產生正輸出,第二個充當逆變器以產生所需的負輸出。電路的輸入和輸出能力取決于所選IC元件允許的輸入/輸出電壓。
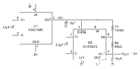
為了在低電流應用中降壓負電壓,非電感器配置將易用性與少量外部元件相結合。這種降壓轉換器可通過兩個電荷泵器件實現。第一個通過加倍和反相負輸入電壓產生正輸出,第二個充當逆變器以產生所需的負輸出。電路的輸入和輸出能力取決于所選IC元件允許的輸入/輸出電壓(圖1)。

圖1.該負降壓轉換器(-5V 至 -3V) 無需電感器。
U1 (MAX1682)作為倍壓器工作,接受5V負輸入并產生5V正輸出。穩壓反相器(U2,MAX1673)接受+5V電壓并產生-3V輸出。U2輸出端的分壓器(R1/R2)提供反饋,將U2的輸出電壓調節到所需水平(V外).在FB輸入端,閾值電壓出廠設置為零。您可以使用 R2(5V/R1) = -V 選擇 R1 和 R2 的值外,再加上它們的總和應允許最小電流為 50μA 的條件。V的精度外很大程度上取決于-5V輸入的精度。圖2和圖3顯示了-4.75V、-5V和-5.25V輸入的電路效率和輸出調節。

圖2.V時圖1電路的效率與負載的關系在電平為 -4.75V、-5V 和 -5.25V。
圖3.圖1電路在V時的負載調整率在電平為 -4.75V、-5V 和 -5.25V。
免責聲明:本文為轉載文章,轉載此文目的在于傳遞更多信息,版權歸原作者所有。本文所用視頻、圖片、文字如涉及作品版權問題,請聯系小編進行處理。
推薦閱讀:






