【導讀】幾乎每個變頻器 (VFD) 都包含一組指定具有模擬和數字 I/O 功能的螺絲端子或針頭。即使在當今先進的網絡功能世界中,許多變頻器,尤其是在較小或較遠的應用中調試的變頻器,都依賴于數字輸入設備來驅動操作。
幾乎每個變頻器 (VFD) 都包含一組指定具有模擬和數字 I/O 功能的螺絲端子或針頭。即使在當今先進的網絡功能世界中,許多變頻器,尤其是在較小或較遠的應用中調試的變頻器,都依賴于數字輸入設備來驅動操作。
通常,數字輸入是通用 I/O,而不是具有專門列出的功能(如啟動和停止)。但為了將這些功能分配給信號,我們依賴可編程參數。在這里,我們探討了一些常見的數字輸入接線控制方案,并解釋了如何連接和排除接線故障。
VFD 上的數字 I/O 終端
首先,讓我們介紹一下這些控制信號接頭的基本原理。并非每個螺絲端子或引腳都被指定為數字輸入——許多 VFD僅有 2-4 個數字輸入。其余端子提供電壓和公共參考,以連接數字和模擬設備。
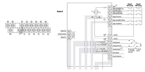
例如,Rockwell VFD Powerflex 523 是一個常見的現代示例,與大多數其他 Rockwell VFD 相似。在此型號中,I/O 端子塊包含可編程繼電器、數字輸入和模擬/通信信號。端子 01-06 和 11 上的數字信號對我們今天來說是重要的。
Rockwell PowerFlex 523 I/O 接線端子示例
圖 1. Rockwell PowerFlex 523 I/O 接線端子示例。圖片(修改版)由Rockwell Automation提供
根據列出的功能,端子 02、03、05 和 06 均顯示“DigIn TermBlk xx”,這意味著它們是數字輸入并且可以進行編程。默認情況下,它們確實具有一些標準功能,但調試后,這些功能可能不再是默認功能。
另外兩個端子對于理解大接線圖非常重要。端子 04 是接地的公共回路。如果數字輸入端子為開關提供電壓(源極),則必須將開關連接到端子 04 以完成接地回路 。另一方面,如果開關連接到端子 11,為其提供 24 伏電壓,則數字輸入端子將電路接地(吸收)。這就是這些 VFD 提供開關以在功能之間切換的原因。
如果此供應和吸收術語令人困惑,我們建議您并閱讀我們的電子書,其中為控制工程師解釋了這些術語。
2 線啟停電路接線
2 線電路用于通過一個信號運行某個功能,如果移除該信號,該功能將停止。這與啟動/停止鎖存功能不同,后者稱為 3 線電路,稍后將進行探討。
在 VFD 中,這種 2 線功能有兩種形式:單向和雙向。由于 VFD 可以輕松驅動正轉或反轉電機,因此我們可以選擇使用一個輸入來驅動正轉或使用一個輸入來驅動反轉。,我們可以有兩個輸入來選擇正轉或反轉。所有這些都是瞬時輸入(如點動功能),被視為 2 線。
雖然具體端子因型號而異,但基本接線概念是相同的。對于 2 線正向控制,單個數字輸入設備連接到其中一個數字輸入,通常是的 I/O 端子之一。
對于 2 線反向控制,單個數字設備連接到相同的輸入或另一個輸入。它可能看起來與 2 線正向控制完全相同。不同之處在于設置參數值以在給出運行命令時選擇運動方向。
對于終的雙向 2 線控制,我們必須使用兩個不同的數字輸入設備,連接到驅動單元上的兩個數字輸入。與之前一樣,參數控制操作方法以及電線的放置位置。
2 線控制示例
作為此控制的一個例子,讓我們來看看 Control Techniques 的 Commander S100 驅動器。此驅動器有 5 個數字輸入,每個輸入都有一個特定于因素的默認功能。下圖 2 顯示了默認配置。連接到 Dig Ins 2 和 3 的數字設備將允許 2 線雙向控制。
Control Techniques 的 Commander S100 I/O
圖 2. Control Techniques 的 Commander S100 I/O。圖片(修改版)由Control Techniques提供
許多 VFD(包括上述變頻器)還需要向“啟用”或“停止”輸入發送恒定信號,該輸入必須接收持續的活動控制信號,否則驅動器將停止,從而提供超越數字輸入的安全性。
ABB 的下一個示例顯示了默認的數字輸入分配,其中個輸入用作啟動/運行輸入,第二個輸入用作方向控制。
ABB ACS150 VFD 的默認數字輸入分配
圖 3. ABB ACS150 VFD 的默認數字輸入分配。圖片(已修改)由ABB提供
何時使用兩線控制?
當 VFD 應用于使用基本正向和反向的簡單情況時,此方案很方便。在基本的層面上,輸入可以是控制面板上的選擇器開關,也可以是傳感器,甚至是可能沒有現代通信信號的外部控制器。我已成功以這種方式將 VFD 連接到沒有網絡功能的微型 PLC(如Allen-Bradley MicroLogix)。
三線啟停電路接線
在討論了 2 線控制之后,這種 3 線策略非常相似。除了 3 線之外,該方案還源自一種稱為“鎖存”或“密封”的常見電路。為方便鎖存控制,提供了啟動和停止按鈕 - 信號不需要持續,例如 2 線。
對于 3 線單向控制,常閉“停止”信號連接到啟用/停止數字輸入。第二個設備連接到下一個數字輸入,用作“啟動”信號。它們的操作方式與發音完全相同 - 按“啟動”啟動,按“停止”停止。
3 線雙向控制非常相似,但增加了一個切換信號來在前進和后退方向之間進行選擇。
3 線控制示例
下圖說明了如何使用 Omron MX2 VFD 進行 3 線控制。在此驅動器中,有七個可編程數字輸入,標記為 S1-S7。選擇任意三個輸入,并使用參數 C001-C007 為這些輸入分配 STA(啟動)、STP(停止)和 F/R(方向)。請注意,STP 輸入必須具有持續的控制信號,否則驅動器將停止。
Omron MX2 VFD 3 線輸入和參數
圖 4. Omron MX2 VFD 3 線輸入和參數。圖片(修改版)由Omron Automation提供
何時使用三線控制?
這種方案在應用上也非常類似于 2 線控制。但是,鎖存功能的主要區別在于允許使用短脈沖來激活和停止驅動器。也許必須觸發開關或傳感器才能啟動傳送帶,直到單獨的輸入觸發停止。當無法使用網絡信號時,這是 3 線控制的理想選擇。
VFD 幾乎可以用于所有工業感應電動機驅動場景。
圖 5. VFD 幾乎可用于所有工業感應電動機驅動場景。
免責聲明:本文為轉載文章,轉載此文目的在于傳遞更多信息,版權歸原作者所有。本文所用視頻、圖片、文字如涉及作品版權問題,請聯系小編進行處理。
推薦閱讀:




