中心議題:
- 新型測試技術解決單片機系統EMC問題
泰思特公司將于4月9日參加第四屆電路保護和電磁兼容研討會,會議地點為深圳會展中心牡丹廳,同期還將舉行第75屆中國電子展和2010中國(深圳)消費電子展(展位號:1C11B)。屆時蘇州泰思特將討論基于單片機電子設備的電磁干擾問題分析與診斷。詳細信息請參考:http://www.jinyixuan88.cn/seminar/emc
蘇州泰思特電子科技有限公司(http://www.3ctest.cn )位于蘇州高新區,集電磁兼容(EMC)測試儀器科研、設計、制造、銷售、服務為一體的技術密集型企業。主要業務是提供電磁干擾(EMI)和電磁抗干擾(EMS)產品,以及高壓沖擊(沖流)測試系統,并能夠為客戶提供電磁兼容技術的培訓及全面解決方案。
單片機由于其價格低廉、控制方式簡單而廣泛應用于各類的工業控制、航天航空、儀器儀表以及家用電器中,隨著單片機的廣泛應用,其電磁干擾問題也受到了越來越多的關注。電磁干擾問題不僅關系到產品工作的可靠性和安全性,還可能影響其它電器的正常工作,甚至導致安全危險。
蘇州3ctest總工程師趙陽表示:“目前,國內很多公司產品設計只注重性能,而忽視了在設計過程中考慮電磁兼容以及安規問題,導致產品最后電磁兼容、安規不符合認證要求,從而使推向市場速度大大降低。”
針對單片機EMI問題,趙陽表示,國內企業不太了解單片機系統EMI測試與分析方法。針對單片機的主頻,本公司采用近場測試診斷其輻射干擾機理,并據此設計相應的EMI濾波器以達到噪聲抑制的目的。另一方面,為了盡量降低企業的成本,所設計的EMI濾波器以電容為主,盡量減小電感的使用。

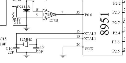
對于該單片機系統的電路圖進行分析,可以發現,引起該系統傳導電磁干擾噪聲的主要原因是由于單片機的12MHz晶振時鐘信號。

蘇州3ctest的方案是根據傳導電磁干擾噪聲產生機理對于該系統的傳導電磁干擾問題進行診斷與抑制。其方法是通過對于單片機系統傳導電磁干擾噪聲的模態提取,得到該噪聲的共模分量和差模分量;同時,測定該噪聲源的內阻抗并與相應噪聲模態相結合,從而設計出相應的濾波器用以抑制該系統的傳導電磁干擾噪聲以解決單片機系統的傳導電磁干擾問題。



