【導讀】:脈沖群試驗是一種使用比較普遍的抗干擾試驗項目,同時也是在所有抗干擾試驗項目中屬于比較難做,和比較難于通過的一個試驗項目,本文將會逐一講述脈沖群實驗的三大本質。
脈沖群試驗是一種使用比較普遍的抗干擾試驗項目(在產品的抗擾度試驗中,別的試驗項目有時會不做,但脈沖群試驗是基本上都要做的),同時也是在所有抗干擾試驗項目中屬于比較難做(經常有人反映這項試驗的重復性和可比性比較差),和比較難于通過的一個試驗項目(在所有抗干擾試驗項目中脈沖群試驗是屬于通過率較低的項目)。
1 脈沖群試驗的性質
1.1 脈沖群試驗的本質之一是高頻共模試驗脈沖群試驗所采用的高頻脈沖的耦合方法(電源線上的耦合/去耦網絡,以及信號線上的電容耦合夾)提供了在不對稱條件下把試驗電壓施加到受試設備的電源端口和信號端口的能力。這里所謂不對稱干擾是指線(電源線以及信號線)與大地之間的干擾。

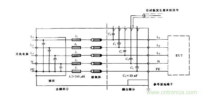
作為佐證,我們利用電源線耦合/去耦網絡來加以說明:在圖中可以看到從試驗發生器來的信號電纜芯線通過可供選擇的耦合電容加到相應的電源線(L1、L2、L3、N及PE)上,信號電纜的屏蔽層則和耦合/去耦網絡的機殼相連,機殼則接到參考接地端子上。這就表明脈沖群干擾實際上是加在電源線與參考地之間,因此加在電源線上的干擾是共模干擾。

明確脈沖群干擾的性質非常重要:首先,這與試驗方法有關。既然是共模干擾,就一定要與參考接地板關聯在一起,沒有參考接地板的試驗,干擾是加不到試品中去的。與此同時,所采用的參考接地板要足夠大,否則就不能保證試驗結果的正確性。其次,既然明確了脈沖群抗干擾試驗是抗共模干擾試驗,這就決定了試驗人員在處理干擾(提高受試設備的抗干擾能力)時,必須采用針對共模干擾的有效措施。
[page][member]1.2 脈沖群試驗的本質之二是傳導和輻射試驗的結合
由于脈沖群的單個脈沖前沿達到5ns,半寬達到50ns,說明其中含有極其豐富的諧波成分,幅度較大的頻率至少要達到60MHz(波長λ=5m)以上。對電源線來說,那怕長度只有1m(老標準)或0.5m(新標準),由于長度已可和傳輸頻率的波長相比,不能以普通電源線對待,信號在上面傳輸時,部分仍通過線路進入試品(傳導);部分要從線路逸出,成為輻射信號進入試品(輻射)。所以試品受到的干擾實際上是傳導與輻射的結合。傳導與輻射的比例將與電源線長度有關:線路短,傳導多;線路長,輻射強。因此電源線的接線長度必須固定,布局一定要規范(例如建議試驗時,脈沖群發生器與被試設備必須面對面放置)。

而且輻射強弱還和電源線與參考接地板的貼近程度有關(反映為線路與參考地之間的分布電容),線路離接地板近,分布電容大(容抗小),干擾不易以輻射方式逸出;反之亦反。因此,試驗用電源線的長度(老標準規定為1m,新標準規定為0.5m)、離參考接地板的高度(新老標準均規定為10cm),乃至電源線與試品的相對位置,都可以成為影響試驗結果的因素。為了保證試驗結果的重復性和可比性,注意試驗配置的規范性就變得十分重要了。除了試驗配置的規范性外,還要注意每次試驗時附在試品上的附加導線根數、及擺放位置是否一致。這是因為脈沖群試驗除了有傳導干擾外,還存在一定程度的輻射干擾,不同的導線數目,不同的導線擺放位置,試品對輻射干擾的響應情況是不同的。
脈沖群試驗的本質之三是試驗脈沖的能量積累對設備引起的干擾根據國外專家研究,成群出現的脈沖干擾之所以會造成設備的誤動作,是因為脈沖群對線路中半導體器件的結電容充電,當結電容上的能量積累到一定程度,便會引起線路(乃至設備)的誤動作。作為佐證,我們做脈沖群試驗時,在選定的試驗電平上,被試設備并不是一開始便出現問題,往往是要經過一段時間(例如經過半分至一分鐘)的工作,設備的問題才逐漸暴露出來。因此設備出錯有個過程,特別是當試驗電壓接近臨界值時,存在一定偶然性,不能保證間隔多少時間必定會出錯。
為此,一些產品標準規定電源線上的脈沖群試驗在線-地之間進行,要求每一根線在一種電壓極性下做三次試驗,每次一分鐘,中間間隔一分鐘;一種極性做完,換做另一種極性。一根線做完,換做另一根線。當然也可以把脈沖同時注入幾根線。但是脈沖信號在電源線上的傳輸過程十分復雜,很難判斷哪一種脈沖施加辦法更容易使設備失效。因此,同時加脈沖也僅僅是一種試驗形式而己,最終要由試驗來下結論。通常試品只對其中一根線和一個極性的試驗比較敏感。
如果國外專家對脈沖群試驗造成設備失效的機理是正確的,那么不同的試驗運行程序,也可能影響試驗結果,這是因為不同的試驗運行程序對試品結電容的充放電情況也是不同的。綜上面所述,在脈沖群試驗中影響設備出錯的原因很多,建議試驗人員對試驗情況(如設備的接線,接地情況,試驗的布局以及脈沖的施加辦法等等)都要詳細記錄在案,便于日后在核查試驗結果時有據可查。






