- 無線可攜式電子產品應用之考慮因素
- 輸入與輸出耦合電容值的選擇
- 所有訊號線盡可能單點接地;
- 為避免兩訊號互相干擾,應避免平行走線,而以90跨過方式為之
- 數位之電源、接地應和類比之電源、接地分開
- 高速數位訊號走線應遠離類比訊號走線,亦不可置于類比元件下方
音效在可攜式電子產品上之要求,在早期只要輸出功率夠大,同時無雜訊干擾即可,然而隨著產品成熟度增加與MP3、MPEG4等附加功能的需求而更顯其重要性?,F今消費者在手機與個人數位處理器(PDA)的音效要求已至立體聲,甚至必須具備3D音效
本篇文章即是要探討聲頻系統在手機與PDA之應用與設計,讓系統與研發人員設計出適合消費者的產品。
無線可攜式電子產品應用之考慮因素
以下列出在選擇聲頻功率放大器時必須考慮到的主要因素。
較高的電源電壓抑制(PowerSupplyRejectionRation;PSRR)
聲頻功率放大器必須具有較高的PSRR,可以避免受到電源與布線雜訊的干擾。
快速的開關機(Fastturnon&off)
擁有較長的待機時間,為手機或PDA之基本訴求,AB類聲頻放大器的效率約為50至60%,D類聲頻放大器的效率可達85至90%,不管使用何種聲頻放大器,為了節省功率消耗,在不需要用到聲頻放大器時,均需進入待機狀態,然而當一有聲音出現時,聲頻放大器必須馬上進入開機狀態。
無「開關切換雜訊」(Click&Pop)聲
「開關切換雜訊」聲常出現于聲頻放大器進入開關機時,或是由待機回覆至正常狀態,甚至是217Hz手機通信訊號時,手機或PDA之使用者絕不會希望聽到擾人的噪音,將「開關切換雜訊」消除電路加入聲頻放大器的考量中,為重要的必備條件。
較低之工作電壓
為延長電池使用時間,更要求在低至1.8伏特的條件下仍可進行作業。
低電流消耗與高效率
使用CMOS制程之IC,可降低電流消耗,有時需選擇D類聲頻放大器,目的在延長手機或個人數位處理器之工作時間。
高輸出功率
在相同工作電壓下具有較高的輸出功率,亦即輸出訊號之擺幅越接近Vcc與GND時,其輸出功率越高。
較小的封裝(MicroSMD)
手機或個人數位處理器的外觀越來越小巧,使得IC封裝技術越來越重要,MicroSMD為現今較常用到的封裝技術。
[page]
輸出功率的計算
單端式(Single-end)放大器如(圖一)所示,其增益為:
(公式一)
Gain=Rf/Ri
Rf:回授阻抗
Ri:輸入阻抗

(圖一) 單端式(Single-end)放大器
由輸出功率=(VRMS)2/Rload,VRMS=Vpeak/21/2,因此單端式(Single-end)放大器輸出功率=(Vpeak)2/2Rload。
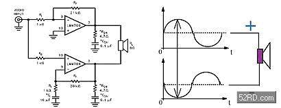
橋接式(BTL)放大器如(圖二)所示,由兩個單端式(Single-end)放大器以相差180組成,故其增益為
(公式二)
Gain=2Rf/Ri
Rf:回授阻抗
Ri:輸入阻抗
由輸出功率=(VRMS)2/Rload,橋接式VRMS=2Vpeak/21/2,因此橋接式輸出功率=2(Vpeak)2/Rload=4端式放大器輸出功率。

圖二) 橋接式放大器與施加于喇叭正負端之波形
輸入與輸出耦合電容值的選擇
如圖一,輸入阻抗與輸入耦合電容形成一高通濾波器,如欲得到較低的頻率響應,則需選擇較大的電容值,其關系可用以下公式表示:
(公式三)
fC=1/2∏(RI)(CI)
fC:高通濾波截止頻率
RI:輸入阻抗
CI:輸入耦合電容值,此電容用以阻隔直流電壓并且將輸入訊號耦合至放大器的輸入端。
在行動通訊系統中,由于體積的限制,即使使用較大的輸入耦合電容值,揚聲器也通常無法顯現出50Hz以下的頻率響應。因此,假設輸入阻抗為20K歐姆,只需之輸入耦合電容值大于0.19uF即可,在此狀況下,0.22uF是最適當選擇。
對于輸出耦合電容值之設定而言,同圖一中,如欲得到較佳的頻率響應,電容值亦需選擇較大的容值,其關系可用以下公式表示:
(公式四)
fC=1/2∏(RL)(CO)
fC:高通濾波截止頻率
RL:喇叭(耳機)之阻抗
CO:輸出耦合電容值
例如,當使用32歐姆之耳機,如希望得到50Hz的頻率響應時,則需選擇99uF的輸出耦合電容值,在此狀況下,100uF是最適當選擇。
[page]
散熱(Thermal)考量
在設計單端式(Single-end)放大器或是橋接式(BTL)放大器時,功率消耗是主要考量因素之一,增加輸出功率至負載,其內部功率消耗亦跟著增加。
橋接式(BTL)放大器的功率消耗可用以下公式表示:
(公式五)
PDMAX_BTL=4(VDD)2/(2∏2RL)
VDD:加于橋接式(BTL)放大器之電源電壓
RL:負載阻抗
例如,當VDD=5V、RL=8ohm時,橋接式放大器的功率消耗為634mW,如負載阻抗改成32ohm時,其內部功率消耗降低至158mW。
而單端式(Single-end)放大器的功率消耗可用以下公式表示:
(公式六)
PDMAX_SE=(VDD)2/(2∏2RL)
VDD:加于單端式(Single-end)放大器之電源電壓
RL:負載阻抗
亦即單端式放大器的功率消耗僅為橋接式放大器的四分之一。
所有的功率消耗加起來除以IC的熱阻(θJA)即是溫升。
布線(Layout)考量
設計人員在布線上,有一些基本方針必須加以遵守,例如:
●所有訊號線盡可能單點接地;
●為避免兩訊號互相干擾,應避免平行走線,而以90跨過方式為之。
●數位之電源、接地應和類比之電源、接地分開。
●高速數位訊號走線應遠離類比訊號走線,亦不可置于類比元件下方。
3D強化立體聲在手機與PDA之應用
就大多數人的了解,「3D音效」既非單聲道,亦非雙聲道,它是一種聲頻的處理技術,使聆聽者在非實際的環境下,感覺到聲音發出的地點,這就必須非常講究揚聲器(喇叭)的放置位置與數目。但是在手機與PDA處理器中,無法放置如此多的揚聲器,因此發展出以兩個揚聲器加上運用硬體或軟體的方式,來模擬「3D音效」,亦即所謂的「3D強化立體聲音效」(3DEnhancement)。
[page]
(圖三)為3D強化立體聲之聲頻次系統方塊圖,用于立體聲手機或個人數位處理器中,此聲頻次系統由下列幾個部分組成:
●后級放大器:包括一立體聲揚聲器(喇叭)驅動器,一立體聲耳機驅動器,一單聲道耳機放大器(earpiece),和一用于免持聽筒之線路輸出(lineout),例如汽車的免持聽筒電話輸出。
●音量控制:可提供分為32級的音量控制,而且左、右及單聲道的音量均可獨立控制。
●混音器:用來選擇輸出與輸入音源之關系,可將立體聲及單聲道輸入傳送及混合一起,并將這些輸入分為16個不同的輸出模式,使系統設計工程師能夠靈活傳送及混合單聲道及立體聲聲頻訊號,不會限定訊號只能傳送給立體聲揚聲器或立體聲耳機。
●電源控制與「開關切換雜訊」消除電路。
●3D強化立體聲,以硬體的方式為之。
●使用I2C相容介面加以控制晶片的功能。
聲音在不同位置傳至左右耳朵時,會產生不同相位差。利用此相位差原理和硬體方法,便可以模擬出3D強化立體聲音效,即使系統在體積或設備上受到限制,而必須將左右喇叭擺放得很近時,仍然可以改善立體聲各高低聲部定位的種種問題。
如圖三之3D強化立體聲方塊圖所示,一外接之電阻與電容電路用以控制3D強化立體聲之音效,用兩個分別的電阻與電容電路來控制立體聲揚聲器與立體聲耳機,如此可達到最佳之3D強化立體聲效果。
在此電阻與電容電路中,3D強化立體聲效果的「量」是由R3D電阻來設定的,并且成反比關系,C3D電容用以設定3D強化立體聲效果的3dB低頻截止頻率,在低頻截止頻率以上方能顯現出3D強化立體聲效果,增加C3D電容值將降低低頻截止頻率,其關系可用以下公式表示。
(公式七)
f3D(-3dB)=1/2∏(R3D)(C3D)

(圖三) 3D強化立體聲聲頻子系統方塊圖
由于行動電話與個人數位處理器已發展為能夠提供各種不同娛樂的多功能可攜式設備,廠商們皆盡量采用高度原音的聲頻系統及壽命較長的電池,并使此類可攜式電子產品具備立體聲喇叭放大器,多種不同的混音,以及3D強化立體聲等功能,同時在外型外也盡量輕薄小巧。但其設計范疇仍不脫離以上所述基本原理,此為本文所要表達之另一目的。





