- 零轉換PWM DC-DC變換器的拓撲綜述
- 一種改進的ZCT-PWM變換器
- ZCZVT-PWM變換器
1 引言
為了減小功率變換器的體積、重量和開關損耗,提高開關頻率和工作效率,在DC-DC變換器中常采用軟開關技術,以實現主開關管的零電壓(零電流)開通或 關斷。具體的方法有四種: 零電壓準諧振變換器(ZVS-QRC),零電壓多諧振變換器(ZVS-MRC),ZVS-PWM變換器和零轉換PWM變換器。
一般而言,ZVS-QRC變換器[1]電壓應力較大,且電壓應力與負載變化范圍成正比;ZVS-MRC變換器[2]也具有較大的電壓應力和電流應 力;ZVS-PWM變換器[3]則因串聯諧振網絡而導致大的導通損耗。而零轉換PWM變換器則不同,它克服了前面三種結構的缺點,電路性能大為改善。其電 路結構的特點在于:它的諧振網絡與主開關管并聯;在開關轉換期間,諧振網絡產生諧振,獲得零開關條件;在開關轉換結束后,電路又恢復到正常的PWM工作方 式。這種電路結構給其帶來了四個方面的優點:(1)功率開關器件工作在軟開關條件下,承受的電壓、電流應力較低;(2)在整個輸入電壓和負載范圍內,都能 較好地保持零電壓特性;(3)輔助諧振網絡并不需要處理很大的環流能量,因此電路的導通損耗較小;(4)采用PWM控制方式,實現了恒頻控制。
由于零轉換PWM電路的突出優點,使其得到了廣泛研究和應用。最近幾年里,出現了許多新的零轉換PWM拓撲結構,其中以ZVT-PWM變換器的一些改進、ZCT-PWM變換器、以及ZCZVT-PWM變換器等幾種特色比較突出。本文將對這幾種拓撲結構作簡要介紹,重點分析它們的工作原理,并剖析它們的優缺點。
2 ZVT-PWM變換器及其改進
2.1 普通的ZVT-PWM變換器

圖1所示是文獻[4]提出的普通Boost ZVT-PWM變換器的拓撲結構。它在主開關管S之上,并聯了一個由諧振電容Cr(其中包含了主開關S的輸出電容和二極管D的結電容)、諧振電感Lr、輔助開關S1及二極管D1組成的輔助諧振網絡。
在每次主開關管S導通前,先導通輔助開關管S1,使輔助諧振網絡諧振。當S兩端電容電壓諧振到零時,導通S。當S完成導通后,立即關斷S1,使輔助諧振 電路停止工作。之后,電路以常規的PWM方式運行。該拓撲結構在不增加電壓/電流應力的情況下,實現了S的零電壓導通和D的零電流關斷。但由于S1是在大 電流(接近諧振峰值電流)下關斷、大電壓(接近輸出電壓)下開通, S1處于一種非常不好的硬開關環境。
為了解決普通ZVT-PWM變換器的以上缺點,近幾年中人們提出了幾種改進的ZVT-PWM變換器拓撲結構,它們均實現了主開關管和輔助開關管的軟開關,減少開關損耗。下面對這幾種改進結構分別予以介紹
[page]
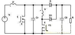
2.2 改進拓撲之一

圖2所示為文獻[5]提出的一種新穎的ZVT-PWM變換器拓撲。與圖1的普通ZVT-PWM Boost變換器相比,該改進的拓撲只是在輔助諧振網絡中增加了一個電容


在分析中,假定:(1)輸入電壓



為常數;(2) 輸出電容




設初始狀態為:主功率開關管




模態1







模態2






模態3




可見,該拓撲結構實現了主開關管T1和輸出整流二極管DF在零電壓下導通和關斷,輔助開關管T2在零電流下導通和零電壓下關斷,兩個開關管都是軟通斷,克服了普通ZVT-PWM變換器的輔助開關管為硬通斷的缺點,減少了關斷損耗。
[page]
2.3 改進拓撲之二

圖3所示為文獻[6]中提出的另一種新穎的ZVT-PWM變換器拓撲。與圖3的普通ZVT-PWM變換器相比,該改進的拓撲只是在輔助諧振網絡增加了一個電容,少了一個二極管。以下對其工作過程進行分析。
在分析中,假設與1.2基本相同,并設初始狀態為:



可見,該拓撲結構實現了主開關管 在ZVS條件下通斷,輔助開關管 在零電壓、零電流的條件下關斷與開通,兩個開關管都是軟通斷,改善了開關環境,克服了普通ZVT-PWM變換器的輔助開關管為硬開關的缺點,減小了關斷損耗。
2.4 改進拓撲之三

圖4所示為文獻[7]提出的另一種改進的ZVT-PWM變換器拓撲。與圖4的普通ZVT-PWM變換器相比,該改進的拓撲只是在輔助諧振網絡增加了一個 電感、一個二極管和一個電容。其工作原理的分析與前面的基本相似,具體分析可以參考文獻[7]。從中可知,主開關管S1在零電壓下開通和關斷,輔助開關管 S2在零電流下開通和關斷,從而克服了普通的ZVT-PWM變換器輔助開關管為硬開關的缺點,減小了開關損耗,實現了兩個開關都是軟開關。
3 ZCT-PWM變換器
3.1 普通的ZCT-PWM變換器

ZVT-PWM變換器能實現在ZVS下開通,消除導通損耗,但卻不能有效地減小關斷損耗。而普通的ZCT-PWM變換器[8],如圖5所示,則能實現主 開關在ZCS下關斷,消除關斷損耗。但是,其輔助開關仍然是硬開關,而且,其輸出整流二極管存在嚴重的反向恢復問題,導致大的導通損耗。雖然通過改變控制 策略,使輔助開關導通時間更長一些,可以實現輔助開關管在ZCS下關斷,但輔助開關管的峰值電流將較大。
3.2 改進拓撲之一
文獻[9]提出了一種改進的ZCT-PWM變換器。該改進的拓撲只是將諧振網絡的輔助開



[page]
3.3 改進拓撲之二
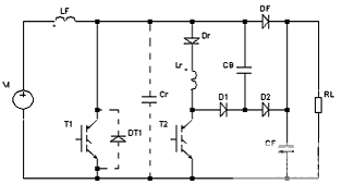
文獻[10]介紹了一種新穎的ZCT-PWM變換器,它很好地解決了以上所提的各項缺點,如圖6所示。與圖5的普通ZVT-PWM變換器相比,該改進的拓撲在元器件數量方面沒有增減,只是改變了組合方式,但同時實現了主開S和輔助開關管



在分析中,假設與1.2基本相同,并設初始狀態為:主功率開關管S及輔助開關管





可見,該拓撲實現了所有開關管和輸出整流二極管


4 ZCZVT-PWM變換器
近些年,一些電力電子研究中心的工程師們正盡力尋求一種最優化的軟開關技術,即用盡量少的輔助元件,實現功率半導體器件同時在零電壓和零電流下轉換,綜 合ZVT-PWM變換器和ZCT-PWM變換器的優點,進一步完善零轉換條件。文獻[11]所介紹一種新穎的 ZCZVT-PWM變換器,就能實現主開關管同時在零電壓和零電流下轉換,如圖7所示。以下對其工作過程進行分析。

在分析中,假設與1.2基本相同,并設初始狀態為:主功率開關管S及輔助開關管




可見,該拓撲結構實現了主開關管S同時在零電壓和零電流條件下開通和關斷,輔助開關管

5 總結
零轉換PWM DC-DC變換器是低電壓(電流)應力、高效率的變換器,但傳統的零轉換PWM DC-DC變換器仍存在一些問題。為了解決這些問題,人們提出了許多新的改進拓撲。本文對三種改進的ZVT-PWM變換器、一種改進的ZCT-PWM,以 及一種新穎的ZCZVT-PWM作了詳細介紹和分析。這幾個改進的拓撲都實現了所有開關管的軟通斷,進一步減小了開關損耗,效率大為提高,很值得進一步研 究和完善。





