導讀:隨著競爭產品價格的降低和產品差異化需求的增加,在工業市場上生存也變得越來越艱難。同時,安全標準不見有絲毫放寬,這要求更多的工業應用采用電流隔離,給光耦合器帶來不利影響。這些不利影響會導致以下這些因素的增加:尺寸、功耗、電路板、元件數和成本。
設計工程師如何權衡抵抗有害脈沖和浪涌、設計復雜性以及成本等互相沖突的要求,同時盡可能加快上市以保持競爭力?
您可以輕易將一組光耦合器固定到現有接收器上,但這么做意味著增加成本、設計復雜性、元件數和電路板空間。搜索“隔離式RS-485”、“隔離式RS-232”、“隔離式CAN”、“隔離式I2C”或“隔離式USB”就能找到一大堆基于數字隔離技術的完全集成式解決方案——在單個封裝內實現隔離并集成收發器。有些甚至在封裝內集成隔離式電源,進一步降低系統尺寸和成本。只有數字隔離器才能實現如此完整跨度的解決方案,這意味著它們的功耗不會過大,因此無需重新設計就能夠適應目前的功耗預算。然而需注意,對于基本隔離和/或增強隔離,并非所有列出的“隔離式”解決方案都能滿足嚴格的UL、CSA和VDE要求。
[member]
這些完全集成式解決方案的設計師將被采購經理視為英雄。畢竟,采購經理會說:“就用我們之前買的東西。我不在乎它是不是會增加成本。”
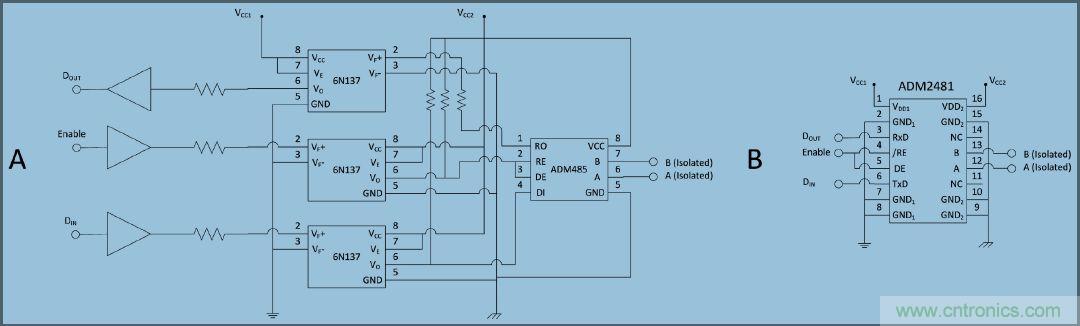
圖1顯示隔離I2C總線的不同方法。圖1A顯示使用一個I2C緩沖器和四個光耦合器的實現方法。圖1B顯示使用單片IC的實現方法。圖2顯示了隔離RS-485的類似實例,單片IC方法明顯符合采購經理的意愿:一個器件比兩個便宜。鑒于篇幅有限,我們不用羅列采用分立式元件隔離USB和使用單片隔離式USB IC的顯著區別!

圖1 I2C緩沖器和4個光耦合器與單片IC(注意:為簡明起見,圖中略去了上拉電阻)

圖2 RS-485收發器和3個光耦合器與單片IC





