【導讀】ADL5566是一款針對中頻和直流應用而優化的高性能雙通道差分放大器。該放大器在寬頻率范圍內提供1.3 nV/√Hz的低噪聲和出色的失真性能,堪稱高速16位模數轉換器(ADC)的理想驅動器。ADL5566非常適合用于高性能、零中頻/復合中頻接收器設計。此外,該器件針對單端輸入驅動應用具有出色的低失真特性。
ADL5566的增益為16 dB。對于單端輸入配置,增益降低為14 dB。每個放大器各使用兩個外部串聯電阻可擴展放大器的增益靈活性,并允許差分輸入選擇0 dB至16 dB范圍內的任意增益;允許單端輸入選擇0 dB至14 dB范圍內的任意增益。此外,輸出(VOCM)電平低至1.2 V時,該器件可保持低失真性能,在最高2 V p-p的交流電平下,提供額外的CMOS ADC驅動能力。

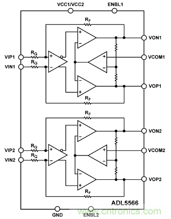
ADL5566 功能框圖
采用3.3 V電源供電時,ADL5566的靜態電流典型值為每個放大器70 mA。禁用時,每個放大器功耗小于3.5 mA,且100 MHz時的輸入至輸出隔離為−25 dB。
該器件針對寬帶、低失真和噪聲性能優化,使其具備了無可比擬的無雜散動態范圍(SFDR)性能。這些特性加上可調增益能力,使該器件成為驅動多種ADC、混頻器、PIN二極管衰減器、SAW濾波器以及多單元分立器件的放大器選擇。
ADL5566采用ADI公司的高速SiGe工藝制造,提供緊湊型4 mm × 4 mm、24引腳LFCSP封裝,工作溫度范圍為−40°C至+85°C。
ADL5566差分放大器的主要特性:
- 業界最佳HD2和HD3性能
- 高截點功率線性度:200MHz時OIP3/OIP2分別為46 dBm/82.6 dBm(增益為16 dB)
- 二階/三階失真(2 Vpp驅動200 Ω負載):200MHz時分別為–94.5 dBc/ –87.2 dBc(增益為16 dB)
- RTI噪聲:1.3 nV/√ HZ(增益為16dB)
- 支持單端和差分輸入應用
- 功耗:3.3 V時每通道70 mA;5 V時每通道80 mA
- 電源電壓范圍:2.8 V至5.2 V(具有通道獨立使能功能)
供貨、報價與配套產品







