【導讀】本文主要講解的是基于TC35 GSM模塊的CO氣體監測儀的設計,它的主要功能就是應用SMS進行數據傳遞。文中對無線通訊模塊做出了細致了講解,并介紹了TCC35短消息收發模塊在 CO氣體監測儀中的應用。
CO氣體濃度監測儀是用來測量相關環境空氣中CO含量的便攜式智能儀器。目前,國內CO氣體監測儀與控制中心的數據通信最常見的 是通過CAN總線、RS485總線或RS232總線來完成。RS232總線的通訊距離 是12 m,最大可達15.4 m;RS485總線的通訊距離是1200 m。CAN總線的直接通訊距離最大可達10 km。但無論哪種方式都有距離的限制.而且最終決定了控制中心的固定性。隨著GSM移動通信網絡的迅速普及和競爭的日益激烈.GSM模塊作為一種主要的 GSM網絡接入設備.應用越來越廣泛,并已開發出多種前景樂觀的應用。
TC35型模塊是終端的主要功能部件,由GSM基帶處理器、電源專用集成電路、 射頻電路和閃速存儲器等部分組成,負責處理GSM蜂窩設備中的音頻、數據和信號,內嵌的軟件部分執行應用接口和所有GSM協議站的功能。基帶處理器包含蜂 窩無線部分的所有模,數轉換功能,為滿足GSM、PCS蜂窩用戶市場日益增長的要求.在不用外接電路的情況下就能支持FR、HR和EFR語音和信道編碼。 射頻部分基于SMARTi型電路.模塊內的天線電纜連接到GSC類型的 50Ω 連接器。
TC35模塊適合最小功率的GSM蜂窩設備.這種蜂窩設備的應用部分構成人機接口(MMI)。通過串口可接入 TC35。TC35通過40針ZIF連接蜂窩應用部分,ZIF連接器提供控制數據、音頻信號和電源線的應用接口。終端系統的工作電壓為5 VDC。由于TC35的突發耗電電流峰值可達3 A.故外加穩壓器件必須達到足以提供該額定電流的條件。在該終端中。采用LM2596型開關電源完成12V到5V的轉換.作為TC35 終端的電源。必須注意的是。由LM2596完成開關電源轉換需要大功率的電感器和電容器.以提高儲能能力.滿足TC35的耗電要求。

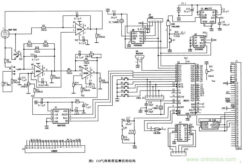
CO氣體監測儀系統的結構
具有GSM短消息收發功能的便攜式CO氣體濃度監測儀的結構如圖所示。筆者研制的監測儀主要用于公共場所及某些生產車間空氣中CO濃度的監測.采用電池作為供電電源.CO傳感器N1選用日本根本特殊化學株式會社生產的NAP一505型電化學式傳感器。傳感器輸出電流與CO氣體濃度成線性。 A1(OP90)可以保證工作電極和參考電極等電位。傳感器輸出OμA~70μA電流經Aa(OP90)轉換成0 V~0.7 V的電壓,以保證當CO濃度在0“10-3時A3的輸出為0 V~2.5V,以滿足MD轉換器U.IADS7822的輸入要求。OP90具有內部調零電路.允許儀器放大器提供真正的零輸入零輸 出操作。NAP一 505的溫度特性用常數B為3435K的NTC熱敏電阻器進行補償,溫度經過補償后。其輸出在一10℃-50℃范圍內能夠滿足精度要求。
相關閱讀:
電路速成:智能汽車控制系統電路設計
重磅推薦:黑白循跡小車的電路設計
智能家電的無線數據傳輸電路設計




