【導讀】本文根據LCL濾波器L1 + L2 ,C2 兩者之間的關系,提出了一種在濾波電容以及總電感值較低且不變的情況下,通過改變濾波電感L1,L2 的值設計出滿足并網要求且諧波抑制最為顯著的濾波器。最后在10 kVA的單相并網逆變器樣機上驗證了當濾波電感L1 大于L2 的時候,LCL濾波器的實際性能更加顯著。
光伏并網逆變器輸出的并網電流中含有大量的諧波,這些諧波會導致電能質量的惡化,繼而引發大規模的事故。因而濾波器的設計對于改善電能質量尤為重要。就現階段而言,LCL濾波器的設計方法也層出不窮。文獻[1]提出了分裂電容法,將LCL型濾波器的中間旁通電容分成并聯的前后兩部分,取兩電流的加權平均值的方法;文獻[2]根據濾波器的限制條件來確定具體參數范圍,但是具有很強的經驗性不利于設計;利用被動阻尼比的方法進行相關驗證等均存在相應的缺點。
本文依據LCL 型濾波器中濾波總電感值L1 + L2 與濾波電容C2 兩者之間的關系提出了一種在濾波電容以及總電感值較低且不變的情況下,通過改變濾波電感L1 ,L2 的值即當濾波電感L1 大于濾波電感L2 時設計出滿足并網要求且諧波含有量較少的濾波器。并且通過實驗驗證了在濾波電容以及總電感值較低且不變的情況下,濾波電感L1 大于濾波電感L2 的濾波效果明顯優于濾波電感L2 大于濾波電感L1 所設計的LCL濾波器。
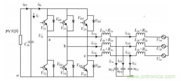
1 三相并網逆變器拓撲結構
圖1 為三相并網逆變器的拓撲結構圖,iPV 為直流電流,Cdc 為直流母線電容,Ud 為直流母線電壓;VT1~VT6為三相逆變的6個IGBT橋臂。R1 ,R2 分別為兩側濾波電感的內阻。該拓撲結構中LCL型濾波器的傳遞函數可以表示為如下:

2 濾波器參數性能分析
由于LCL濾波器在抑制諧波方面效果顯著,故本文就LCL濾波器的參數性能進行相關比較,最后設計出一種滿足并網要求且諧波抑制最為顯著的濾波器。依據圖1所示的并網逆變器拓撲結構中濾波電感L1 、L2 和濾波電容C2 ,通過Matlab 仿真得到LCL 型濾波器中濾波總電感值L1 + L2 與濾波電容C2 兩者之間的關系如圖2 所示,并且可以看出:在濾波電容C2 值越大的時候,L1 + L2 總電感量值越小。

圖1 三相并網逆變器并網拓撲結構

圖2 濾波器中C2 與L1 + L2 之間的關系
依據上述仿真結果,本文在保持濾波電容、總電感值較小且不變的情況下,通過改變L1 ,L2 進行相關性能比較,最后提出在濾波電容C2 值以及L1 + L2 總電感量值不變的情況下,L1 電感值大于L2 電感值的時候,此時LCL濾波器的性能達到最優。并且依據濾波器的限制條件對濾波器的參數進行如下設計:
(1)諧振頻率可以表示為:

3 實驗驗證
在額定容量10 kVA的單相并網逆變器樣機上其電路拓撲如圖1所示,給定電網額定電壓230 V,直流電壓580 V,調制頻率5 kHz,并且保持濾波電容C1 為20 μF且總電感值L1 + L2 為2.5 mH 不變的情況下,通過改變L1 ,L2 的參數進行相關比較實驗,分別得到了逆變電壓以及并網電流的波形圖如圖3所示。



圖3 實驗波形
通過上述實驗可以明顯看出在濾波電容、總電感值不變的情況下,當濾波電感L1 大于L2 的時候相比L2 大于L1 時所設計的LCL 濾波器的實際性能更加優越,即逆變器逆變輸出電壓以及并網電流的電能質量更加優化。


