【導讀】金屬結構作為大型機械設備的支持構架,其結構強度是影響機械設備安全可靠運行的關鍵。隨著機械設備朝著大型化、重型化、高速化方向發展,要求設備具有更高安全性,從而突出了結構的強度要求。應力應變測試是研究機械結構強度的重要手段,同時也廣泛用于起重機、龍門吊、大型工程機械,以及大飛機上的應力測試等。
金屬結構作為大型機械設備的支持構架,其結構強度是影響機械設備安全可靠運行的關鍵。隨著機械設備朝著大型化、重型化、高速化方向發展,要求設備具有更高安全性,從而突出了結構的強度要求。應力應變測試是研究機械結構強度的重要手段,同時也廣泛用于起重機、龍門吊、大型工程機械,以及大飛機上的應力測試等。
機械結構應力監測常用的有光纖光柵傳感器監測與電阻應變計技術監測。技術型授權代理商Excelpoint世健的工程師Galen Zhang基于電阻應變計原理的ADI應力測試應用方案展開了詳細介紹。
電阻應變計的基本結構與原理
電阻應變計的基本結構主要由四部分組成:金屬電阻應變絲(敏感柵) 、基體、引線和覆蓋層(如圖1)。金屬電阻應變絲是把結構應變轉化為電阻變化的敏感部分,也是電阻應變片的重要組成部分;基體是敏感柵的支撐材料,具有良好的絕緣性,可以使敏感柵和被粘貼物之間保持良好的絕緣性;引線的主要作用是連接敏感柵和測量電路,將電信號輸送到測量電路;覆蓋層可以有效保護敏感柵,防止敏感柵受到機械損傷和環境溫度與濕度的侵擾等。
圖1.電阻應變計結構
將電阻應變計安裝(如粘貼或焊接)在被測結構件表面上,結構件受力而變形時,電阻應變計的敏感柵隨之產生相同應變,其電阻值發生變化,用儀器測量此電阻變化即可測量出構件表面沿敏感柵軸線方向的應變。因此,電阻應變計的主要性能與敏感柵有關,取敏感柵材料金屬細絲,研究其把應變轉換成電阻變化的關系。
金屬細絲的電阻R與絲的長度L成正比,而與其截面積A成反比,按物理學有下列公式:
在一定應變范圍內μ、m是常數,因此K0也是常數,即電阻相對變化與應變成比例,K0稱為金屬絲的靈敏系數,因此可通電阻測量來反應應變。
電阻應變計的測量方案
1、測試流程
最前端的傳感器由壓電元件擔任,常用的是應變片或應變計。應變片本身是一個比較精密的電阻,貼合在機身表面后,機身表面的形變也可以傳遞到應變片上;而應變片本身又是接入到惠斯通電橋中的。因此,機身的形變也就由物理量轉換成了電學的模擬信號,傳遞到了測量電路中;再通過帶有屏蔽層的雙絞線等,傳遞到運放芯片,將本來還比較微弱的電信號放大,并最終通過 ADC 轉換芯片轉換成數字信號。最后,機身形變這一物理量,轉換成了數字量,并存儲到電路后端的 CPU 中做計算和處理。可將此方法繪制成框圖(如圖 2)。
圖2.應變計測試流程
2、系統框圖
下圖3所示為ADI的應變計測量方案。通過差動運放AD8276產生一個激勵電流源或電壓源加在應變變片。通過AD8422儀表放大器完成惠斯通電橋中應變片上信號的轉換。經過濾波放大后送給ADC來采集模擬信號。最終經過MCU換算出應變計上電阻變化從而求出應力變化。
圖3.系統框圖
3、重點型號介紹
圖4所示為ADI應變計測量方案信號鏈中型號特性描述。
圖4.信號參數
4、激勵源介紹
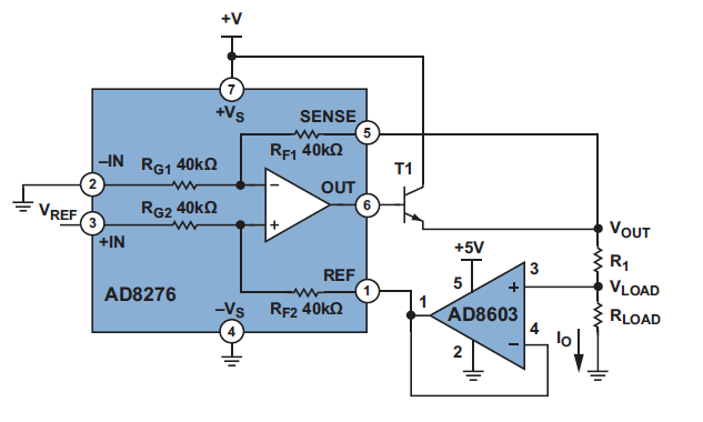
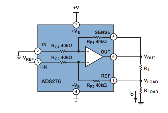
精密電流源傳統上采用運算放大器、電阻和其它分立器件構建,但存在尺寸、精度和溫度漂移等方面的不足。如今,高精度、低功耗、低成本集成差動放大器的AD8276使得尺寸更小、性能更高的電流源變成現實(如圖5)。反饋緩沖器使用低失調、低偏置電流放大器,例如ADA4098-2、ADA4622-2、AD8610、AD8603等具體取決于所需電流范圍。
圖5 .差動放大器和運算放大器構成精密電流源
輸出電流可以通過下式計算:
SENSE引腳可以耐受幾乎為電源兩倍的電壓,因此第二個限制條件相當寬松。2.5V至36V的寬電源電壓范圍使得AD8276成為許多應用的理想之選。A級和B級的最大增益誤差分別為0.05%和0.02%,因此電流源精度最高可達0.02%。
如果所需輸出電流小于AD8276的輸出能力15 mA,則可去掉升壓晶體管,如果低電流和降低精度均能接受,則可采用更為簡單的低成本配置(如圖6)。
圖6.針對低成本、低電流應用的簡化電路
輸入電壓VREF可以是DAC輸出、基準電壓源或傳感器輸出。如果需要可編程電流源,推薦使用精密14位或16位DAC,如AD5645R、AD5692R、AD5764R、 AD5663R和AD5668等。至于基準電壓源,要求更高性能時推薦使用精密基準源ADR43x和ADR45xx;要求低功耗時推薦使用ADR36x;要求低成本時推薦使用AD158x和ADR504x;要求小尺寸時推薦使用集成運算放大器與基準電壓源ADR82x。
5、惠斯通電橋介紹
應變計阻抗測量使用AD8422搭惠斯通電橋來測量(如圖7)。
圖7.惠斯通電橋
儀表放大器AD8422是一款精密、低功耗、低噪聲軌到軌儀表放大器,具有業界優質的每單位微安性能。AD8422以超低失真性能處理信號,在整個輸出范圍內負載不影響性能。
AD8422是業界標準AD620發展到第三代的產品。具有極低的偏置電流,高源阻抗時不會產生誤差,允許多個傳感器多路復用至輸入端。低電壓噪聲和低電流噪聲特性使AD8422成為測量惠斯通電橋的理想選擇。
AD8422主要特點:
● 低功耗:最大靜態電流330μA
● 低噪聲:1khz時最大輸入電壓噪聲8nv /√Hz
● 電壓漂移:±0.3 μV/°C最大輸入偏置電壓漂移 ,±2 μV/°C最大輸出偏置電壓漂移
● 出色交流特性:10 kHz時的CMRR:80 dB(最小值,G = 1)
高帶寬: 2.2 MHz @G=1
● 出色直流特性:CMRR:150 dB(最小值,G = 1000)
增益誤差:0.04%(最大值,G = 1000)
輸入失調漂移:0.3 μV/°C(最大值)
輸入偏置電流:0.5 nA(最大值)
● 電源:4.6 V至36v或±2.3 V至±18v
6、電源介紹
LT8653S主要特點:
● Silent Switcher?2 架構:可在任何 PCB 上實現超低 EMI
消除了 PCB 布局敏感性
內部旁路電容器可降低發射的 EMI
可選的擴頻調制功能
● 雙通道且每個通道可同步提供 2 A 直流電流
● 可選的外部 VC 引腳:快速瞬態響應
● 1 A 時效率為 94.1%,2MHz 時可從 12 VIN 提供 5 VOUT
● 快速最短開關接通時間:30 ns
● 可調并且可同步:300 kHz 至 3 MHz
● 具備快速內部補償功能的內部 2 MHz fSW
ADI應力測試應用方案可以幫助客戶進行高效的電阻應變測試,是進行測量惠斯通電橋的理想選擇,ADI還提供靈活豐富的產品方案滿足客戶個性化需求,其授權代理商Excelpoint世健能為客戶提供技術支持,有助于客戶縮短產品開發周期,加快產品應用部署。
(來源:世健)
免責聲明:本文為轉載文章,轉載此文目的在于傳遞更多信息,版權歸原作者所有。本文所用視頻、圖片、文字如涉及作品版權問題,請聯系小編進行處理。
推薦閱讀:



