【導讀】在工業傳感器網絡與高精度儀器設計中,模數轉換器(ADC)的性能直接決定系統測量精度。傳統方案常因分立式架構導致信號鏈冗長——小信號需外接儀表放大器,傳感器激勵依賴獨立恒流源,不僅引入額外噪聲(典型值>3μV),更使多通道擴展成本飆升30%以上。ADI推出的AD7124-4/AD7124-8系列ADC,通過單芯片集成22位無噪聲轉換、可編程激勵源及自診斷功能,為溫度、壓力等關鍵參數測量樹立了新的集成度標桿。
在工業傳感器網絡與高精度儀器設計中,模數轉換器(ADC)的性能直接決定系統測量精度。傳統方案常因分立式架構導致信號鏈冗長——小信號需外接儀表放大器,傳感器激勵依賴獨立恒流源,不僅引入額外噪聲(典型值>3μV),更使多通道擴展成本飆升30%以上。ADI推出的AD7124-4/AD7124-8系列ADC,通過單芯片集成22位無噪聲轉換、可編程激勵源及自診斷功能,為溫度、壓力等關鍵參數測量樹立了新的集成度標桿。
一、突破性架構:三位一體的性能革新
AD7124的核心競爭力源于三大技術創新:
1. 超低噪聲與動態范圍
在全功率模式下,其有效分辨率達22位無噪聲碼(ENOB),輸入參考噪聲低至0.78μVrms(增益=128,10SPS),較分立方案噪聲降低65%。即便在125μA低功耗模式下,仍保持20位有效精度,滿足電池供電設備的長時監測需求。
2. 全集成信號鏈路
●可編程增益放大器(PGA)支持1~128倍動態調節,直接處理mV級小信號(如熱電偶輸出)
●6檔激勵電流(50μA~1mA)驅動RTD/壓力傳感器,消除外部恒流源設計負擔
●內置±2.5ppm/℃基準電壓源,溫漂誤差較外置方案降低40%
3. 智能診斷引擎
開路檢測響應時間<100ms,結合寄存器映射式配置,可將系統故障排查效率提升50%。
二、應用場景重構:從復雜到極簡
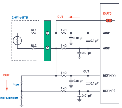
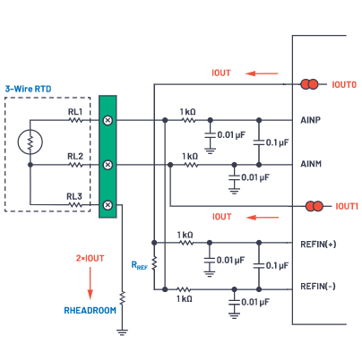
? RTD測溫革命
傳統三線制PT100測量需3個運放+2路模擬開關(圖1),而AD7124僅需單芯片實現(圖2-4)。實測對比表明:

*數據來源:ADI應用筆記AN-2016*
圖1 典型RTD信號鏈
圖2 2線RTD與AD7124的接法
圖3 3線RTD與AD7124的接法
圖4 4線RTD與AD7124的接法
? 壓力傳感系統優化
對于電壓/電流激勵型壓力傳感器(圖5-6),AD7124通過以下設計簡化電路:
●直接橋式傳感器接口,省去外部儀表放大器
●片內50Hz/60Hz陷波濾波器,抑制工頻干擾
●多通道獨立配置(AD7124-8支持15路單端輸入),實現多傳感器同步采集
圖5 電壓激勵的壓力傳感器
圖6 電流激勵的壓力傳感器
三、選型決策樹:精準匹配應用需求
工程師需重點評估三個維度:
1. 通道規模
●≤7路單端信號:選用AD7124-4(4差分通道)
●8~15路單端信號:選擇AD7124-8(8差分通道)
2. 能效平衡

3. 抗干擾策略
啟用Sinc4濾波器+后置濾波(FS=25),可將50Hz噪聲抑制比提升至120dB。
結語
AD7124通過“三低兩高”特性(低噪聲/低功耗/低復雜度+高集成/高靈活),解決了精密測量系統的根本矛盾。其價值不僅體現于元件數量減少70%,更在于將校準周期延長至5年(傳統方案1-2年),顯著降低全生命周期運維成本。隨著工業4.0對分布式傳感網絡的需求增長,此類全集成ADC將成為智能工廠的底層硬件基石。
推薦閱讀:
光伏充電控制器升級首選?TI GaN 的高效小型化低成本之道
800V高壓平臺突圍!安森美碳化硅技術賦能小米YU7性能躍升



