中心議題:
- AC/DC開關電源的沖擊電流限制方法
- DC/DC開關電源的沖擊電流限制方法
- 串連電阻法、熱敏電阻法和有源沖擊電流限制法
- 長短針法和有源沖擊電流限制法
1. 引言
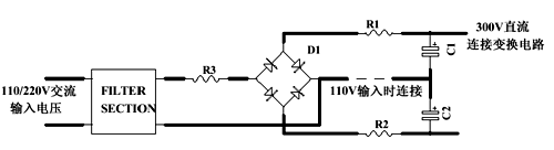
開關電源的輸入一般有濾波器來減小電源反饋到輸入的紋波,輸入濾波器一般有電容和電感組成∏形濾波器,圖1. 和圖2. 分別為典型的AC/DC電源輸入電路和DC/DC電源輸入電路

由于電容器在瞬態時可以看成是短路的,當開關電源上電時,會產生非常大的沖擊電流,沖擊電流的幅度要比穩態工作電流大很多,如對沖擊電流不加以限制,不但會燒壞保險絲,燒毀接插件,還會由于共同輸入阻抗而干擾附近的電器設備。
歐洲電信標準協會(the European Telecommunications Standards Institute)對用于通信系統的開關電源的沖擊電流大小做了規定,圖3為通信系統用AC/DC電源供電時的最大沖擊電流限值[4],圖4為通信系統在DC/DC電源供電,標稱輸入電壓和最大輸出負載時的最大沖擊電流限值[5]。圖中It為沖擊電流的瞬態值,Im為穩態工作電流。

圖3. 通信系統的最大沖擊電流限值(AC/DC電源)

圖4. 通信系統在標稱輸入電壓和最大輸出負載時的沖擊電流限值(DC/DC電源)
沖擊電流的大小由很多因素決定,如輸入電壓大小,輸入電線阻抗,電源內部輸入電感及等效阻抗,輸入電容等效串連阻抗等。這些參數根據不同的電源系統和布局不同而不同,很難進行估算,最精確的方法是在實際應用中測量沖擊電流的大小。在測量沖擊電流時,不能因引入傳感器而改變沖擊電流的大小,推薦用的傳感器為霍爾傳感器。
[page]
2. AC/DC開關電源的沖擊電流限制方法
2.1 串連電阻法
對于小功率開關電源,可以用象圖5的串連電阻法。如果電阻選得大,沖擊電流就小,但在電阻上的功耗就大,所以必須選擇折衷的電阻值,使沖擊電流和電阻上的功耗都在允許的范圍之內。
串連在電路上的電阻必須能承受在開機時的高電壓和大電流,大額定電流的電阻在這種應用中比較適合,常用的為線繞電阻,但在高濕度的環境下,則不要用線繞電阻。因線繞電阻在高濕度環境下,瞬態熱應力和繞線的膨脹會降低保護層的作用,會因濕氣入侵而引起電阻損壞。
圖5所示為沖擊電流限制電阻的通常位置,對于110V、220V雙電壓輸入電路,應該在R1和R2位置放兩個電阻,這樣在110V輸入連接線連接時和220V輸入連接線斷開時的沖擊電流一樣大。對于單輸入電壓電路,應該在R3位置放電阻。

圖5. 串連電阻法沖擊電流控制電路(適用于橋式整流和倍壓電路,其沖擊電流相同)
2.2 熱敏電阻法
在小功率開關電源中,負溫度系數熱敏電阻(NTC)常用在圖5中R1,R2,R3位置。在開關電源第一次啟動時,NTC的電阻值很大,可限制沖擊電流,隨著NTC的自身發熱,其電阻值變小,使其在工作狀態時的功耗減小。
用熱敏電阻法也由缺點,當第一次啟動后,熱敏電阻要過一會兒才到達其工作狀態電阻值,如果這時的輸入電壓在電源可以工作的最小值附近,剛啟動時由于熱敏電阻阻值還較大,它的壓降較大,電源就可能工作在打嗝狀態。另外,當開關電源關掉后,熱敏電阻需要一段冷卻時間來將阻值升高到常溫態以備下一次啟動,冷卻時間根據器件、安裝方式、環境溫度的不同而不同,一般為1分鐘。如果開關電源關掉后馬上開啟,熱敏電阻還沒有變冷,這時對沖擊電流失去限制作用,這就是在使用這種方法控制沖擊電流的電源不允許在關掉后馬上開啟的原因。
2.3 有源沖擊電流限制法
對于大功率開關電源,沖擊電流限制器件在正常工作時應該短路,這樣可以減小沖擊電流限制器件的功耗。
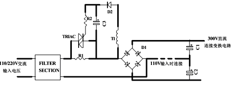
在圖6中,選擇R1作為啟動電阻,在啟動后用可控硅將R1旁路,因在這種沖擊電流限制電路中的電阻R1可以選得很大,通常不需要改變110V輸入倍壓和220V輸入時的電阻值。在圖6中所畫為雙向可控硅,也可以用晶閘管或繼電器將其替代。

圖6. 有源沖擊電流限制電路 (橋式整流時的沖擊電流大)
圖6所示電路在剛啟動時,沖擊電流被電阻R1限制,當輸入電容充滿電后,有源旁路電路開始工作將電阻R1旁路,這樣在穩態工作時的損耗會變得很小。
在這種可控硅啟動電路中,很容易通過開關電源主變壓器上的一個線圈來給可控硅供電。由開關電源的緩啟動來提供可控硅的延遲啟動,這樣在電源啟動前就可以通過電阻R1將輸入電容充滿電。
3. DC/DC開關電源的沖擊電流限制方法
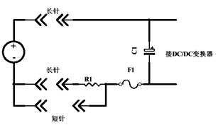
3.1 長短針法
圖7所示電路為長短針法沖擊電流限制電路,在DC/DC電源板插入時,長針接觸,輸入電容C1通過電阻R1充電,當電源板完全插入時,電阻R1被斷針短路。C1代表DC/DC電源的所有電容量。

圖7. 長短針法沖擊電流限制電路
這種方法的缺陷是插入的速度不能控制,如插入速度過快,電容C1還沒充滿電時,短針就已經接觸,沖擊電流的限制效果就不好。
也可用熱敏電阻法來限制沖擊電流,但由于DC/DC電源的輸入電壓較低,輸入電流較大,在熱敏電阻上的功耗也較大,一般不用此方法。
[page]
3.2 有源沖擊電流限制法
3.2.1 利用MOS管限制沖擊電流
利用MOS管控制沖擊電流可以克服無源限制法的缺陷。MOS管有導通阻抗Rds_on低和驅動簡單的特點,在周圍加上少量元器件就可以做成沖擊電流限制電路。
MOS管是電壓控制器件,其極間電容等效電路如圖8所示。

圖8. 帶外接電容C2的N型MOS管極間電容等效電路
MOS管的極間電容柵漏電容Cgd、柵源電容Cgs、漏源電容Cds可以由以下公式確定:

公式中MOS管的反饋電容Crss,輸入電容Ciss和輸出電容Coss的數值在MOS管的手冊上可以查到。
電容充放電快慢決定MOS管開通和關斷的快慢,為確保MOS管狀態間轉換是線性的和可預知的,外接電容C2并聯在Cgd上,如果外接電容C2比MOS管內部柵漏電容Cgd大很多,就會減小MOS管內部非線性柵漏電容Cgd在狀態間轉換時的作用。
外接電容C2被用來作為積分器對MOS管的開關特性進行精確控制。控制了漏極電壓線性度就能精確控制沖擊電流。
電路描述:
圖9所示為基于MOS管的自啟動有源沖擊電流限制法電路。MOS管 Q1放在DC/DC電源模塊的負電壓輸入端,在上電瞬間,DC/DC電源模塊的第1腳電平和第4腳一樣,然后控制電路按一定的速率將它降到負電壓,電壓下降的速度由時間常數C2*R2決定,這個斜率決定了最大沖擊電流。

圖9. 有源沖擊電流限制法電路
D1用來限制MOS管 Q1的柵源電壓。元器件R1,C1和D2用來保證MOS管Q1在剛上電時保持關斷狀態。
上電后,MOS管的柵極電壓要慢慢上升,當柵源電壓Vgs高到一定程度后,二極管D2導通,這樣所有的電荷都給電容C1以時間常數R1×C1充電,柵源電壓Vgs以相同的速度上升,直到MOS管Q1導通產生沖擊電流。
其中Vth為MOS管Q1的最小門檻電壓,VD2為二極管D2的正向導通壓降,Vplt為產生Iinrush沖擊電流時的柵源電壓。Vplt可以在MOS管供應商所提供的產品資料里找到。
[page]
MOS管選擇
以下參數對于有源沖擊電流限制電路的MOS管選擇非常重要:
漏極擊穿電壓 Vds
必須選擇Vds比最大輸入電壓Vmax和最大輸入瞬態電壓還要高的MOS管,對于通訊系統中用的MOS管,一般選擇Vds≥100V。
柵源電壓Vgs
穩壓管D1是用來保護MOS管Q1的柵極以防止其過壓擊穿,顯然MOS管Q1的柵源電壓Vgs必須高于穩壓管D1的最大反向擊穿電壓。一般MOS管的柵源電壓Vgs為20V,推薦12V的穩壓二極管。
其中Pout為DC/DC電源的最大輸出功率,Vmin為最小輸入電壓,η為DC/DC電源在輸入電壓為Vmin輸出功率為Pout時的效率。η可以在DC/DC電源供應商所提供的數據手冊里查到。MOS管的Rds_on必須很小,它所引起的壓降和輸入電壓相比才可以忽略。

圖10. 有源沖擊電流限制電路在75V輸入



