開關變壓器初、次級線圈的分布電容,對開關電源性能指標的影響也很重要,它會與變壓器線圈的漏感組成振蕩回路產生振蕩。當輸入脈沖電壓的上升或下降率大于振蕩波形的上升或下降率的時候,振蕩回路就吸收能量,使輸入脈沖波形的前、后沿都變差;而當輸入脈沖電壓的上升或下降率小于振蕩波形的上升或下降率的時候,振蕩回路就會釋放能量,使電路產生振蕩。如果振蕩回路的品質因數比較高,電路就會產生寄生振蕩,并產生EMI干擾。
另外,開關電源電壓輸入回路的濾波電感,其分布電容的大小對EMC指標的影響非常大,因此在這里也需要對濾波電感線圈的分布電容構成以及原理有充分的理解。從原理上來說,濾波電感線圈的分布電容與開關變壓器線圈的分布電容基本上是沒有根本區別的,因此,對變壓器線圈分布電容的分析與計算方法,對濾波電感線圈同樣有效。
開關變壓器初、次級線圈的分布電容與結構有關,因此,要精確計算不同結構的開關變壓器初、次級線圈的分布電容難度比較大。下面我們先以最簡單的雙層線圈結構的開關變壓器為例,計算它們的初級或次級線圈的分布電容。
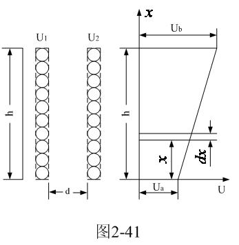
圖2-41是分析計算開關變壓器線圈之間分布電容的原理圖。

設圓柱形兩層線圈之間的距離為d,高度為h,平均周長為g 。假定兩層線圈之間沿高度的電位差為線性變化,即:

設兩個線圈相對應的兩表層間的電場近似均勻分布,即近似平板電容器的電場,那么,根據(2-112)式就可以求得該電場貯存的能量為:
[page]由此可以求得變壓器初級或次級兩層線圈之間分布電容的表達式:


對于圖2-42-b,可求得變壓器初級或次級兩層線圈之間的分布電容為:

由此可知,變壓器初級或次級兩層線圈之間的分布電容,除了與變壓器線圈的高度、周長、兩層線圈之間的距離等參數相關外,還與兩層線圈之間的電位差有關。
為了更好地對多層線圈的分布電容進一步進行分析,我們把(2-114)式改寫成一個靜態電容與一個動態系數相乘的形式,即:

[page]
當變壓器的線圈為多層時,我們只需反復利用(2-117)式來對相鄰兩層之間的分布電容獨立進行計算,然后把結果相加即可。如果一定要寫出計算多層線圈分布電容的表達式,則變壓器多層線圈的分布電容可表示為:



由此可以知道,變壓器線圈的總分布電容的大小主要與線圈的層數(n-1)成正比,與層間的距離d成反比,并且與變壓器線圈的連接方法還有關。
因此,我們不能把各層之間的分布電容當成普通電容的概念來理解。普通電容互相串聯時,總電容的容量,總是小于其中任意一個電容的容量;而變壓器線圈的層間分布電容看起來是屬于串聯,但其結果是越串連越大。這是為什么呢?這是因為變壓器線圈層間分布電容的電壓主要不是靠串聯回路來充電的,而是靠線圈之間互相感應產生的。
不但如此,變壓器次級線圈的分布電容同樣也要感應到初級線圈來。大多數場合,在考慮變壓器線圈總的分布電容的時候,一般都需要把初、次級線圈的分布電容一起來考慮。例如,電視機的高壓包,其次級線圈繞組的分布電容一般都很大,折算到初級線圈后,初級線圈總的分布電容就更大,一般可達好幾千微微法,如不采取分段繞線措施,最大可達好幾萬微微法。

直接對變壓器線圈的總分布電容進行測試是有些困難的,但可以測試每層線圈之間的靜態電容,方法是要把圖2-42中線圈層與層之間的連線斷開;然后把測量結果乘以一個動態系數,即得到本層的分布電容,最后把各層的分布電容全部相加即可得到總分布電容。
如果不考慮變壓器次級線圈對初級線圈的影響,對于一個功率大約為100瓦的開關變壓器,其初級線圈的分布電容大約在100~2000微微法之間;如果把次級線圈的分別電容也考慮進去,總的分布電容可能要大一倍左右。因此,分布電容對輸出波形的影響也是很大的。
為了減少變壓器線圈的分布電容,特別是EMC濾波器線圈的分布電容,最好不要把線圈分成多層疊繞,而是把線圈分段來繞,這樣可以降低(2-119)式或(2-120)式中每層線圈的高度h,從而可以減小線圈總的分布電容。




