- 線性恒流穩壓器驅動LED
- 電感型轉換器驅動LED
- 可使用TRIAC調光的LED驅動方案
- LED日光燈驅動方案
- LED路燈照明解決方案
市場上典型的LED驅動器包括兩類,即線性驅動器和開關驅動器;大概的適用范圍見圖1。如電流大于500mA的大電流應用采用開關穩壓器,因為線性驅動器限于自身結構原因,無法提供這樣大的電流;而在電流低于200mA的低電流應用中,通常采用線性穩壓器或分離穩壓器;而在200至500mA的中等電流應用中,既可以采用線性穩壓器,也可以采用開關穩壓器。
開關穩壓器的能效高,且提供極佳的亮度控制。線性穩壓器結構比較簡單,易于設計,提供穩流及過流保護,且沒有電磁兼容性(EMC)問題。

圖1 LED驅動器分類
線性恒流穩壓器
在低電流LED應用中,電阻型驅動器盡管成本較低且結構簡單,但這種驅動器在低電壓條件下,正向電流較低,會導致LED亮度不足,且在負載突降等瞬態條件下,LED可能受損;并且電阻是耗能元件,整個方案的能效較低,見下圖示例。

圖2 電阻型與線性驅動器對比
與電阻型驅動器相比,安森美半導體推出的線性恒流穩壓器可以提供穩定電流,在寬電壓范圍下提供恒定亮度,在高輸入電壓時保護LED,使其免于過驅動,在低輸入電壓時提供更高的亮度。而得益于其恒流特性,整個驅動僅需要一個SOT223封裝的線性穩壓器,結構簡單;客戶可以減少或消除源自不同供應商提供的不同LED的編碼成本,使系統總成本更低。線性穩壓器的適合手電,手持應急燈,走廊夜燈等小電流應用。[page]
電感型轉換器
線性穩壓器輸出的弱點是輸出能力有限,且不能升壓使用。電感型轉換器是很好的解決方案,可以實現良好的光亮控制和最佳的總發光效率。選擇合適的電感型轉換器有助提升效率,而實際無論是升壓或是降壓,都取決于應用的電源和LED的配置結構。
智能樓宇中的備用電源一般為直流24V,市電斷電之后仍需要備用照明長時間的工作,省電是備用照明的重點,此時正是電感型轉換器LED驅動器的用武之地。圖3說明了如何利用CAT4201從一個24V電源來驅動5只1W的LED。
LED電流由外部電阻R1來設定。CAT4201降壓LED驅動器利用兩階段開關作業來提供精確的平均電流。在第一階段,位于內部的CAT4201FET開關將SW端連接到地,使電流上升并對電感充電。

圖3:使用CAT4201驅動5個1W的LED。
電感兩端的電壓基本上等于24V減去LED的壓降。一旦電流達到預定的峰值,內部開關就切斷,而電流則繼續流過蕭特基二極管,直到電感放電為止。當電感的電流降到0時,將重復上述過程,因而電感電流的波形為三角形。本例中,開關頻率約為260kHz。LED兩端的電容C2將LED的電流突波減到最小。采用大電容會將突波減到更小。
本例中的總轉換效率(LED功率除以來自VBAT的功率)可達94%。在調節過程中想要LED電流保持完好,只要VBAT高于LED電壓-總VF+3V。低于該電平時,LED電流將線性降低。
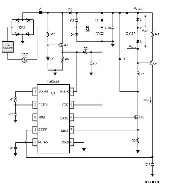
可使用TRIAC調光的LED驅動方案
在日常照明中雖然大功率LED現在還不能大規模取代傳統的白熾燈,但它們在室內外裝飾、特種照明方面有著越來越廣泛的應用,大功率LED被稱為“綠色光源”,將向大電流(300mA至1.4A)、高效率(60至120流明/瓦)、亮度可調的方向發展。
傳統的TRIAC(雙向晶閘管)調光控制器是用來調節電阻性的負載(例如是白熾燈或鹵素燈),而目前市場上的LED驅動器解決方案,在作TRIAC調光控制的時候,會產生120Hz的閃爍及/或不能實現100:1的對比度。LM3445離線式LED驅動器解決方案,適用于任何使用TRIAC(三端雙向可控硅)壁掛式調光器的LED照明應用,而且能夠提供寬范圍的,穩定的亮度平滑調整,并不會產生閃爍的變化。

圖4 LM3445驅動電路
LM3445TRIAC調光LED驅動器,應用電壓范圍從80VAC到270VAC,導通角檢測器/譯碼器可以實現寬全范圍的(100:1)調光,內置3000Ω泄流電阻確保TRIAC信號譯碼無誤,正在申請注冊專利的調控架構可確保恒定的紋波電流以延長LED的工作壽命,可調節輸出電流高至1A,可通過主/從操作方式控制多條燈串的亮度。
去LED照明電源社區看看
[page]
LED日光燈驅動方案
大功率LED照明需要的是低電壓、大電流的驅動器件,其發光的強度由流過LED的電流決定,電流過強會引起LED的衰減,電流過弱會影響LED的發光強度,LED的驅動需要提供恒流電源,以保證大功率LED使用時的安全性,并得到理想的發光強度。因此,在LED照明領域,要體現出節能和長壽命的特點,選擇LED驅動IC至關重要,沒有好的驅動IC的匹配,LED照明的優勢無法體現。
下圖是18W日光燈的應用方案。它以獨特的電路結構,采用峰值電流檢測為大功率LED提供恒定的供電電流。另外,PT4107還為使用者提供良好的調光措施(變阻器SW1:5K的可調),并為系統提供了安全可靠的過流、過溫保護,提高了整個系統的可靠性。

圖5 PT4107驅動線路
本方案整體供電效率可達80%以上,典型為85-88%;可調節毫安級到安培級的輸出應用;低頻可變占空比的數字脈沖調光功能和線性調光功能;多達上百個LED的串/并聯使用;內部集成頻抖功能改善EMI;外部設定LED過溫保護功能。最大的特點是成本控制好,使用較少的元件,達到了高效低成本的驅動要求以滿足民用照明的需要。

圖6 LED驅動線路板
[page]
LED路燈照明解決方案
對于輸出功率更高一級的照明路燈的應用(一般要大于100W),設計一個高效率的大功率電源并控制好散熱是整個系統的關鍵點。200W電源解決方案是基于FAN6961電壓模式PFC控制器的高功率因數預穩壓器,并基于諧振LLC拓撲的隔離型DC/DC轉換器構成,輸入電壓范圍可從90VRMS到265VRMB,可產生六路輸出,每路最大輸出功率為0.7A/48V。FAN6961是8引腳邊界模式PFC控制器,能準時調整輸出的DC電壓,從而達到功率因素修正。
該器件的電源電壓高達25V,起動電流低于25uA,工作電流可降低到6mA以下,可以進行零電流檢測和逐個周期限流。FAN6961可用于電子燈鎮流器,AC/DC開關電源轉換器以及適配器和帶ZCS/ZVS的反激電源轉換器。給出了基于FAN6961的帶整流和EMI濾波功能的電路圖。

圖7:基于FAN6961的帶整流和EMI濾波功能的電路圖
FSFR2100功率開關也是該方案中的一個重要元件。FSFR2100采用零電壓開關(ZVS)技術,能夠大幅降低MOSFET和整流器的開關損耗。采用這種技術,此開關無需散熱器即可處理高達200W的功率,使用散熱器更可處理高達450W的功率。
FSFR2100還集成了所有必需元件以構建可靠及高效的諧振轉換器,并在高熱效的SiP封裝中集成了一個脈沖頻率調制(PFM)控制器、一個高壓柵極驅動電路和兩個快速恢復MOSFET(FRFET),以及軟啟動、間歇工作模式和重要的保護功能。

圖8:200WLED照明系統的電源方案原型
該電源方案的主要優勢包括:非常緊湊設計;全負載效率大于94%;待機功耗僅為1.2W;EMI很低;可通過PWM信號調光;只有PFC開關需要加散熱片,整個系統安全可靠能長時間的使用。



