- 討論一種混合信號實現LED降壓升壓驅動電路
- 利用LED降壓升壓驅動電路
- 利用軟件實現方案
針對照明應用的大功率LED要采用恒流源驅動,一些標準驅動電流常常用在不同LED生產商的產品中,其中,350mA和700 mA最為常見。根據串聯結的類型和數量,LED兩端的正向壓降可能不同。許多生產廠商的大功率LED產品都在單個模塊中集成了多個結。
開關電源(SMPS)為LED驅動提供了效率更高的解決方案,它可以將輸入電壓升/降至適當的電平,從而提供所需要的LED電流。系統輸入電壓范圍以及所需要的LED正向壓降決定了對SMPS拓撲結構的選擇。
降壓-升壓轉換器
當供電電壓高于或低于需要的輸出電壓時,使用降壓-升壓轉換器結構。對于電池應用來說,降壓-升壓轉換器非常有用。降壓-升壓結構還稱為反激式(fly-back)變壓器或逆變穩壓器。
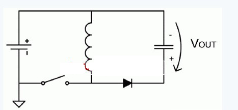
降壓-升壓轉換器可按圖1的方式實現。這種實現方案的優點是可使用簡單的低端MOSFET驅動器電路,它的拓撲結構將產生相對于輸入電壓軌的正電壓,這一降壓-升壓實現方案的缺點是負載并未以電路地為基準?!D2顯示了LED驅動電路的簡單設計方案,其中采用了一片混合信號高電壓8位單片機,如PIC16HV785。 該電路的輸出相對于電池電壓,而非地電位。逆變器的輸出連接到LED的陽極,產生的電壓值高于輸入電壓。PIC16HV785混合信號單片機集成了一個8位單片機內核和多個片上模擬外設,包括:

兩個片上運放,可用于放大電流檢測電阻兩端的電壓。這樣可以采用極小阻值的檢測電阻,從而可以降低電路損耗并提高電路的總效率。
一個高電壓分流穩壓器,在輸入電壓更高時也不需要外部5V穩壓器。
一個數字捕捉、比較和PWM(CCP)模塊。
兩個模擬比較器。
一個10位A/D轉換器。
內部時鐘電路,工作頻率8MHz。
一個內部精確電壓參考源,不需要昂貴的外部器件。
一個可編程欠壓復位(BOR)電路。
運放和比較器的所有引腳都可以通過外部訪問,因此可以實現任意電路配置。
[page]
電流檢測電路
電流檢測運放連接成差分放大器,以精確測量電流、檢測電阻兩端的電壓。為簡化電路要求,在電源返回路徑上進行電流測量。R1、R2和C1構成一個低通濾波器,用來降低可能存在的開關噪聲。為避免影響控制環的響應,該濾波器的截止頻率必須大于電壓轉換器的開關頻率。
穩流電路
穩定LED電流流量的電路由雙相位PWM模塊、內部比較器和一個參考電壓源構成。雙相位PWM模塊是按置位/復位原理工作的“模擬”式PWM模塊。首先,從系統時鐘產生的一個時鐘信號用來周期性地開啟PWM輸出。PWM時鐘信號確定基本的PWM頻率。然后,當達到指定的參考電平時,來自一個片上比較器的復位信號會關斷PWM輸出。

軟件實現方案
這一應用的軟件部分非常簡單,因為LED電流控制功能是采用模擬方式完成的。一旦所有外設被設為使能,并且正確設置了電流參考值,那么不需要軟件干預,LED就會持續發光。
然后,應用程序代碼可以測量供電電壓(利用片上集成的10位A/D轉換器)和供電電流,從而保證驅動LED工作在恒定功率模式。隨著電池輸入電壓的變化,D/A電路(采用CCP外設實現)將產生新的參考電壓值進行補償。
設置LED亮度
由于單片機內核在穩定功率方面僅需要花費很小一部分時間,因此更多的時間可用于用戶界面以及提供更多功能,如電池狀態監控和亮度控制。利用這一電路及軟件調整LED亮度有兩種方法。其中一種技術基于LED亮度隨驅動電流而變化的原理,事實上,利用這種方法可以實現近似線性的LED亮度控制。然而改變電流實現調光并非控制LED亮度的最高效方法,只有在生產商指定的最大驅動電流水平下,LED才能夠達到最高的發光效率。
可利用一個低頻PWM信號來調制LED驅動電流。采用這種方法,電流并未減小,即在點亮時,LED始終通過最大電流。但PWM信號的占空比設定了LED點亮的平均時間。PWM頻率要選擇得足夠高,以使LED電流的開關速率足夠快,從而使人眼感受不到光在閃爍;同時,PWM頻率也要足夠低,這樣穩流電路在PWM導通時間內就有足夠的時間穩定。如果這些條件都能夠滿足,那么人眼會對一段時間內的LED的光輸出進行平均。PWM調光信號的頻率通常在 60Hz 到 1000Hz之間。
總結
PIC16HV785幾乎包含了實現大功率LED驅動電路所需要的元器件。根據輸入電壓范圍,可以方便地配備成升壓或降壓-升壓工作模式。這一應用僅使用了單片機RAM和閃存的一小部分,為其他用戶應用程序代碼留下了足夠的空間。實際上,PIC16HV785單片機中還有足夠的未用外設,可用來實現其它LED驅動器、電池充電器或開關電路。




