中心議題:
- 電動汽車電池的被動平衡技術
- 電動汽車電池的主動平衡技術
解決方案:
- 使用電容器的主動平衡
- 使用電感器的主動平衡
幾個單獨的電池單元以串聯方式相連接,當電池單元充電時,有可能發生某些電池單元還沒有充滿,但另一些電池單元已充滿的情況,從而導致某些電池單元過分充電。類似的,當電池單元放電時,有可能發生某些電池單元已完全放電,而另一些電池單元還有能量的情況,從而發生某些電池單元過度放電。為了避免上述兩種這些情況的發生,本文介紹了一種單個電池單元之間的主動平衡技術,可以提高汽車電池的效率及使用壽命。
引言
電動和混合動力汽車重要弱點就在于其電池容量,以及由此帶來的行駛距離的限制。由于能夠安裝進汽車的最大電池尺寸常常受到體積和重量限制,因而優化利用現有電池容量變得越來越重要。
要提供用于電動汽車的現代高性能電池所需的幾百伏電壓,通常需要將幾個單獨的電池單元以串聯方式相連接。電池組中的每個電池單元,電池單元容量、自放電率、溫度特性和電池阻抗等都各有不同,而且差異會隨著電池的老化而增大。當電池單元正在充電時,這種差異便會導致一種情形,即某些電池單元還沒有充滿足夠的電能,但另一些電池單元早已充滿電荷了。除非采取額外措施,否則充電過程必須終止,因為如果某個電池單元過分充電,就會發生損壞、甚至有可能完全毀壞。
類似的情形也會在放電時發生。與前相反,情況是某個電池單元早已完全放電,而其它的電池單元仍然具有足夠的能量可繼續為汽車提供動力(理論上的)。然而,這時汽車不可能繼續行走,因為這會使較弱的電池單元過度放電,結果會導致電池單元的損毀。為了避免上述兩種這些情況的發生,單個電池單元之間的主動平衡是必須的。
被動平衡方法將可用能量轉化為熱損耗
目前廣泛使用的方法是被動平衡技術,就是使用電阻將早已充滿電的電池單元再次放電,以便其它電池單元能夠繼續充電。這個方法的缺點是顯而易見的:
- 出于平衡的目的,電池只能被放電
- 旁路電阻的放電電流引起功率損耗
- 寶貴的能量轉化為熱量,不能為汽車提供動力
- 減少汽車的行駛距離

圖1:使用電阻的被動平衡
[page]
用主動平衡法實現快速和幾乎無損耗的電荷傳送
主動平衡是通過并聯電感和需獲取電荷的電池來實現的。此結果導致線圈中的電流持續增加。
一旦線圈已經從通過晶體管放電的電池單元中去耦,電感中儲存的能量可通過一個二極管對鄰近電池充電。因而電荷可以在兩個單獨的電池單元之間來回地移動,實現極高效率并且幾乎無損耗。此方法具有某些決定性的優點:
- 平衡電流可能達到1A或以上
- 平衡在本質上是無損耗的
- 平衡極其快速
- 增加了效率和電池容量
- 增加了汽車的行駛距離
被動平衡方法僅能將儲存在電池單元中的能量轉化為熱損耗,而主動平衡則能夠將一個電池單元中的電荷傳送至另一電池單元。實現電荷傳送有幾種方法,如使用開關電容或電感。當使用電容式方法時,電容會與有較高電壓的電池單元并聯。一旦此電池單元完成充電,它即與有較低電壓的電池單元并聯,能夠繼續為其充電。此過程會不斷重復,直至所有電池單元都達到相同的電壓為止。
使用電容器的方法具有很高的成本效益,但有個缺點就是平均的平衡電流被限制在50mA以下。使用電感方法則不存在此限制,并且在此情況下,很容易便達到1A或以上的平衡電流。

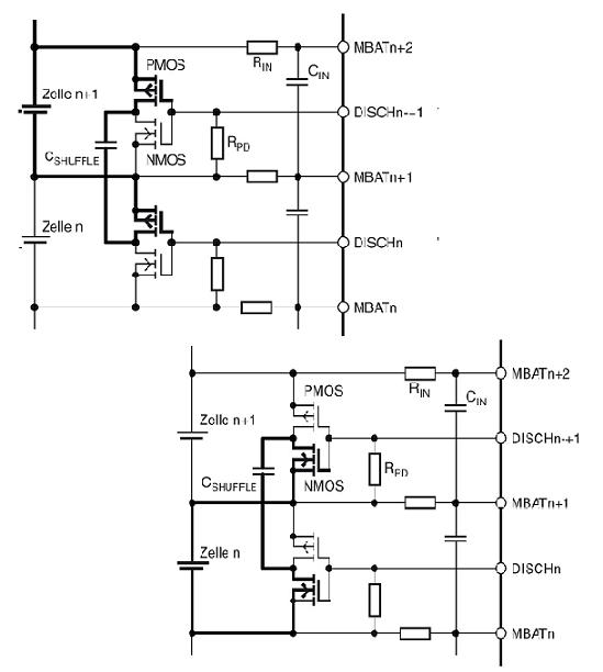
圖2:使用電容器的主動平衡
相比所提到的其它方法,使用電感實施主動平衡并不算是低成本的方法,因為當中使用了成本相對較高的電感元件。然而,這并不完全是個問題。現代高性能電池目前的成本接近10,000美元。而使用電感平衡方法,即使只獲得了額外的10%容量,也代表了1,000美元的價值--此金額可以用于購買大數量的電感器件。

圖3:使用電感器的主動平衡
[page]
鋰離子電池基于安全的原因,必須監控單個電池單元,因為過載會發生燃燒,在極端情況下甚至會發生爆炸。與過壓、欠壓和溫度監控一樣,精確的充電條件測定等附加功能也是需要的。在半導體市場上已提供能實現所有這些功能與不同的平衡方法的元件。使用先進的主動電池單元平衡解決方案(如愛特梅爾ATA6870電池管理電路)每一個電池單元都有單獨的電子監控,以便提供如充電狀態測定、主動/被動平衡或過壓、欠壓和溫度監控等功能。

圖4:ATA6870鋰離子電池管理IC模塊圖
鋰離子電池系統的測量數據記錄和主動平衡
電池管理電路的核心由6個高精度12位模數轉換器組成。每個電池單元由一個單獨的模數轉換器監控。這種方法具有很多優點,一方面可以同時測量所有的電池單元,另一方面,電池單元電壓無須傳輸模擬地,因而不會降低系統的準確度。除了提供有效的平衡,優化電池單元容量的另一必要條件是精確記錄電池單元電壓,因為鋰離子電池具有非常平坦的特性曲線。因此在模擬/數字轉換后,電路傳輸數字電壓值而不會有準確度的損失。
ATA6870可以在單個電池單元之間同時實現被動平衡和主動平衡的器件,能夠使用電容器或電感器以串聯方式連接多達300個或更多的高性能電池。如要避免電池單元太多導致太長的平衡時間,可以使用這種解決方案在任何數量的電池單元中同時進行平衡。借助于此電路,現在有可能開發低成本的、高效安全的電池管理系統,而且因為其可以非常精確地記錄單個電池單元的充電狀態,加上平衡方法能夠提供高效率,因而可以從電池中攫取最后一點能量來驅動汽車運行。這為增加電動汽車和插電式混合動力車的行駛距離踏出一大步,進而能夠促進這些車輛的成功。


