【導讀】開關電源一直都是一個熱點,大家都忙于開關電源的相關設計,但是基礎打好是設計的前提。本文主要講解開關電源的原理和對各部分電路的詳解,為研發的同學們鋪好路。
一、開關電源的電路組成
開關電源的主要電路是由輸入電磁干擾濾波器(EMI)、整流濾波電路、功率變換電路、PWM 控制器電路、輸出整流濾波電路組成。輔助電路有輸入過欠壓保護電路、輸出過欠壓保護電路、輸出過流保護電路、輸出短路保護電路等。
開關電源的電路組成方框圖如下:

二、輸入電路的原理及常見電路
1、AC 輸入整流濾波電路原理:

① 防雷電路:當有雷擊,產生高壓經電網導入電源時,由MOV1、MOV2、MOV3:F1、F2、F3、FDG1 組成的電路進行保護。當加在壓敏電阻兩端的電壓超過其工作電壓時,其阻值降低,使高壓能量消耗在壓敏電阻上,若電流過大,F1、F2、F3 會燒毀保護后級電路。
② 輸入濾波電路:C1、L1、C2、C3 組成的雙π型濾波網絡主要是對輸入電源的電磁噪聲及雜波信號進行抑制,防止對電源干擾,同時也防止電源本身產生的高頻雜波對電網干擾。當電源開啟瞬間,要對C5 充電,由于瞬間電流大,加RT1(熱敏電阻)就能有效的防止浪涌電流。因瞬時能量全消耗在RT1 電阻上,一定時間后溫度升高后RT1 阻值減小(RT1 是負溫系數元件),這時它消耗的能量非常小,后級電路可正常工作。
③ 整流濾波電路:交流電壓經BRG1 整流后,經C5 濾波后得到較為純凈的直流電壓。若C5 容量變小,輸出的交流紋波將增大。
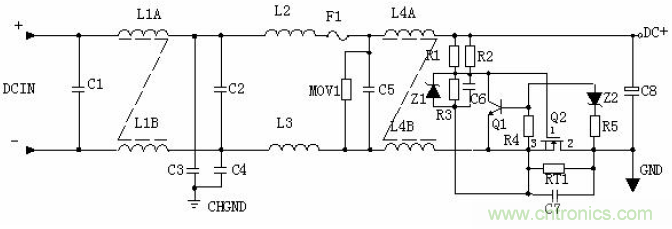
2、DC 輸入濾波電路原理:

① 輸入濾波電路:C1、L1、C2 組成的雙π型濾波網絡主要是對輸入電源的電磁噪聲及雜波信號進行抑制,防止對電源干擾,同時也防止電源本身產生的高頻雜波對電網干擾。C3C4 為安規電容,L2、L3 為差模電感。
② R1、R2、R3、Z1、C6、Q1、Z2、R4、R5、Q2、RT1、C7 組成抗浪涌電路。在起機的瞬間,由于C6 的存在Q2 不導通,電流經RT1 構成回路。當C6 上的電壓充至Z1 的穩壓值時Q2 導通。如果C8 漏電或后級電路短路現象,在起機的瞬間電流在RT1 上產生的壓降增大,Q1 導通使Q2 沒有柵極電壓不導通,RT1 將會在很短的時間燒毀,以保護后級電路。
三、功率變換電路
1、MOS 管的工作原理:目前應用最廣泛的絕緣柵場效應管是MOSFET(MOS 管),是利用半導體表面的電聲效應進行工作的。也稱為表面場效應器件。由于它的柵極處于不導電狀態,所以輸入電阻可以大大提高,最高可達105 歐姆,MOS 管是利用柵源電壓的大小,來改變半導體表面感生電荷的多少,從而控制漏極電流的大小。
2、常見的原理圖:

3、工作原理:
R4、C3、R5、R6、C4、D1、D2 組成緩沖器,和開關MOS 管并接,使開關管電壓應力減少,EMI 減少,不發生二次擊穿。在開關管Q1 關斷時,變壓器的原邊線圈易產生尖峰電壓和尖峰電流,這些元件組合一起,能很好地吸收尖峰電壓和電流。從R3 測得的電流峰值信號參與當前工作周波的占空比控制,因此是當前工作周波的電流限制。當R5 上的電壓達到1V 時,UC3842 停止工作,開關管Q1 立即關斷。R1 和Q1 中的結電容CGS、CGD一起組成RC 網絡,電容的充放電直接影響著開關管的開關速度。R1 過小,易引起振蕩,電磁干擾也會很大;R1 過大,會降低開關管的開關速度。Z1 通常將MOS 管的GS 電壓限制在18V 以下,從而保護了MOS 管。Q1的柵極受控電壓為鋸形波,當其占空比越大時,Q1 導通時間越長,變壓器所儲存的能量也就越多;當Q1 截止時,變壓器通過D1、D2、R5、R4、C3 釋放能量,同時也達到了磁場復位的目的,為變壓器的下一次存儲、傳遞能量做好了準備。IC 根據輸出電壓和電流時刻調整著⑥腳鋸形波占空比的大小,從而穩定了整機的輸出電流和電壓。C4和R6 為尖峰電壓吸收回路。
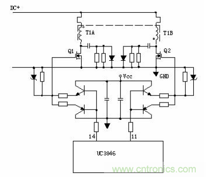
4、推挽式功率變換電路:Q1 和Q2 將輪流導通。

5、有驅動變壓器的功率變換電路:T2 為驅動變壓器,T1 為開關變壓器,TR1 為電流環。

[page]
四、輸出整流濾波電路:
1、正激式整流電路:

T1 為開關變壓器,其初極和次極的相位同相。D1 為整流二極管,D2 為續流二極管,R1、C1、R2、C2 為削尖峰電路。L1 為續流電感,C4、L2、C5 組成π型濾波器。
2、反激式整流電路:

T1 為開關變壓器,其初極和次極的相位相反。D1 為整流二極管,R1、C1 為削尖峰電路。L1 為續流電感,R2 為假負載,C4、L2、C5 組成π型濾波器。
3、同步整流電路:

工作原理:當變壓器次級上端為正時,電流經C2、R5、R6、R7 使Q2 導通,電路構成回路,Q2 為整流管。Q1 柵極由于處于反偏而截止。當變壓器次級下端為正時,電流經C3、
R4、R2 使Q1 導通,Q1 為續流管。Q2 柵極由于處于反偏而截止。L2 為續流電感,C6、L1、C7 組成π 型濾波器。R1、C1、R9、C4 為削尖峰電路。
五、穩壓環路原理
1、反饋電路原理圖:

2、工作原理:
當輸出U0 升高,經取樣電阻R7、R8、R10、VR1 分壓后,U1③腳電壓升高,當其超過U1②腳基準電壓后U1①腳輸出高電平,使Q1 導通,光耦OT1 發光二極管發光,光電三極管導通,UC3842①腳電位相應變低,從而改變U1⑥腳輸出占空比減小,U0 降低。當輸出U0降低時,U1③腳電壓降低,當其低過U1②腳基準電壓后U1①腳輸出低電平,Q1 不導通,光耦OT1 發光二極管不發光,光電三極管不導通,UC3842①腳電位升高,從而改變U1⑥腳輸出占空比增大,U0 降低。周而復始,從而使輸出電壓保持穩定。調節VR1 可改變輸出電壓值。反饋環路是影響開關電源穩定性的重要電路。如反饋電阻電容錯、漏、虛焊等,會產生自激振蕩,故障現象為:波形異常,空、滿載振蕩,輸出電壓不穩定等。
六、短路保護電路
1、在輸出端短路的情況下,PWM 控制電路能夠把輸出電流限制在一個安全范圍內,它可以用多種方法來實現限流電路,當功率限流在短路時不起作用時,只有另增設一部分電路。
2、短路保護電路通常有兩種,下圖是小功率短路保護電路,其原理簡述如下:

當輸出電路短路,輸出電壓消失,光耦OT1 不導通,UC3842①腳電壓上升至5V 左右,R1 與R2 的分壓超過TL431 基準,使之導通,UC3842⑦腳VCC 電位被拉低,IC 停止工作。UC3842停止工作后①腳電位消失,TL431 不導通UC3842⑦腳電位上升,UC3842 重新啟動,周而復始。當短路現象消失后,電路可以自動恢復成正常工作狀態。
3、下圖是中功率短路保護電路,其原理簡述如下:

當輸出短路,UC3842①腳電壓上升,U1 ③腳電位高于②腳時,比較器翻轉①腳輸出高電位,給C1 充電,當C1 兩端電壓超過⑤腳基準電壓時U1⑦腳輸出低電位,UC3842①腳低于1V,UCC3842 停止工作,輸出電壓為0V,周而復始,當短路消失后電路正常工作。R2、C1 是充放電時間常數, 阻值不對時短路保護不起作用。
4、下圖是常見的限流、短路保護電路。其工作原理簡述如下:

當輸出電路短路或過流,變壓器原邊電流增大,R3 兩端電壓降增大,③腳電壓升高,UC3842⑥腳輸出占空比逐漸增大,③腳電壓超過1V 時,UC3842 關閉無輸出。
5、下圖是用電流互感器取樣電流的保護電路,有著功耗小,但成本高和電路較為復雜,
其工作原理簡述如下:

輸出電路短路或電流過大,TR1 次級線圈感應的電壓就越高,當UC3842③腳超過1 伏,UC3842 停止工作,周而復始,當短路或過載消失,電路自行恢復。
七、輸出端限流保護

上圖是常見的輸出端限流保護電路,其工作原理簡述如上圖:當輸出電流過大時,RS(錳銅絲)兩端電壓上升,U1③腳電壓高于②腳基準電壓,U1①腳輸出高電壓,Q1 導通,
光耦發生光電效應,UC3842①腳電壓降低,輸出電壓降低,從而達到輸出過載限流的目的。
[page]
八、輸出過壓保護電路的原理
輸出過壓保護電路的作用是:當輸出電壓超過設計值時,把輸出電壓限定在一安全值的范圍內。當開關電源內部穩壓環路出現故障或者由于用戶操作不當引起輸出過壓現象時,過
壓保護電路進行保護以防止損壞后級用電設備。應用最為普遍的過壓保護電路有如下幾種:
1、可控硅觸發保護電路:

如上圖,當Uo1 輸出升高,穩壓管(Z3)擊穿導通,可控硅(SCR1)的控制端得到觸發電壓,因此可控硅導通。Uo2 電壓對地短路,過流保護電路或短路保護電路就會工作,停止
整個電源電路的工作。當輸出過壓現象排除,可控硅的控制端觸發電壓通過R 對地泄放,可控硅恢復斷開狀態。
2、光電耦合保護電路:

如上圖,當Uo 有過壓現象時,穩壓管擊穿導通,經光耦(OT2)R6 到地產生電流流過,光電耦合器的發光二極管發光,從而使光電耦合器的光敏三極管導通。Q1 基極得電導通,3842 的③腳電降低,使IC 關閉,停止整個電源的工作,Uo 為零,周而復始。
3、輸出限壓保護電路:

輸出限壓保護電路如下圖,當輸出電壓升高,穩壓管導通光耦導通,Q1 基極有驅動電壓而道通,UC3842③電壓升高,輸出降低,穩壓管不導通,UC3842③電壓降低,輸出電壓升高。周而復始,輸出電壓將穩定在一范圍內(取決于穩壓管的穩壓值)。
4、輸出過壓鎖死電路:

圖A 的工作原理是,當輸出電壓Uo 升高,穩壓管導通,光耦導通,Q2 基極得電導通,由于Q2 的導通Q1 基極電壓降低也導通,Vcc 電壓經R1、Q1、R2 使Q2 始終導通,UC3842③腳始終是高電平而停止工作。在圖B 中,UO 升高U1③腳電壓升高,①腳輸出高電平,由于D1、R1 的存在,U1①腳始終輸出高電平Q1 始終導通,UC3842①腳始終是低電平而停止工作。正反饋?
九、功率因數校正電路(PFC)
1、原理示意圖:

2、工作原理:
輸入電壓經L1、L2、L3 等組成的EMI 濾波器,BRG1 整流一路送PFC 電感,另一路經R1、R2 分壓后送入PFC 控制器作為輸入電壓的取樣,用以調整控制信號的占空比,即改變Q1 的
導通和關斷時間,穩定PFC 輸出電壓。L4 是PFC 電感,它在Q1 導通時儲存能量,在Q1 關斷時施放能量。D1 是啟動二極管。D2 是PFC 整流二極管,C6、C7 濾波。PFC 電壓一路送后級電路,另一路經R3、R4 分壓后送入PFC 控制器作為PFC 輸出電壓的取樣,用以調整控制信號的占空比,穩定PFC 輸出電壓。
十、輸入過欠壓保護
1、原理圖:

2、工作原理:
AC 輸入和DC 輸入的開關電源的輸入過欠壓保護原理大致相同。保護電路的取樣電壓均來自輸入濾波后的電壓。取樣電壓分為兩路,一路經R1、R2、R3、R4 分壓后輸入比較器3腳,如取樣電壓高于2 腳基準電壓,比較器1 腳輸出高電平去控制主控制器使其關斷,電源無輸出。另一路經R7、R8、R9、R10 分壓后輸入比較器6 腳,如取樣電壓低于5 腳基準電壓,比較器7 腳輸出高電平去控制主控制器使其關斷,電源無輸出。




