【導讀】一張電路圖通常有幾十乃至幾百個元器件,它們的連線縱橫交叉,形式變化多端,初學者往往不知道該從什么地方開始,怎樣才能讀懂它。其實再復雜的電路都是由基本電路組成的,只要初學者掌握了基本單元電路,再學會分析和分解電路的本領,看懂一般的電路圖應該是不難的。
一張電路圖通常有幾十乃至幾百個元器件,它們的連線縱橫交叉,形式變化多端,初學者往往不知道該從什么地方開始,怎樣才能讀懂它。其實電子電路本身有很強的規律性,不管多復雜的電路,經過分析可以發現,它是由少數幾個單元電路組成的。好象孩子們玩的積木,雖然只有十來種或二三十種塊塊,可是在孩子們手中卻可以搭成幾十乃至幾百種平面圖形或立體模型。同樣道理,再復雜的電路,經過分析就可發現,它也是由少數幾個單元電路組成的。因此初學者只要先熟悉常用的基本單元電路,再學會分析和分解電路的本領,看懂一般的電路圖應該是不難的。
用一個穩壓管和負載并聯的電路是最簡單的穩壓電路,見圖 4 ( a )。圖中 R 是限流電阻。這個電路的輸出電流很小,它的輸出電壓等于穩壓管的穩定電壓值 V Z 。

(2 )串聯型穩壓電路
有放大和負反饋作用的串聯型穩壓電路是最常用的穩壓電路。它的電路和框圖見圖 4 ( b )、( c )。它是從取樣電路( R3 、 R4 )中檢測出輸出電壓的變動,與基準電壓( V Z )比較并經放大器( VT2 )放大后加到調整管( VT1 )上,使調整管兩端的電壓隨著變化。如果輸出電壓下降,就使調整管管壓降也降低,于是輸出電壓被提升;如果輸出電壓上升,就使調整管管壓降也上升,于是輸出電壓被壓低,結果就使輸出電壓基本不變。在這個電路的基礎上發展成很多變型電路或增加一些輔助電路,如用復合管作調整管,輸出電壓可調的電路,用運算放大器作比較放大的電路,以及增加輔助電源和過流保護電路等。
( 3 )開關型穩壓電路
近年來廣泛應用的新型穩壓電源是開關型穩壓電源。它的調整管工作在開關狀態,本身功耗很小,所以有效率高、體積小等優點,但電路比較復雜。開關穩壓電源從原理上分有很多種。它的基本原理框圖見圖 4 ( d )。圖中電感L 和電容C 是儲能和濾波元件,二極管VD 是調整管在關斷狀態時為 L 、 C濾波器提供電流通路的續流二極管。開關穩壓電源的開關頻率都很高,一般為幾~幾十千赫,所以電感器的體積不很大,輸出電壓中的高次諧波也不多。
它的基本工作原理是 : 從取樣電路( R3 、 R4 )中檢測出取樣電壓經比較放大后去控制一個矩形波發生器。矩形波發生器的輸出脈沖是控制調整管( VT )的導通和截止時間的。如果輸出電壓 U 0 因為電網電壓或負載電流的變動而降低,就會使矩形波發生器的輸出脈沖變寬,于是調整管導通時間增大,使 L 、 C 儲能電路得到更多的能量,結果是使輸出電壓 U 0 被提升,達到了穩定輸出電壓的目的。
( 4 )集成化穩壓電路
近年來已有大量集成穩壓器產品問世,品種很多,結構也各不相同。目前用得較多的有三端集成穩壓器,有輸出正電壓的 CW7800 系列和輸出負電壓的 CW7900 系列等產品。輸出電流從 0.1A ~ 3A ,輸出電壓有 5V 、 6V 、 9V 、 12V 、 15V 、 18V 、 24V 等多種。這種集成穩壓器只有三個端子,穩壓電路的所有部分包括大功率調整管以及保護電路等都已集成在芯片內。使用時只要加上散熱片后接到整流濾波電路后面就行了。外圍元件少,穩壓精度高,工作可靠,一般不需調試。圖 4 ( e )是一個三端穩壓器電路。圖中 C 是主濾波電容, C1 、 C2 是消除寄生振蕩的電容 ,VD 是為防止輸入短路燒壞集成塊而使用的保護二極管。
[page]
五、電源電路讀圖要點和舉例
電源電路是電子電路中比較簡單然而卻是應用最廣的電路。拿到一張電源電路圖時,應該:
① 先按“整流 — 濾波 — 穩壓”的次序把整個電源電路分解開來,逐級細細分析。② 逐級分析時要分清主電路和輔助電路、主要元件和次要元件,弄清它們的作用和參數要求等。例如開關穩壓電源中,電感電容和續流二極管就是它的關鍵元件。③ 因為晶體管有 NPN 和 PNP 型兩類,某些集成電路要求雙電源供電,所以一個電源電路往往包括有不同極性不同電壓值和好幾組輸出。讀圖時必須分清各組輸出電壓的數值和極性。在組裝和維修時也要仔細分清晶體管和電解電容的極性,防止出錯。④ 熟悉某些習慣畫法和簡化畫法。⑤ 最后把整個電源電路從前到后全面綜合貫通起來。這張電源電路圖也就讀懂了。
例 1 電熱毯控溫電路
圖 5 是一個電熱毯電路。開關在“ 1 ”的位置是低溫檔。 220 伏市電經二極管后接到電熱毯,因為是半波整流,電熱毯兩端所加的是約 100 伏的脈動直流電,發熱不高,所以是保溫或低溫狀態。開關扳到“ 2 ”的位置, 220 伏市電直接接到電熱毯上,所以是高溫檔。

例 2 高壓電子滅蚊蠅器
圖 6 是利用倍壓整流原理得到小電流直流高壓電的滅蚊蠅器。 220 伏交流經過四倍壓整流后輸出電壓可達 1100 伏,把這個直流高壓加到平行的金屬絲網上。網下放誘餌,當蒼蠅停在網上時造成短路,電容器上的高壓通過蒼蠅身體放電把蠅擊斃。蒼蠅尸體落下后,電容器又被充電,電網又恢復高壓。這個高壓電網電流很小,因此對人無害。

由于昆蟲夜間有趨光性,因此如在這電網后面放一個 3 瓦熒光燈或小型黑光燈,就可以誘殺蚊蟲和有害昆蟲。
例 3 實用穩壓電源
圖 7 是一個實用的穩壓電源。輸出電壓 3 ~ 9 伏可調,輸出電流最大 100 毫安。這個電路就是串聯型穩壓電源電路。要注意的是 :① 整流橋的畫法和圖 2 ( c )不同,實際上它就是橋式整流電路。 ② 這個電路使用 PNP 型鍺管,所以輸出是負電壓,正極接地。 ③ 用兩個普通二極管代替穩壓管。任何二極管的正向壓降都是基本不變的,因此可用二極管代替穩壓管。 2AP 型二極管的正向壓降約是 0.3 伏, 2CP 型約是 0.7 伏, 2CZ 型約是 1 伏。圖中用了兩個 2CZ 二極管作基準電壓。 ④ 取樣電阻是一個電位器,所以輸出電壓是可調的。

按單元電路的功能可以把它們分成若干類,每一類又有好多種,全部單元電路大概總有幾百種。下面我們選最常用的基本單元電路來介紹。讓我們從電源電路開始。
[page]
一、電源電路的功能和組成
每個電子設備都有一個供給能量的電源電路。電源電路有整流電源、逆變電源和變頻器三種。常見的家用電器中多數要用到直流電源。直流電源的最簡單的供電方法是用電池。但電池有成本高、體積大、需要不時更換(蓄電池則要經常充電)的缺點,因此最經濟可靠而又方便的是使用整流電源。
電子電路中的電源一般是低壓直流電,所以要想從 220 伏市電變換成直流電,應該先把 220 伏交流變成低壓交流電,再用整流電路變成脈動的直流電,最后用濾波電路濾除脈動直流電中的交流成分后才能得到直流電。有的電子設備對電源的質量要求很高,所以有時還需要再增加一個穩壓電路。因此整流電源的組成一般有四大部分,見圖 1 。其中變壓電路其實就是一個鐵芯變壓器,需要介紹的只是后面三種單元電路。
二、整流電路
整流電路是利用半導體二極管的單向導電性能把交流電變成單向脈動直流電的電路。
( 1 )半波整流
半波整流電路只需一個二極管,見圖 2 ( a )。在交流電正半周時 VD 導通,負半周時 VD 截止,負載 R 上得到的是脈動的直流電
( 2 )全波整流
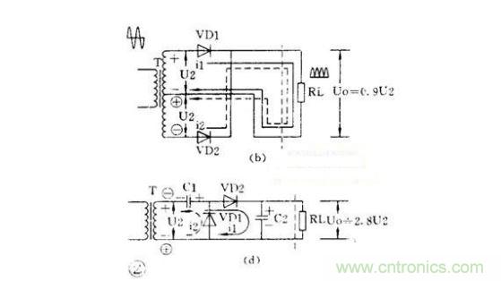
全波整流要用兩個二極管,而且要求變壓器有帶中心抽頭的兩個圈數相同的次級線圈,見圖 2 ( b )。負載 R L 上得到的是脈動的全波整流電流,輸出電壓比半波整流電路高。
( 3 )全波橋式整流
用 4 個二極管組成的橋式整流電路可以使用只有單個次級線圈的變壓器,見圖 2 ( c )。負載上的電流波形和輸出電壓值與全波整流電路相同。
( 4 )倍壓整流
用多個二極管和電容器可以獲得較高的直流電壓。圖 2 ( d )是一個二倍壓整流電路。當 U2 為負半周時 VD1 導通, C1 被充電, C1 上最高電壓可接近 1.4U2 ;當 U2 正半周時 VD2 導通, C1 上的電壓和 U2 疊加在一起對 C2 充電,使 C2 上電壓接近 2.8U2 ,是 C1 上電壓的 2 倍,所以叫倍壓整流電路。
三、濾波電路
整流后得到的是脈動直流電,如果加上濾波電路濾除脈動直流電中的交流成分,就可得到平滑的直流電。
( 1 )電容濾波
把電容器和負載并聯,如圖 3 ( a ),正半周時電容被充電,負半周時電容放電,就可使負載上得到平滑的直流電。

( 2 )電感濾波
把電感和負載串聯起來,如圖 3 ( b ),也能濾除脈動電流中的交流成分。
( 3 ) L 、 C 濾波
用 1 個電感和 1 個電容組成的濾波電路因為象一個倒寫的字母“ L ”,被稱為 L 型,見圖 3 ( c )。用 1 個電感和 2 個電容的濾波電路因為象字母“ π ”,被稱為 π 型,見圖 3 ( d ),這是濾波效果較好的電路。
( 4 ) RC 濾波
電感器的成本高、體積大,所以在電流不太大的電子電路中常用電阻器取代電感器而組成 RC 濾波電路。同樣,它也有 L 型,見圖 3 ( e ); π 型,見圖 3 ( f )。
四、穩壓電路
交流電網電壓的波動和負載電流的變化都會使整流電源的輸出電壓和電流隨之變動,因此要求較高的電子電路必須使用穩壓電源。
(1 )穩壓管并聯穩壓電路





