【導讀】在供電線路中由于接有較多的感應電動機、電感性負載和高壓電容,線路中的電流較線路電壓在相位上滯后一個角度,而使線路的功率因素降低。我們有幾種改善線路功率因數的方法提供給大家,供大家參考學習!
1、采用同步電動機或異步電動機同步運行提高功率因數。
2、為了改善電力系統和企業的功率因數,變壓器不應空載運行或長其處于低負載運行狀態。
3、使用高壓電容器并接在線路上來改變線路的負載特性,從而提高功率因素。
而對于接上電容器后,將引起電網電壓升高,特別是負荷較輕時,在此種情況下,應將部分電容器或全部電容器從電網中斷開。基于此原因,現在裝置上電容器的控制已經完全實現。
并聯電容器的補償方式:
1、個別補償:個別補償是對單臺用電設備所需無功就近補償的辦法,把電容器直接接到單臺用電設備的同一個電氣回路,用同一臺開關控制,同時投運或斷開。這種補償方式效果最好,電容器靠近用電設備,就地平衡無功電流,可避免無負荷時的過補償,使電壓質量得到保證。
2、分散補償:分散補償是將電容器分組安裝在配電室或變電所各分路的出線上。它可與工廠部分負荷的變動同時投入或切除,這種補償方法效果也較好。
3、集中補償:集中補償是把電容器集中安裝在變電所的一次或二次側的母線上。這種補償辦法,安裝簡便,運行可靠,利用率較高,但當電氣設備不連續運轉或輕負荷時,又無自動控制裝置,會造成過補償,使運行電壓抬高,電壓質量變壞。
電容器的保護:采用綜合保護器PR的保護特性,也就是裝置上用的140C保護器。有過流(過電流保護主要防止故障擴大和防止過負荷)、速斷、接地、斷路器失靈、過電壓保護(過電壓保護是防止運行系統過電壓危害電容器組安全運行的保護裝置,當運行電壓超過電容器組額定電壓的1.1-1.2倍時,使開關跳閘,將電容器組退出運行)、低電壓保護(低電壓保護主要是防止空載變壓器與電容器組同時合閘,產生的工頻過電壓和振蕩過電壓對電容器的危害。當運行電壓低到額定值的65百分數左右時,保護動作,切除電容器組。
電容器控制柜上元件分析
1、裝了三個電流表,A相、C相各裝一個,B相是由A、C相合成得來,同樣PR綜合保護器也是由兩個CT提供電流保護值。數顯表電源是DC220V。
2、電度表的電壓是從母線PT引來。
3、本體上1FD、2FD、3FD、三個燈是交流電源,當電容器投運時三個指示燈亮,同時當電容器退出運行時起到放電作用。另外當電容器投入運行后電壓表指示大約6千伏左右。
4、控制原理講解:(1)手動/自動合閘回路、手動/自動跳閘回路。(2)防跳回路的作用。(3)保護:※電容器與電機的連鎖跳車,※電網低電壓(F27),※故障跳閘(k86)與綜合保護器(PR),※過電壓(1kT),通過59A1和59A2繼電器來實現。(4)FA、二極管的作用。(5)盤柜上的電源種類(比如1BD、2BD)。(6)2KT與3KT及中間繼電器KA之間的配合致使電容器的合閘與分閘。(7)不同裝置國產電容器的投退異同之處。
5、分析常見故障:DL輔助接點、行程2LX,HC、HQ線圈燒毀等。
[page]
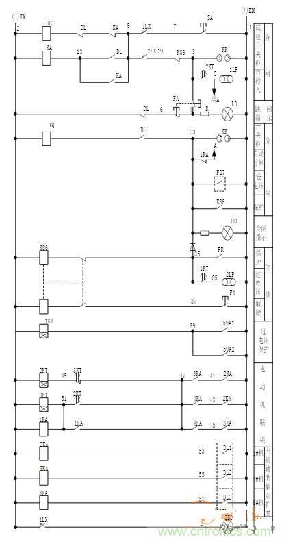
控制原理
識圖:

示意圖
1、原理介紹:
以某裝置II段電容器控制為例來說明:在電容器的控制原理中加入隨電力設備的投入而自動投電容器(見上圖)。根據計算,1#、4#、6#電動機,任開兩臺或以上,電容器自動投上就能夠滿足電力線路要求。例如:1#、4#電動機啟動,2KA、3KA中間繼電器線圈得電,其常開接點閉合,2KT時間繼電器得電,2KT兩對延時閉合接點通過延時10min閉合,一對使合閘接觸器HC得電,HC去接通合閘線圈使斷路器合閘,電容器投入運行。另一對接通3KT時間繼電器和1KA中間繼電器,1KA常開接點閉合,常閉接點打開,也同時對3KT時間繼電器和1KA中間繼電器形成自保,同時3KT時間繼電器得電延時斷開接點延時0.5s斷開,使2KT時間繼電器失電,2KT時間繼電器兩對得電延時閉合失電瞬時打開接點立即打開。保證了有兩臺電動機啟動情況下,電容器自動去合閘只有0.5s時間,也就是只合一次;避免電容器在有故障情況下反復合、跳閘,損壞設備。
2、自動跳閘:
一種是當電容器出現故障,比如短路、接地、過電壓,低電壓、接地等電容器會啟動保護回路進行跳閘。 另一種就是由于負荷發生變化,自動切電容器,避免發生過度補償,沒起到補償作用。例如:1#、4#、6#電動機,任兩臺停機,如1#、4#電機停機,相應的2KA、3KA中間繼電器失電,其常開接點打開,中間繼電器1KA就失電,其常開接點也打開,常閉接點閉合。其中常閉接點接通了跳閘回路,使跳閘線圈TQ得電,斷路器跳閘。同時1KA常開接點打開,3KT時間繼電器失電,又恢復到投電容器時的準備狀態,隨時準備下一次自動投切。
3、繼電保護:
采用動作非常準確的ABB SPAJ140C綜合保護繼電器(PR)。以及動作非常準確的過電壓保護RXEG21電壓繼電器和MTCV2、 ETR4-70-A時間繼電器。
通過以上對電容器原理的分析可以看出電容器在供電線路所起到的作用,對于我們來說就是要注重如何控制和維護,才能更好的保證設備的連續運行。



