【導讀】UCC28780 是一款高頻有源鉗位反激變換控制器,可用來設計高功率密度的 AC-DC 電源,符合嚴苛能耗標準,比如 DoE Level VI 和 EU CoC V5 Tier-2。
有用過此芯片的工程師也經常提問到,有沒有更快更好的方式調試和使用好該芯片呢?下面和小編一起認識下 UCC28780 吧!
UCC28780 基礎認識
作為 TI HVP 系列里的新生代,UCC28780 具有以下幾個優勢:
1. 控制算法可編程,可以用來優化算法去驅動 SiMOSFET 和 GaN FET。
2. 可驅動 GaN FET 和 driver 集成器件,效率更高。
3. 寬輸入范圍內通過自動調整技術,死區時間優化和可變開關頻率控制算法來實現 ZVS (零電壓開關)。
4. 基于輸入輸出變化,自適應多模式控制,降低可聽到的噪聲,提高效率。
5. 高達 1MHz 的可變開關頻率使得外部無源器件尺寸更小,提高功率密度。
6. 可用在機頂盒,筆記本,臺式機電源,USB PD,快充等。
7. 與帶漏源電壓檢測功能的同步整流控制器共同工作,就能達到更高的轉換效率。

典型應用

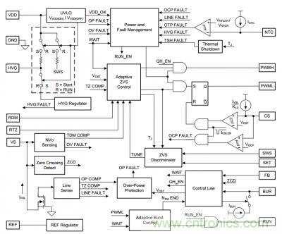
芯片內部簡化框圖
UCC28780 深入了解
■ 豐富、簡單的 Pin 腳定義和設置
UCC28780 有 16 個 pin 腳,提供 SOIC 和 WQFN 兩種封裝形式供工程師選擇,設置了豐富而又簡單設置的 Pin 腳,來調節和優化有源鉗位反激方案的參數。
比如下面幾個 Pin 腳:
● Bur:連接外部分壓電阻設置輕載下的 burst 模式下的電平,調節峰值電流
● CS:低端 FET 電流檢測,檢測和控制每個周期的峰值電流
● NTC:通過負溫度系數電阻,進行溫度檢查和保護
● RTZ:連接外部電阻調節自適應的過渡到零延遲
● SET:用來設置外部 FET 是 GaN 還是 Si 器件,控制器會選擇相應優化算法
● SWS:通過 network 與 SWNode 相連來檢測 FET 上電壓從而達到 ZVS 控制
■ 多種運行模式,提高效率
● 在不同的輸入電壓和輸出功率下,內置四種運行模式來提高效率,降低損耗。
● 自適應幅度調制模:在重載下調初級整峰值電流;
● 自適應間歇振蕩模式:在中低負載范圍內調節每個脈沖群的脈沖數量;
● 低功率模式:降低脈沖群的兩個脈沖的初級峰值電流;
● 待機功率模式:在無負載時通過降低突發群的 頻率降低系統損耗;
表一


整個負載范圍內的控制法則
UCC28780 獨特的間歇振蕩模式控制在有源鉗位反激中提高了輕載時的效率,同時降低了常規間歇振蕩模式的缺點:輸出紋波和可聽噪聲。 集成了保護特性來達到最大限度的可靠性,比如軟啟動,輸入電壓保護,過溫保護,輸出過壓保護,輸出過載保護,過流以及輸出短路等。
■ 帶自動調整的自適應 ZVS (零電壓開關) 控制
我們以下面的框圖來了解一下 UCC28780 的 ZVS 控制。
● 高電壓檢測網絡從開關節點電壓 (Vsw) 處給 SWS pin 腳提供電壓。
● ZVS 鑒別器識別是否達到了 ZVS 要求,判斷調整 PWMH 的導通時間 (tDM), 通過檢測 Vsw 電壓是否達到了預定的 ZVS 閾值 (VTH(SWS)),圖中 tz 為目標零電壓轉換時間,由內置 PWMH to PWML 死區時間優化器控制。

自適應 ZVS 控制框圖
虛線為當前開關周期波形,Vsw 電壓值還沒有達到閾值 ZVS 閾值 (VTH(SWS)),ZVS 鑒別器發送一個調整信號增加 tDM 時間用在下一個開關周期,在圖中以實線表示。
磁化電流增加,使得下一個周期的 Vsw 比上一個周期的 Vsw 電壓更低,在同樣 tz 的時間下能夠達到 ZVS 閾值 (VTH(SWS))。
這樣在一些開關周期后,tDM 優化器將電路設置和鎖定到零電壓開關狀態。穩定后,對 tDM 進行微調,幅度為一個 LSB(最低位),這么小的微調不會影響電路狀態。
如下圖所示,ZVS 控制非???,在 15 個開關周期內既能將電路鎖定在 ZVS 狀態運行,ZVS 調整環路鎖定和微調一個 LSB。在 ZVS 鎖定前由于 tDM 時間不夠長,反向激勵電流 IM-不足,UCC28780 以谷底開通模式啟動。

自適應 ZVS 控制的自動調整過程
■ 死區時間優化
芯片控制兩個死區時間,不僅控制 tz (上管關閉到下管導通) 時間,同時控制 tD (PWML-H) (下管關閉到上管導通) 時間。
對于不同的 FET 器件(GaN 和 Si)控制算法不一樣。
通過對 SET pin 腳進行設定:
當 VSET=0V 時,ACF 應用使用 GaN 功率 FET 器件 (寄生參數較 Si MOSFET 小很多),Vsw 的壓擺率很高,所以固定增加一個 40nS 的延遲導通。
當 VSET=5V 時,ACF 應用使用 Si 功率 MOSFET,由于 MOSFET 寄生參數 Coss 會隨著 MOSFET 漏源電壓 VDS 反向非線性變化,Vsw 電壓會有一個斜坡上升過程,所以控制器會對輔助繞組電壓進行過零檢測 (ZCD),在此基礎上增加 50nS 延遲再開通上管。
該控制算法對死區時間可逐周期調整,避免上管硬開通的同時,快速開通上管減少了上管的體二極管導通時間。

使用 GaN 和 Si FET 優化 tD(PWML-H) 控制
UCC28780 實測性能
90V~264V 通用電壓輸入,輸出 20V, 2.25A,使用 GaN FET 和同步整流 UCC24612,使用該芯片進行有源鉗位反激 (ACF) 拓撲設計,測試結果如下:

滿載效率 VS 輸入電壓

效率 VS 負載

輸出紋波電壓 (115V 輸入、2.25A 輸出)

紋波電壓 (115V 輸入、0.9A 輸出)

負載瞬態相應(115V 輸入,0A 到 2.25A 負載切換)
在不同輸入電壓下滿載高達 93% 以上的效率,符合嚴苛的能源標準:DoE Level VI 和 EU CoC V5 Tier-2 等。紋波電壓滿載時低至 30mV,0.9A 負載時低至 43.6mV,以及良好的負載瞬態相應。這些都說明了 UCC28780 在有源鉗位反激拓撲下優異的性能,值得大家重點關注。
推薦閱讀:



