【導讀】在展會上,一工程師介紹了一芯片中集成了這種功能,一時之間到不算太理解這項技術的意義,然后找了一些資料,然后找到兩個分析電路進行大致介紹。
開關電源中的頻率抖動
在展會上,一工程師介紹了一芯片中集成了這種功能,一時之間到不算太理解這項技術的意義,然后找了一些資料,然后找到兩個分析電路進行大致介紹。
我們知道在固定頻率PWM控制器中,窄帶發射通常發生在開關頻率,其連續諧波的能量會越來越低。采用頻率抖動技術(Frequency Jitter)的著眼點在于分散諧波干擾能量,我們使得開關電源的工作頻率并非固定不變,而是周期性地變化,由于EMI發射分布在較廣的頻率范圍而不是在 窄帶頻率下工作,因此可降低EMI發射的峰值。抖動振蕩器也將降低諧波頻率(即為開關頻率倍數的頻率)的峰值。發射量的減少取決于調制頻率的選擇(抖動 率)、抖動帶寬以及接收器的分辨帶寬。

注意:當然對降低高頻非諧波發射起到的作用微乎其微。這些發射是由于寄生LC電路、二極管反向恢復電流等在交換節點的振鈴導致的。添加緩沖器、柵極驅動電阻器或使用軟恢復二極管是降低這些發射的常見的解決方法。
缺點:抖動振蕩器將給輸出電壓添加少量紋波(紋波的頻率等于抖動頻率),通常遠小于由于電容ESR和電感電流產生的輸出電壓紋波的頻率(開關頻率),抖動產生的輸出紋波的幅度與額定輸出紋波的幅度相比相對較低。
芯片內實現形式:

目前的PWM控制器一般使用外部電阻來設置工作頻率。通常工作頻率隨電阻值的降低而上升,控制器內部的振蕩器編程引腳(RT)被調節為恒定電壓。連接到編程引腳的編程電阻設置從編程引腳輸出的電流源。比例電流還被饋送到內部的定時電容器,而定時電容器上斜坡電壓的周期決定振蕩器頻率。

外部電阻來設置工作頻率原理:通常情況下,工作頻率隨電阻值的降低而上升。
控制器內部的振蕩器編程引腳(RT)被調節為恒定電壓,連接到編程引腳的編程電阻設置從編程引腳輸出的電流源。比例電流還被饋送到內部的定時電容器,而定時電容器上斜坡電壓的周期決定振蕩器頻率。
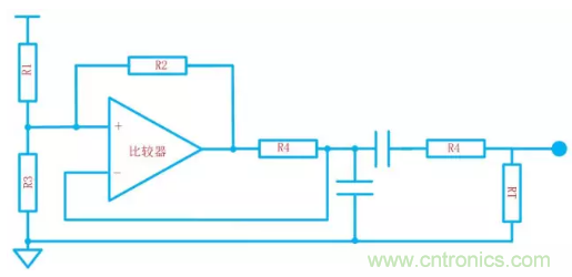
兩個外部電路:
比較器電路

運放電路

兩個電路的工作原理是一樣的,上電后,比較器/運放的輸出為高,兩張圖分別通過R2和R4對電容進行充電。當電壓高于高閾值時,運放/比較器翻轉,輸入閾值切換成低電平,然后電容放電。
下拉電容上的電壓類似于三角波。

三角波調制可控制器RT引腳的電流,實現PWM振蕩器的抖動。串聯的電阻器用于設置調制抖動百分比。低頻三角波通過耦合電容器改變在電阻器電壓。
推薦閱讀:





