【導讀】電動汽車設計必須面對這樣一個現實——所有BMS問題在某種程度上都是相互關聯而非孤立的(圖1)。因此,當BMS隨著電池的狀況或狀態發生變化而處理相應的問題時,便會產生一種「漣漪效應」。BMS體系結構的一大目標是盡可能地把這些子功能分離開,讓每一項子功能都可以獨立優化,從而有助于實現全局優化設計。
電子工程師只要和電動汽車 (包括純電動和混合電動) 打交道,往往都要在工作中運用各種電池技術,它們一般都屬于某種形式的鋰離子化學。然而,如果要管理構成電池組的大量電池,僅憑這些技術是力不從心的,因此設計人員必須實施電池管理系統 (BMS),以此來:
? 保護單個電池和整個電池組不受損壞
? 延長電池壽命
一旦把這些目標具體化,你將會收獲一份冗長的清單,包含電池保護、充電控制、充電狀態確定、健康狀態確定和電池平衡等功能。本文著眼于BMS的功能之一——電池平衡,它在電動汽車設計人員必須解決的嚴峻挑戰中非常具有代表性。
電動汽車設計必須面對這樣一個現實——所有BMS問題在某種程度上都是相互關聯而非孤立的(圖1)。因此,當BMS隨著電池的狀況或狀態發生變化而處理相應的問題時,便會產生一種「漣漪效應」。BMS體系結構的一大目標是盡可能地把這些子功能分離開,讓每一項子功能都可以獨立優化,從而有助于實現全局優化設計。

圖1:在電動汽車電源系統中,電池管理系統是最重要的子系統之一。這是一個涵蓋硬件、軟件和電池化學等方面的復雜系統,涉及許多與「正常」運行有關的利弊權衡和判斷。圖片來源:Maxim Integrated, "The Automotive Experience"(汽車體驗)
此外,就如同大多數工程決策一樣,能夠實現給定目標的單一「正確」方法是不存在的。每種方法都需要在外形和包裝尺寸、可替換單元、重量、數據完整性、系統置信度和成本之間進行權衡。具體采用何種方法,還取決于所要實現的目標,諸如更長的續航時間、更長的電池組壽命、電池組對個別電池表現不佳的容忍度,還有安全性的問題。因此,「最佳」的解決方案取決于設計中需要優先解決的問題。
電池平衡是一個復雜的問題
對于由多個電池組成的電池組而言,一個繞不開的事實就是每個電池之間總存在微小的差異,這種差異源自于不同的生產和運行條件(特別是溫度梯度,對于大型電池組而言可能更明顯)。每次充放電循環都會放大這種差異,致使性能較弱的電池變得更弱,直至最終失效,進而導致整個電池組過早失效。
電池平衡則嘗試讓電池組中所有電池上的電荷達成均衡狀態,來補償性能較弱的電池帶來的影響。業界現已開發出多種電池平衡方法來解決這個問題。電池平衡方法還涉及電池化學的一個函數關系:鋰電池更能夠耐受混合電動汽車產生的「微」充放電循環,但卻更容易受到電池間差異的影響。然而,鉛酸電池組和鎳氫電池組卻天然地存在一種電池平衡機制,因為此類電池在充滿電后,會通過放出氣體來釋放多余的能量,因而只需延長充電時間,就可以讓性能較弱的電池也充滿電。
主動平衡和被動平衡是最常見的兩種電池平衡技術。實際應用中還存在電荷分流、無損平衡等其他方法,但任何一種方法都逃不過艱難的利弊權衡。不論主動平衡還是被動平衡,它們都始于監視每個電池的充電狀態 (SOC)。該狀態通過對流入和流出電池的電流進行「庫侖計數」來測量,有時電池阻抗測量也可以作為一種補充。在某些情況下,只對每個電池上的電壓進行測量即可。然后,開關電路會在充電過程中控制施加到每個單獨電池的電荷,以均衡電池組中所有電池的電荷。
在主動平衡中,電池管理系統會將電荷從電量較高的電池傳輸到電量較低的電池。這個過程非常耗時,因為每個電池都必須得到評估,而電池總數可能會多達成百上千個。部分主動電池平衡方案采用的做法是停止對電量已滿的電池進行充電,同時繼續對性能較弱的電池充電,直至所有電池都充滿,從而盡可能充分地利用電池的充電容量。
在被動平衡中,電量較高的電池多出的能量會通過旁路電阻自動消耗掉,直至其電壓或電荷與性能較弱的電池上的電壓相同。這是一種低成本做法,但旁路電阻會浪費一部分能量,并使整個電池組的性能完全取決于性能最弱的電池。無論采用何種方法,要擠出容量和性能的最后一個百分點,都將大大增加BMS系統復雜性、BOM大小、硬件大小和成本以及軟件集成問題。
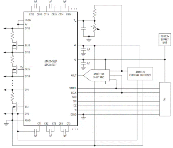
針對BMS和電池平衡面臨的這項挑戰,Maxim Integrated的MAX14920和與之類似的MAX14921兩款電池測量模擬前端 (AFE) 集成電路可以對電池組中的電池電壓進行準確采樣,最高支持+65V電壓;MAX14920最多支持12個電池,而MAX14921最多支持16個電池,除此以外兩者完全一致 (圖2)。該器件同時對所有電池電壓采樣,以準確確定充電狀態和源電阻,這對于大型電池組而言是一項節省時間的功能。所有電池電壓均在單位增益上進行電平移位,使之以接地電壓作為參考,極大地簡化了外部模數轉換器 (ADC) 的數據轉換修正工作。

圖2:Maxim的MAX14920和與之類似的MAX14921電池測量模擬前端 (AFE) 集成電路旨在簡化對電池組中諸多電池之間進行電池平衡這一關鍵任務。(圖片來源:Maxim Integrated)
被動電池平衡可借助外部FET驅動器來支持。這兩款產品中集成的診斷功能可進行斷線檢測以及發出欠壓/過壓警報,以進一步保障系統完整性。兩款產品的BMS器件均由可實現菊鏈連接的SPI接口控制,因而通過單個SPI端口即可進行連接、尋址和管理,并且在SPI控制部分能夠以任意順序選擇任何電池電壓讀數 (圖3)。

圖3:BMS的電池平衡功能可以通過Maxim MAX14920/MAX14921的SPI控制,以任意順序選擇任何電池電壓讀數。(圖片來源:Maxim Integrated)
要監控電池,就必須面對準確性的問題,對于放電曲線非常平坦的化學物質尤其如此。這兩款Maxim產品都具有很高的精度,非常適合監控鋰金屬磷酸鹽等放電曲線平坦的電池化學反應。它們帶有低噪聲、低失調的放大器,可緩沖不超過+5V的任何差分電壓,從而可以監控各種常見的鋰離子 (Li+) 電池技術。
結合內部自校準功能,兩款產品測得的電池電壓誤差均為±0.5mV。它們的額定溫度范圍寬達?40°C至+85°C,這是電動汽車工作環境所必需的。
大電流下的連接器選型不容馬虎
對于以往接觸過的「高功率」不超過數百瓦,或者只處理過10A以下電流的工程師而言,要想實現電動汽車電源互聯,需要采用完全不同于過往的思路。在電動汽車設計中,大電流、高電壓是各種子系統和組件之間的常態,為此設計人員必須選用合適的線對板和線對線連接器,在非常困難的振動、應力和溫度條件下,滿足頗具挑戰性的功率容量、插拔壽命和機械強度要求。正因如此,在選用與電池子系統相關聯的電源連接器時,其特殊性不容忽視。電動汽車環境中的大電流、高電壓問題容不得任何「投機取巧」或「以后再說」的態度——這是必須在設計過程的早期就重點解決的問題。
Phoenix Contact的E-Mobility解決方案就是一種適用于電動汽車平臺的連接器產品系列。該系列各種單品采用多種外殼樣式和觸點布局形式,支持AWG 12和AWG 16兩種線規(具體取決于所選的觸點布局),最高可支持25A電流;尺寸為12的觸點可接受AWG 12 – AWG 14;尺寸為16的觸點可接受AWG 14 – AWG 20。
組合充電系統 (CCS) 是一種用于電動汽車的標準化充電系統,支持常規交流充電和直流快速充電,這兩種連接器均可以插入到CCS汽車端插座中。Phoenix Contact E-Mobility提供符合多種直流快速充電和交流充電連接器國際標準的各式充電插頭。除了全面的產品組合外,Phoenix Contact還可以針對客戶的特殊要求(甚至是標準未涵蓋的要求)開發個性化解決方案。
Phoenix Contact可提供全方位的電動汽車充電解決方案,包括出自單一來源并符合Type 1、Type 2或GB/T標準的連接器,以及適用于各種E-Mobility應用的充電控制器,涵蓋從家用和商用,到大型、公用電動汽車充電控制器,再到定制解決方案的各種應用場景。
總結
電動汽車所需的電力源自電池和電池組中無形但至關重要的化學反應,而在將電流輸送到所需位置的路上,有形而又顯眼的連接器和觸點則構成了一個個關鍵節點,必須在諸多細節方面加以高度關注和謹慎處理。電動汽車中的器件在電壓和功率水平、工作環境和用戶期望等方面具有顯著的特殊性,因而對便攜式消費類設備并不構成多大影響的問題,在電動汽車中卻可能關系重大,這些問題包括電池組在極端條件乃至非正常條件下的性能(包括散熱處理、電池平衡)、連接器IR壓降,以及如何讓連接器在固定牢靠的同時又易于拔出,等等。這些問題必須從多個角度加以審視和解決,并且要明確關注目標的優先級、需要權衡的方面以及各種解決方案之間的相互作用。
(作者:Bill Schweber)
免責聲明:本文為轉載文章,轉載此文目的在于傳遞更多信息,版權歸原作者所有。本文所用視頻、圖片、文字如涉及作品版權問題,請聯系小編進行處理。
推薦閱讀:



