【導讀】將逆變器從控制柜轉移到電機導致了新的逆變器設計要求。其中要求的是熱管理。標準柜式逆變器在相當友好的環境中運行,沒有特殊的 IP 保護要求,與電機不同,電機安裝在生產線中靠近正在加工的貨物的位置。相比之下,嵌入式驅動器使用內部逆變器,這要求電機和逆變器都防水、防塵,從而影響系統的熱性能。
將逆變器從控制柜轉移到電機導致了新的逆變器設計要求。其中要求的是熱管理。標準柜式逆變器在相當友好的環境中運行,沒有特殊的 IP 保護要求,與電機不同,電機安裝在生產線中靠近正在加工的貨物的位置。相比之下,嵌入式驅動器使用內部逆變器,這要求電機和逆變器都防水、防塵,從而影響系統的熱性能。
在 IP65 保護系統中,所有組件的耗散功率只能通過其表面(主要是散熱器)排出。因此,嵌入式系統中使用的逆變器的設計必須限度地減少功耗,并使用良好的熱界面將所有功耗組件連接到散熱器。保持整體溫度較低并避免系統內部出現熱點,可確保整體系統的可靠性。
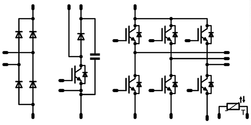
圖 1. CI + PFC 拓撲。圖片由博多電力系統提供 [PDF]
此外,逆變器必須足夠小以適應給定的環境,從而實現緊湊的電機設計和高安裝密度。例如水處理、熱泵和通風系統。系統表面積的減少使得優化熱管理變得更加重要。同時,縮小整體系統體積需要智能系統分割,限度地減少功率部分、儲能和逆變器控制板之間的互連。
所有應用的共同要求是整流二極管、無源或有源 PFC 以及電機的逆變器級,如圖 1 所示。需要額外的 PFC 電路來滿足 2012 年制定的能效指令,以開發具有以下功能的應用:更高的效率。
圖 2 顯示了嵌入式驅動器的兩個應用,說明了集成逆變器實現的緊湊性。
圖 2. 作為嵌入式驅動系統示例的 Wilo 泵和 ebm-papst 風扇。圖片由博多電力系統提供 [PDF]
挑戰在于將具有爬電距離和間隙要求的組件(需要 PCB 上的大量空間)移動到適用其他規則的新位置。這些組件包括 CI + PFC 半導體以及自舉電路、分流器、緩沖電容器等部件。這就是電源模塊發揮作用的地方。電源模塊通常填充有電絕緣硅膠,介電強度為每毫米幾千伏。用硅膠覆蓋組件可以使它們封裝得更密。
其中一個障礙是兩條軌道之間的距離,當使用標準 Al2O3 DCB 時,該距離需要 >0.5 mm。對于功率半導體裸片來說,這不是一個問題,但對于電阻器、電容器和二極管等分立元件來說,這變得更具挑戰性,對于 IC 來說更是如此。在這些情況下,Vincotech 的厚膜技術提供了有前途的解決方案,可實現小于 0.5 毫米的細間距。
Vincotech 為嵌入式驅動應用提供兩種類型的模塊:僅包含功率半導體的 DCB 模塊和還包含有源和無源元件的厚膜模塊。雖然兩者都基于氧化鋁,但它們的主要區別在于基材厚度以及兩側是否有銅平面。由于 Al2O3 是一種易碎材料,需要小心處理,因此厚膜基板的厚度約為 DCB 的兩倍,約為 1 毫米。此外,它們具有更高的熱阻,因為頂部和底部銅的缺失不允許熱擴散。
厚膜模塊基于一種技術,該技術允許在氧化鋁基板上印刷不同的層,然后在 850 °C 下燒制。各種漿料可用于不同的用途,例如用于高功率軌道的低歐姆導體和電阻器漿料,范圍從用于分流器的低值到用于各種電阻器功能的 MΩ 范圍內的高值。
激光微調電阻器可提高其精度,而添加玻璃鈍化層可提高其可靠性。
圖 3. 比較基于 DCB 的模塊(左)和厚膜模塊(右)。圖片由博多電力系統提供 [PDF]
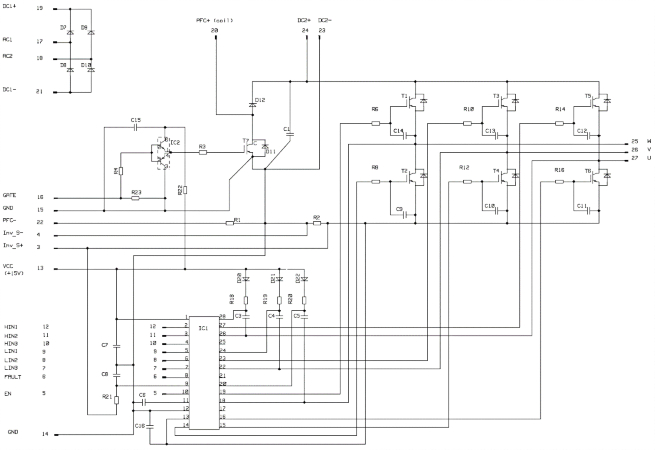
下圖描述了集成到厚膜模塊中的組件。首先,與標準電源模塊的情況不同,柵極驅動器 IC 的實現包括二極管、電阻器和電容器(這種情況非常罕見)。,以柵極電阻和柵極-發射極電容為例。其他 Vincotech 厚膜產品具有不同的開啟和關閉柵極電阻,以及可選的柵極發射極電阻,用于在沒有電源的情況下對柵極進行放電。
圖 4. 厚膜電源模塊的內部電路。圖片由博多電力系統提供 [PDF]
圖 5.不使用 Cge(左)和使用集成 Cge(右)的 EMI 測量。圖片由博多電力系統提供 [PDF]
該電路還包括一個 PFC 電路,該電路具有快速 650 V IGBT 或更快的 Si MOSFET 以及快速 Si 二極管,或者當需要更高的開關頻率和效率時,還包括 SiC 二極管。
DC+和DC-之間的陶瓷電容器閉合電源電路內的高頻環路。柵極和發射極之間的電容器進一步改善了 EMI,如圖 5 所示。
電容器的放置會對測量值產生很大影響。
免責聲明:本文為轉載文章,轉載此文目的在于傳遞更多信息,版權歸原作者所有。本文所用視頻、圖片、文字如涉及作品版權問題,請聯系小編進行處理。
推薦閱讀:
意法半導體公布2023年第四季度及全年財報和電話會議時間安排






