【導讀】永磁無刷直流電機由于其無換向火花、運行可靠、維護方便、結構簡單、無勵磁損耗等眾多優點,自20世紀50年代出現以來,就在很多場合得到越來越廣泛的應用[1]。今天我們就來研究研究無位置傳感器無刷直流電機的換相方式。
引言
傳統的永磁無刷直流電機均需一個附加的位置傳感器,用以向逆變橋提供必要的換向信號。它的存在給直流無刷電機的應用帶來很多不便:首先,位置傳感器會增加電機的體積和成本;其次,連線眾多的位置傳感器會降低電機運行的可靠性,即便是現在應用最為廣泛的霍爾傳感器,也存在一定程度的磁不敏感區;再次,在某些惡劣的工作環境中,如在密封的空調壓縮機中,由于制冷劑的強腐蝕性,常規的位置傳感器根本就無法使用;此外,傳感器的安裝精度還會影響電機的運行性能,增加生產的工藝難度。
針對位置傳感器所帶來的種種不利影響,近一二十年來,永磁無刷直流電機的無位置傳感器控制一直是國內外較為熱門的研究課題[2]。從20世紀70年代末開始,截至目前為止,永磁無刷直流電機的無位置傳感器控制已大致經歷了3個發展階段,針對不同的電機性能和應用場合出現了不同的控制理論和實現方法,如反電勢法、續流二極管法、電感法等。
所謂的無位置傳感器控制,正確的理解應該是無機械的位置傳感器控制,在電機運轉的過程中,作為逆變橋功率器件換向導通時序的轉子位置信號仍然是需要的,只不過這種信號不再由位置傳感器來提供,而應該由新的位置信號檢測措施來代替,即以提高電路和控制的復雜性來降低電機的復雜性。所以,目前永磁無刷直流電機無位置傳感器控制研究的核心和關鍵就是架構一轉子位置信號檢測線路,從軟硬件兩個方面來間接獲得可靠的轉子位置信號,借以觸發導通相應的功率器件,驅動電機運轉。
1傳統反電動勢檢測方法
無刷直流電機中,受定子繞組產生的合成磁場的作用,轉子沿著一定的方向轉動。電機定子上放有電樞繞組,因此,轉子一旦旋轉就會在空間形成導體切割磁力線的情況。根據電磁感應定律可知,導體切割磁力線會在導體中產生感應電熱。所以,在轉子旋轉的時候就會在定子繞組中產生感應電勢,即運動電勢,一般稱為反電圖1動勢或反電勢[3]。
1.1傳統反電動勢檢測的原理
具有梯形反電動勢波形的三相無刷直流電機主電路,對于某一相繞組(假設A相),其導通時刻的基本電路原理圖如圖1所示[4]。

圖1
1.2反電動勢的推導
無刷直流電機的三相端電壓方程:
由于采用兩相導通三相六拍運行方式,任一瞬間只有兩相導通,設A相、B相導通,且A+,B-,則A、B兩相電流大小相等,方向相反,C相電流為零。
由于Ia=-Ib,Ic=0,得:

式(5)即為C相反電動勢檢測方程。
同理,A和B相反電動勢檢測方程為:
但是實際上,繞組的反電動勢難以直接測取,因此,通常的做法是檢測電機端電壓信號,進行比較來間接獲取繞組反電動勢信號的過零點,從而確定轉子的位置,故這種方法又稱為“端電壓法”[5]。
基于端電壓的反電動勢檢測電路如圖2所示,將端電壓Ua、Ub、Uc分壓后,經過濾波得到檢測信號Ua、Ub、Uc,檢測電路的O點與電源負極相連,因此式(5)~(7)轉化為:

圖2
根據上述結論,檢測到反電動勢過零點后,再延遲30°即為無刷直流電動機的換相點。但實際的位置檢測信號是經過阻容濾波后得到的,其零點必然會產生相位偏移,實際應用時必須進行相位補償。
2新型檢測方式的提出
針對以上現有技術存在的缺點,提出一種電路簡單、成本低、恒零相移濾波,無需構建虛擬中性點,無需速度估測器和相移校正,在整個高轉速比的范圍內都能保持輸出準確換相信號。該換相信號與霍爾傳感器輸出的換相信號完全一致,無需高速控制IC,可以直接使用與霍爾傳感器相配套的低價控制IC。
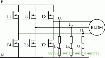
2.1電路構成
本設計采用方案包括3個分壓電路、3個恒零相移濾波電路和3個線電壓比較器,如圖3所示。其特征在于3個分壓電路分別由兩個電阻R1、R2串聯,其R1的一端作為輸入端分別無刷直流電機的三相電機線連接,R2接地,R1、R2的連接點作為輸出端,分別與相應線電壓比較器的正確輸入端連接;3個恒相移濾波電路分別由兩個電阻R3、R4,兩個電容C1、C2和一個集成運放構成。電容C1并連接于分壓電路R2。電容C2的一端與運放的正輸入端連接并與電容C1的一端連接,另一端與運放的負輸入端連接。電阻R4的一端與運放的負輸入端連接,另一端接地。3個線電壓比較器的正輸入端分別與相應分壓電路的輸出端連接,而負輸入端分別與相鄰分壓電路的輸出端連接。各線電壓比較器的輸出分別作為電機的換相信號。

圖3
2.2電路分析
本設計與以往技術相比,由于采用了不隨電機轉速變化的恒零相移濾波電路,無需相移校正,而送到比較器正負端的電壓是兩路沒有相移的端電壓,無需構建虛擬中性點。比較器檢測到的是線電壓的過零點,這個過零點正好對應電機的換向點,因此,輸出的換相信號與霍爾傳感器輸出的換相信號完全一致。在無刷直流電機高轉速比的范圍內,無需高速控制IC,可以直接使用與霍爾傳感器相配套的低價控制IC,電路結構簡單,成本低,可以替代霍爾傳感器廣泛應用在家電、計算機外設和電動車用等無刷直流電機上。
電機三相端電壓Va、Vb、Vc經3個分壓電路和恒零相移濾波電路后,得到幅值減小的平滑端電壓Vao、Vbo、Vco,濾波前后每一相端電壓的相移角度 為:
式中ω為電機運行的角速度。
只要設計C1=R3R4C4,就可以使得濾波前后的相移角度恒為零,確保端電壓的過零點濾波前后不會跟隨電機速度的變化而移動,無需相移校正。圖3相鄰兩相的恒零相移端電壓送到比較器后,比較器比較的是兩相端電壓,實質上就是檢測線電壓的過零點。這個過零點正好對應電機的換相點,因此,比較器輸出的換相信號與霍爾傳感器輸出的換相信號完全一致。
2.3實驗驗證
Va、Vb、Vc、 Vao、Vbo、Vco及各換相信號的波形圖略——編者注。
結語
本文利用無刷直流電機端電壓設計的換相控制電路,結構簡單,運行可靠。經過實驗證實,此電路輸出的換相信號與霍爾傳感器輸出的換相信號完全一致,從而在一定程度上可以替代霍爾傳感器,并可應用于較高溫、高壓、高輻射等傳感器無法勝任的場合。不過由于器件自身的局限性,在一些更加惡劣場合的應用還有待測試和改善。
【推薦閱讀】
基于PWM模塊和CWG模塊的直流電機伺服系統設計
設計和選用電源模塊應考慮哪些性能參數
如何輕松解決電源模塊常見的八大故障
基于LabVIEW的汽車助力轉向控制系統設計
基于DSP控制的無刷直流電機的電動執行器的設計





