【導讀】在電子世界走向數字化之前,基于微分方程求解的控制系統使用模擬計算來解方程。因此,模擬計算機相當普遍,因為幾乎所有微分方程的求解都需要對信號進行積分運算的能力。雖然控制系統大多都已實現數字化,并且數值積分也已取代模擬積分,但在傳感器、信號生成和濾波的運算方面,仍然需要模擬積分器電路。
在電子世界走向數字化之前,基于微分方程求解的控制系統使用模擬計算來解方程。因此,模擬計算機相當普遍,因為幾乎所有微分方程的求解都需要對信號進行積分運算的能力。雖然控制系統大多都已實現數字化,并且數值積分也已取代模擬積分,但在傳感器、信號生成和濾波的運算方面,仍然需要模擬積分器電路。這些應用使用基于運算放大器的積分器,并在反饋回路中帶有電容元件,以便為低功耗應用提供必要的信號處理。
盡管實用性仍然很重要,但許多設計人員可能會輕易忽略。本文概述了積分器電路,并以 Texas Instruments 的幾個產品為例,就正確設計、元器件選擇和最佳實踐提供指導,以實現卓越性能。
基本反相積分器
經典的模擬積分器采用運算放大器,并且以電容器作為反饋元件(圖 1)。

圖 1:基本反相模擬積分器包含一個運算放大器,并且在反饋路徑上有一個電容器。(圖片來源:Digi-Key Electronics)
積分器的輸出電壓 VOUT 是輸入電壓 V IN 的函數,可以使用公式 1 計算。

基本反相積分器的增益系數是 -1/RC,該系數可應用到輸入電壓積分。實際上,積分器所用的電容器應具有小于 5% 的容差和低溫度漂移。聚酯電容器是一個不錯的選擇。在關鍵路徑位置應使用公差為 ±0.1% 的電阻器。
該電路存在局限性,因為在直流下,電容器代表開路,增益會無窮大。在工作電路中,根據非零直流輸入的極性,輸出將傳輸到正電源軌或負電源軌。這可以通過限制積分器的直流增益來糾正(圖 2)。

圖 2:在反饋電容器上并聯一個大電阻可限制直流增益,從而得到一個實用的積分器。(圖片來源:Digi-Key Electronics)
在反饋電容器上并聯一個高阻值電阻器 (RF),可將基本積分器的直流增益限制為 -RF/R 值,從而得到一個實用的器件。這種添加法解決了直流增益問題,但卻限制了積分器的工作頻率范圍。觀察真實電路有助于理解此限制(圖 3)。

圖 3:使用真實元器件的實用積分器 TINA-TI 仿真。(圖片來源:Digi-Key Electronics)
該電路使用 Texas Instruments 的 LM324 運算放大器。LM324 是一款優異的通用運算放大器,具有低輸入偏置電流(典型值 45 nA)、低失調電壓(典型值 2 mV)和 1.2 MHz 的增益帶寬積。電路輸入由仿真器的函數發生器以 500 Hz 的方波驅動。這在仿真器示波器上顯示為上方跡線。電路會對方波進行積分,并輸出一個 500 Hz 的三角函數,如示波器的下方跡線所示。
直流增益為 -270 kΩ/75 kΩ 或 -3.6 或 11 dB;這從電路的傳遞函數可以看出,如圖 3 的右下網格所示。從約 100 Hz 至約 250 kHz,頻率響應按 -20 dB/ 十倍頻程滾降。這是積分器工作的有用頻率范圍,并且與運算放大器增益帶寬積有關。
Texas Instruments 的 TLV9002 是新近推出的運算放大器。這款 1 MHz 增益帶寬放大器具有 ±0.4 mV 的輸入失調電壓和 5 pA 的極低偏置電流。作為一款 CMOS 放大器,它適用于各種低成本便攜式應用。
對于設計人員來說,務必要記住,積分器是一種累積器件。因此,如果沒有適當的補償,輸入偏置電流和輸入失調電壓會導致電容器電壓隨著時間的推移而增加或減少。在此應用中,輸入偏置電流和失調電壓相對較低,并且輸入電壓會迫使反饋電容器定期放電。
在使用累積功能的應用中,例如在測量電荷時,在積分器中必須有一種機制來重置電壓并建立初始條件。Texas Instruments 的 ACF2101BU 就具有這種機制。它是一款雙開關積分器,集成了一個內置開關以對反饋電容器放電。由于該器件適用于需要電荷累積的應用,因此具有 100 fA 的極低偏置電流,典型偏置電壓為 ±0.5 mV。
Texas Instruments 的 IVC102U 是一款類似的開關積分器 / 跨阻放大器。該器件與 ACF2101BU 的應用范圍相同,但不同的是,每個封裝包含單個器件。此外,還具有三個內部反饋電容器。其中包含對電容器組放電和連接輸入源的開關,因此設計人員能夠控制積分周期并包括保持操作,以及對電容器上的電壓放電。
非反相積分器
基本積分器將信號的積分反相。雖然與基本積分器串聯的第二個反相運算放大器可以恢復原來的相位,但也可以在單級中設計一個非反相積分器(圖 4)。

圖 4:基于差分放大器運算放大器配置的非反相積分器可以確保輸出相位與輸入相位匹配。(圖片來源:Digi-Key Electronics)
非反相版本的積分器使用差分積分器來保持輸出與輸入信號同相位。這種設計額外增加了無源元器件,應對其進行匹配以實現最佳性能。輸入和輸出電壓之間的關系與基本積分器相同,只是符號不同,如公式 2 所示:

通過使用傳統的運算放大器電路,可以實現對基本積分器進行其他調整。例如,可以添加多個電壓輸入(V1、V2、V3…),只要通過各自的輸入電阻(即 R1、R2、R3…)加到運算放大器的非反相輸入。此加法積分器的最終輸出使用公式 3 計算:

如果 R1=R2=R3=R,則使用公式 4 計算輸出:

輸出是輸入之和的積分。
一些常見的積分器應用
過去,積分器一直用于微分方程求解。例如,機械加速度是其速度的變化率或導數。速度是位移的導數。積分器可用于獲取加速計的輸出并對其進行一次積分運算,以讀取速度。如果速度信號進行了積分運算,則輸出就是位移。這意味著通過使用積分器,單個傳感器的輸出可產生三個不同的信號:加速度、速度和位移(圖 5)。

圖 5:使用雙積分器,設計人員可以從加速計產生加速度、速度和位移讀數。(圖片來源:Digi-Key Electronics)
加速計的輸入經過積分和濾波,得到速度。速度經過積分和濾波,可得到位移。請注意,所有輸出均為交流耦合。這樣一來,就不再需要處理每個積分器的初始條件。
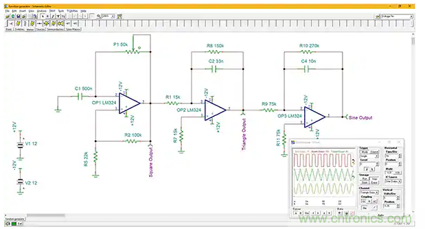
函數發生器
函數發生器可輸出多種波形,可以由多個積分器構成(圖 6)。

圖 6:使用三個 LM324 級設計的函數發生器。OP1 是產生方波的張弛振蕩器;OP2 是將方波轉換為三角波的積分器;OP3 是另一個積分器,用作低通濾波器以消除三角波的諧波,從而產生正弦波。(圖片來源:Digi-Key Electronics)
函數發生器圍繞 LM324 設計,而 LM324 是前面討論的實用積分器。在該設計中,使用了三個 LM324 運算放大器,如 TINA-TI 仿真所示。第一級 OP1 用作張弛振蕩器,并以 C1 和電位計 P1 確定的頻率產生方波輸出。連接的第二級 OP2 為積分器,將方波轉換為三角波。連接的最后一級 OP3 為積分器,但用作低通濾波器。該濾波器去除三角波中的所有諧波,并輸出基頻正弦波。每級的輸出顯示在圖 6 右下方的仿真器示波器中。
羅氏線圈
羅氏線圈是一類電流傳感器,其利用纏繞在被測載流導體上的柔性線圈測量交流電源。它們用于測量高速電流瞬變、脈沖電流或 50/60 Hz 線路功率。
羅氏線圈執行的功能類似于電流互感器。主要區別在于羅氏線圈使用的是空芯,而不是電流互感器中使用的磁芯。空芯具有較低的插入阻抗,從而在測量大電流時響應更快且沒有飽和效應。羅氏線圈非常易于使用(圖 7)。

圖 7:簡化示意圖顯示了羅氏線圈在載流導體上的安裝(左)和此設置的等效電路(右)。(圖片來源:LEM USA)
羅氏線圈如 LEM USA 的 ART-B22-D300,簡單地纏繞在載流導體上,如圖 7 左側所示。羅氏線圈的等效電路如右圖所示。請注意,線圈的輸出與被測電流的導數成正比。積分器可用于提取感測到的電流。
羅氏線圈積分器的參考設計如圖 8 所示。此設計的特點是具有 0.5 至 200 A 范圍的高精度輸出(精度為 0.5%),以及相同電流范圍的快速建立輸出(不到 15 ms 時間內的精度在 1% 以內)。

圖 8:此羅氏線圈積分器的參考設計使用 Texas Instruments 的 OPA2188,作為設計積分器元件中的主運算放大器。(圖片來源:Texas Instruments)
此參考設計使用 Texas Instruments 的 OPA2188,作為設計積分器元件中的主運算放大器。OPA2188 是一款雙運算放大器,采用專有的自動調零技術,最大失調電壓為 25 微伏 (µV),并且時間或溫度漂移接近于零。增益帶寬積為 2 MHz,典型輸入偏置電流為 ±160 pA。
對于該參考設計,Texas Instruments 選擇 OPA2188 的原因是低失調和低失調漂移。而且,低偏置電流可最大程度地減小羅氏線圈上的負載。
濾波器中的積分器
積分器在狀態變量和雙二階濾波器設計中都有使用。這些相關的濾波器類型使用雙積分器來獲得二階濾波器響應。狀態變量濾波器是一種更有趣的濾波器,因為單個設計會同時產生低通、高通和帶通響應。該濾波器使用兩個積分器以及一個加法器 / 減法器級,如 TINA-TI 仿真所示(圖 9)。圖中顯示了低通輸出的濾波器響應。

圖 9:狀態變量濾波器使用兩個積分器和一個加法器 / 減法器級,以從同一電路產生低通、高通和帶通輸出。(圖片來源:Digi-Key Electronics)
這種濾波器拓撲的優勢在于,在設計過程中可獨立調節所有三個濾波器參數(增益、截止頻率和 Q 值)。在此示例中,直流增益為 1.9 (5.6 dB),截止頻率為 1 kHz,Q 為 10。
高階濾波器的設計通過串聯多個狀態變量濾波器來實現。這些濾波器通常用于模數轉換器前的抗混疊,其中要求高動態范圍和低噪聲。
總結
盡管有時候世界似乎已經全數字化,但本文討論的示例表明,模擬積分器在信號處理、傳感器調節、信號生成和濾波方面,仍然是非常有用和通用的電路元件。
免責聲明:本文為轉載文章,轉載此文目的在于傳遞更多信息,版權歸原作者所有。本文所用視頻、圖片、文字如涉及作品版權問題,請電話或者郵箱聯系小編進行侵刪。




