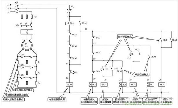
【導讀】電路原理分析:轉子回路中的3組啟動電阻,由接觸器2KM、3KM、4KM在時間繼電器1KT、2KT、KT3的控制下被順序短接;在正常工作時,只有接觸器1KM和2KM的主觸點閉合。
1.原理圖

時間繼電器控制電動機轉子統組串電阻啟動電路
2.原理圖分析
轉子回路中的3組啟動電阻,由接觸器2KM、3KM、4KM在時間繼電器1KT、2KT、KT3的控制下被順序短接;在正常工作時,只有接觸器1KM和2KM的主觸點閉合。
3原理圖說明
(1)啟動→4KM、2KM、2KT得電吸合 按下SB2→1KM得電吸合→主觸點閉合→電動機串全阻啟動;→1KM5-11閉合,自鎖→1KT得電吸合→經延時→1KT17-21閉合→2KM得電吸合→2KM9-11斷開;2KM17-21閉合,自鎖→主觸點閉合→第一級電阻R1被短接;2KM17-19斷開→1KT失電釋放→1KT17-21復位斷開;2KM17-23閉合→2KT得電吸合→開始延時。
(2)啟動→3KM、3KT得電吸合2KT得電吸合→開始延時,延時時間到→2KT15-25閉合→3KM得電吸合→3KM7-9斷開;3KM15-25閉合,自鎖;主觸點閉合→第二級電阻R2被短接;3KM15-17斷開→2KM失電釋放→主觸點斷開;2KM9-11復位閉合、2KM17-21復位斷開、2KM17-23復位斷開、2KM17-19復位閉合;2KT失電釋放→2KT15-25復位斷開。
(3)啟動→4KM得電吸合。
3KM15-27閉合→3KT得電吸合→開始延時,延時時間到→3KT11-29閉合→4KM得電吸合→4KM11-29閉合,自鎖,主觸點閉合→第二級電阻R3被短接→電動機全壓運行;4KM5-7斷開;4KM11-15斷開→3KT失電釋放→3KT11-29斷開;3KT失電釋放→主觸點斷開;3KM15-25復位斷開;3KM15-27復位斷開;3KM7-9復位閉合;3KM15-17復位閉合。
(4)停止。按下SB1→1KM、4KM失電釋放→電動機停轉。
EPLAN繪制的電路圖實物圖分享:


來源:維修電工講解(微信公眾號)




