【導讀】在設計戶外使用的堅固耐用設備時,使其可靠的最佳方法是將其與任何外部環境條件完全密封。然而,雖然這是一個謹慎的步驟,但采用這種方法確實會帶來一些設計挑戰,其中之一就是如何提供電源能力,尤其是在需要相對較高功率水平的情況下。大多數大功率電源使用強制風冷來消散產生的熱量,這種方法在完全密封的產品中是不實用的。
在設計戶外使用的堅固耐用設備時,使其可靠的最佳方法是將其與任何外部環境條件完全密封。然而,雖然這是一個謹慎的步驟,但采用這種方法確實會帶來一些設計挑戰,其中之一就是如何提供電源能力,尤其是在需要相對較高功率水平的情況下。大多數大功率電源使用強制風冷來消散產生的熱量,這種方法在完全密封的產品中是不實用的。因此,使用底板冷卻的電源轉換器模塊--也被稱為“磚塊”,它們安裝在冷墻或產品外殼上,并使用傳導冷卻,已經變得非常流行。
作為組件級電源模塊,而不是一個即插即用的解決方案,磚塊為戶外設備和系統制造商提供了一種低風險的開發方法,通過使用一系列經過驗證的、可靠的和現成的電源模塊,加快了產品的上市時間,這些模塊可用于為終端應用創建一個定制的電源解決方案。‘
產品可用于AC和DC輸入應用。AC輸入產品可以是完整的AC-DC解決方案,也可以是用于驅動高輸入電壓DC-DC磚塊的PFC模塊。除少數例外,AC輸入產品需要增加外部高壓電解電容器。DC輸入產品覆蓋了廣泛的額定電池電壓、車輛電源和更高電壓應用,至450VDC左右,以滿足PFC模塊或整流電源電壓、高壓電池解決方案和可再生能源應用的需要。
已經發展出一套行業標準尺寸,稱為四分之一磚、半磚和全磚,在行業標準的2:1輸入全磚封裝中可以找到高達700W的額定功率。實現更寬的4:1、8:1甚至12:1的輸入范圍,以實現系統設計的標準化,覆蓋廣泛的潛在額定輸入電壓范圍,降低了磚塊的功率密度。
底板冷卻轉換器的設計需要一些額外的設計考慮,特別是溫度管理和電磁兼容性(EMC)。
溫度管理
磚塊內的所有功率耗散元件都與底板熱粘合,包括功率晶體管、整流器、變壓器和電感。模塊底板的溫度管理至關重要,它的溫度需要維持在終端應用所要求的最壞情況下的最大工作極限以下。冷卻方案的熱阻特性必須與負載或終端設備所需的功率和模塊的效率相匹配,后者決定了磚式轉換器的耗散功率,以及設備預期工作的最高溫度。
模塊在最壞情況下負載條件下的運行效率規格決定了耗散的功率。這需要對模塊在所有可能的輸入電壓范圍和實際負載條件下的效率進行仔細分析,而不是單純地根據模塊的標稱效率來計算。見圖1。該圖說明了模塊的效率如何隨輸入電壓和負載變化。

圖1:效率隨輸入電壓和負載變化的例子
確定耗散功率的計算方法如下圖2所示。

圖2:計算作為熱量散失的廢功率
在確定了廢熱/功率之后,下面的簡單模塊確定了運行所需的熱阻,ΔT定義為設備的最高工作溫度與電源磚塊的最高底板溫度之差。當使用導熱墊或導熱油時,從機箱到散熱片的熱阻通常為0.1?6?2C/W。

圖3:電源磚塊和散熱片熱模塊
在對流冷卻的應用中,散熱片的物理尺寸遠遠大于使用強制風冷或液體冷卻的類似解決方案。如果一個以上的底板冷卻模塊安裝在一個共同的散熱片、冷墻或外部外殼上,則所需的總體熱阻由所有磚塊在最壞情況下的耗散功率之和決定。
電磁兼容性
底板冷卻轉換器電源系統設計的另一個關鍵方面是電磁兼容性,包括防止尖峰和浪涌,以及控制電氣噪聲排放。最終應用的敏感性要求決定了浪涌和尖峰抑制的程度和復雜性,從簡單的無源元件到瞬態電壓抑制器(TVS)、氣體放電管(GDT),甚至是某些車輛和鐵路應用中所要求的主動夾鉗設計。特定應用的EMC模塊可用于國防和鐵路應用,為這些要求嚴格的應用提供低風險的成熟解決方案。基于電源模塊的電源解決方案還需要適當的熔斷器或斷路器保護,以確保安全,通常還需要一些局部電容以降低源阻抗。
電源模塊數據表和應用說明規定了所需元件的值。然而,這要由電源系統設計工程師來執行,遵循良好的設計實踐,以滿足任何爬電和間隙要求,并最大限度地減少寄生電感,以符合EMC要求。

圖4:DC輸入系統示意圖
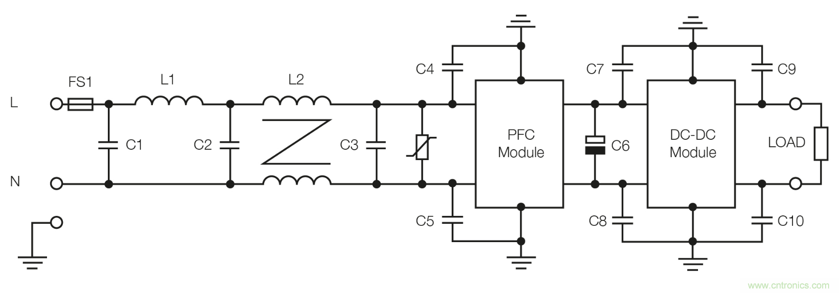
參照圖4,保險絲FS1提供短路輸入故障保護。反極性保護由二極管D1提供。L1、C1、C2以pi型濾波器排列連接,以降低功率開關級內電流快速變化引起的差動噪聲。L2、C4和C5組成共模濾波器,以減輕電源轉換器內電壓快速變化所產生的噪聲。電容器C3為電源轉換器的開關電流需求提出了一個低阻抗源,TVS1是一個雙向瞬態浪涌抑制器,以防止尖峰和浪涌。C6和C7可降低輸出端的共模噪聲,但對于要求使用低噪聲電源的應用,可能需要在輸出端增加一個差分濾波器。
在設計電源系統布局時,為了保持回路的短小,去耦電容C4、C5、C6、C7應盡量靠近連接引腳和機箱與底板的連接。TVS1、瞬態電壓抑制器和橫跨輸入端的電解電容C3應盡量靠近輸入引腳。應避免電源模塊下方的PCB軌道。
如果在轉換器前使用PFC模塊,還需要一個高壓電解散裝電容器C6,通常額定電壓為450VDC。終端系統所需的保持或穿越決定了電容器的值。

圖5:AC輸入系統示意圖
任何額外的組件也需要包括在溫度管理設計中,以確保它們保持在其溫度和安全限度內。溫度會影響電解電容器的壽命,只要降低10攝氏度,使用壽命就會翻倍,因此選擇元件設計壽命、溫度等級和冷卻安排對維持終端設備的預期使用壽命至關重要。使用導熱墊和使熱敏感元件遠離高溫部件有助于保持整體系統的可靠性。
使用底板對流冷卻電源轉換模塊是嚴苛環境中密封設備的理想方案,也是許多運輸系統、國防應用和桅桿頭安裝網絡設備的常用方案。
免責聲明:本文為轉載文章,轉載此文目的在于傳遞更多信息,版權歸原作者所有。本文所用視頻、圖片、文字如涉及作品版權問題,請電話或者郵箱聯系小編進行侵刪。



